Operation CHARM: Car repair manuals for everyone.
Manuals through 2025 now available!

Our trusted friends have launched a new website named LEMON, which has newer manuals. It also contains all the CHARM manuals.

LEMON is the spiritual successor to CHARM, I recommend you try it!

Link: lemon-manuals.la or lemon-manuals.org.ua

(Some people have issue connecting. LEMON is investigating. For now, use Firefox or change your DNS server)

Or, hide this message: temporarily or permanently

Scan Tool Screen Does Not Come Alive When ON Button Is Pressed



Fault The Diagnostic Tool's Screen Does Not Come Alive When The ON Button Is Pressed.







Fault symptoms
The diagnostic tool's screen does not come alive when the ON button is pressed. No system can be contacted.

Condition
The following conditions are applicable:
^ Battery OK.

Diagnostic help
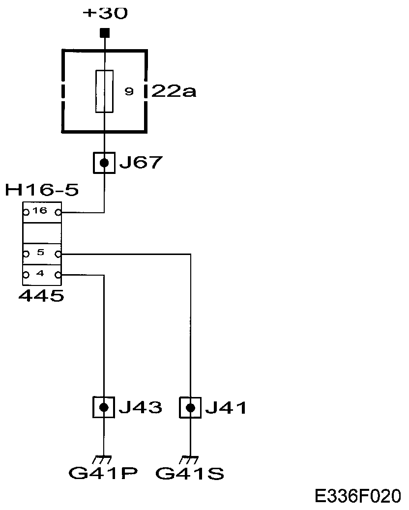
First check that no slide-out of the data link connector pins for current supply (+30 circuit) and ground has occurred. Then use a test lamp to check whether any lead and/or fuse supplying the data link connector with current is faulty.

Following this, check whether the diagnostic tool works on another car.

If no fault can be found, decide whether to repair or replace the diagnostic tool.

Checking the wiring harness
Jiggle the wiring harness at several points and in different directions to detect intermittent breaks and short-circuits in the leads. Observe the multimeter, test lamp or diagnostic tool during the test.