Operation CHARM: Car repair manuals for everyone.
Manuals through 2025 now available!

Our trusted friends have launched a new website named LEMON, which has newer manuals. It also contains all the CHARM manuals.

LEMON is the spiritual successor to CHARM, I recommend you try it!

Link: lemon-manuals.la or lemon-manuals.org.ua

(Some people have issue connecting. LEMON is investigating. For now, use Firefox or change your DNS server)

Or, hide this message: temporarily or permanently

Airbag Control Module



Airbag Control Module

The primary role of the control module is to recognise a crash situation and then trigger the correct airbag with the right force and/or right seatbelt tensioner. The control module contains two acceleration sensors, a microprocessor, backup power, and a voltage converter.

The primary acceleration sensor measures acceleration and retardation forces in the car both longitudinally and laterally. The control module retrieves information from two front impact sensors located in the front of the car to detect impact intensity as early as possible. A side impact sensor in each of the front doors sends the control module information on impact intensity from the side. This data is used together with signals from the belt buckle switches to calculated if and how the airbags and seat-belt tensioners should be activated.

If retardation exceeds the values defined for collision, the processor will prepare to trigger the electric detonators. For ignition to occur, a secondary acceleration sensor, which only measures forces longitudinally along the car, must confirm that there is sufficient impact intensity.

When the control module has defined a sufficiently great impact intensity, the seat-belt tensioners are activated first. If the collision has great enough force, the front airbags are also activated. The seat-belt tensioners can also be triggered by a rear-end collision.

If the seatbelt buckle is not locked or the seat is far away, the airbag will be triggered earlier. The seatbelt tensioner will not be activated if the belt buckle is not locked.

In the event of a side-on collision, the side impact sensor registers a pressure change in the front doors. If the pressure build-up per time unit matches the limit values defined for collision, impact information is sent on to the control module. If the control module's internal acceleration sensor determines there is sufficient impact intensity, the control module triggers the seat-belt tensioners and the side airbag on the side of the collision.

The control module can be reused no more than two times after triggering of the belt tensioner and/or side airbag, i.e. the side airbags and belt tensioners can be activated a total of three times before the control module is considered used.







The activation times in a collision may be different for the different circuits.

Conditions
Front airbags: Stage 1 means that only 70% of the maximum pressure is used. The airbags can be activated individually at stage 1 or stage 2, depending on the conditions.

Conditions for stage 1:
- Low impact intensity.

In situations where the front airbags are only activated at stage 1, a safety activation takes place after 50 ms for the driver and 100 ms for the passenger at stage 2. This takes place to disarm the airbag so that there is no charge remaining for activation after the impact.

Stage 2 includes activation of stage 1 (70% of max. pressure) and the explosive charge for stage 2, which uses the final 30% of the maximum pressure.

The front airbags are activated in two stages with a 5 to 20 ms delay.

Conditions for stage 2:
- High impact intensity.

The following applies for both stages:
- The front airbag is triggered earlier if the belt buckle is not locked.

If the driver or passenger belt buckle is not locked, the belt tensioner is not activated.

In the event of impact to one side, the side airbag is only activated on the side of the impact, but all belt tensioners are activated.

Cars equipped with ON-STAR (certain markets) use a bus message: Airbag activated and electrically connected to the airbag control module.

Backup power
The control module has built-in backup power. This backup power provides the control module with power 150 ms after the normal power supply is cut off.

Three capacitors provide the system with power 150 ms after +15 has been cut off. The side impact sensors are deactivated, but bus communication is functional during this time period.

On-board diagnostics

















When the ignition is in the ON position and the system has power, the control module runs on-board diagnostics for 3.5 seconds. As a safety precaution, the airbags cannot be triggered during this time.

The following are checked during the self-test: electric detonators with wiring harness, power supply, airbag warning lamp, microprocessor, side impact sensors and front impact sensors.

Upon supply of power, the airbag warning lamp lights during the first test for 3-4 seconds to check the lamp. On-board diagnostics then continue as long as power is supplied. The airbag warning lamp has no diagnostics.

There are DTCs in the system to cover all sensors, wiring harnesses, airbags, seatbelt tensioners and internal control module faults.

The control module can measure shorting to ground and B+ as well as resistance too low and too high in all ignition circuits. In case of a system malfunction, the Airbag warning lamp is illuminated.

The control module monitors the diagnostic trouble code conditions at different intervals, depending on the diagnostic trouble code concerned.







These are the different types of monitoring:

On starting For 10 s after ignition is switched to ON position.
Periodically Every 400 milliseconds under normal operating conditions
Non-continuous monitoring Event-determined, for example in the event of a DTC from a side impact sensor.

After activation of the driver and passenger airbags, the control module will no longer be serviceable. The airbag control module therefore cannot be re-used after activation of one of the front airbags.

The control module can be reused no more than two times after activation of a seatbelt tensioner and/or side airbag, i.e. the side airbags and seatbelt tensioners can be triggered a total of three times before the control modules is considered unserviceable.

DTCs are generated for all activated airbags and seatbelt tensioners. The DTC for an activated front airbag cannot be cleared and the control module must be changed.







Storage of diagnostic trouble codes
The airbag control module can store 24 diagnostic trouble codes in its memory.

5 DTCs are reserved for:
- driver airbag activated
- passenger airbag activated
- seatbelt tensioner activated
- side airbag, driver's side, activated
- side airbag, passenger side, activated







There are two types of DTCs, active and historic. An active DTC indicates a fault that is currently in the system, while a historic DTC indicates a fault that has occurred, but no longer remains in the system.

The DTCs are saved in chronological order, with active DTCs receiving higher priority than historic. A historic DTC is saved for 250 ignition cycles (ignition off-on).

Programming the airbag control module







As supplied from the manufacturer, the airbag control module will not be functional until it has been programmed for the car in which it is installed. Programming entails comparing the control module functions with the hardware present in the car.

The control module checks whether the requested programming is compatible with the components that it detects electrically in the car, until the ignition is switched off. If the detected components are not compatible with the desired programming, a diagnostic trouble code will be generated. In this way it is possible to find out why the car's equipment and the desired control module programming are incompatible.

When the airbag control module is replaced, the spare parts control module must be programmed for the car in which it will be installed. This is done using a diagnostic tool.

After programming is successfully completed, the only value that can be altered is the one for OnStar/Telematics. Other values are locked in the control module.

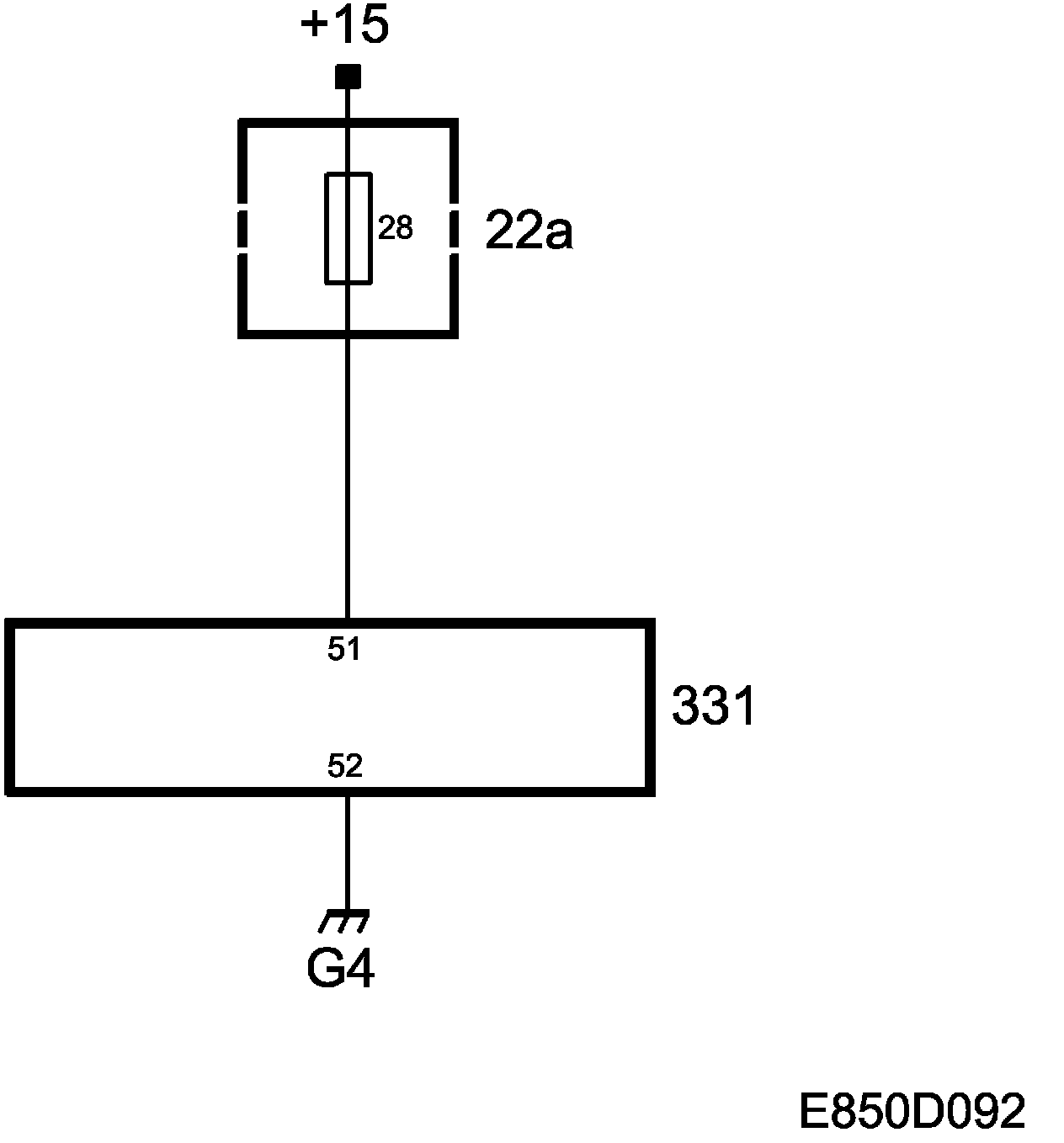
Power supply







With the ignition key in the ON position, the control module receives +15 power via fuse 28 to pin 51. The control module is intended for use with a power supply between 9 and 16 V.

Grounding
The control module is connected to ground via pin 52 and the three retaining screws. No ground cables from other systems may be connected to the retaining screws as this could cause malfunctioning of the airbag system.

A poor ground connection will not cause a diagnostic trouble code to be generated. When connection to ground is restored after having been interrupted, it corresponds to power turn-on and the control module again runs through the on-board diagnostics program. The airbag warning lamp will then lights up for 3-4 seconds.

Connector







The control module connector is equipped with 5 short-circuit sheets, which in pairs short the leads to the front airbags' two electric detonators and the side airbags' two electric detonators upon removal of the connector.