Control Module Inputs
Control Module Inputs^ Battery voltage +30 (A33).
^ Battery voltage +15 (A31, A22).
^ Ground (G43).
^ Speed sensor, input shaft (532).
^ Speed sensor, output shaft (533).
^ Temperature sensor, transmission fluid (535).
^ Gear selector position sensor (245).
^ Switch, SPORT (537).
^ Switch, WINTER (506).
^ Switch, up and down gear changing, pin 8 (A)
Control Module Bus Inputs
^ Bus Communication.
^ Accelerator position (Bus from the engine control system)
^ Engine torque (Bus from the engine control system)
^ Kickdown (Bus from the engine control system)
^ Engine speed (Bus from the engine control system)
^ Brake lights (Bus from TWICE) (632)
Control Module Outputs
^ Solenoid valve S1 for shifting
^ Solenoid valve S2 for shifting
^ Solenoid valve S3 for shifting
^ Solenoid valve S4 for shifting
^ Solenoid valve S5 for shifting
^ Solenoid valve SLU for lock-up
^ Solenoid valve SLT for system pressure
^ Solenoid valve SLS for clutch pressure
Control Module Bus Outputs
^ Maximum permissible torque (used by the engine control system)
^ Gear selector position (used by the engine control system and MIU) (430/600, 540)
^ Message addressed to SID (541), HIGH TRANSMISSION FLUID TEMP. (used by SID)
^ CHECK GEARBOX lamp (used by MIU) (540)
^ SPORT (used by the engine control system and MIU) (430/600, 540)
^ WINTER light (used by MIU) (540)
^ Selected gear 1 - 5 when gear changing manually, (used by MIU).
Control Module
The Transmission Control Module Primarily Controls
^ Shift points
^ System pressure
^ Engaging the Lock-up (fully engaged or slipping)
The control module has two 38 pole connectors and is located behind the glovebox in the passenger space. It is specifically programmed for each of the engine types B205E, B235E/R, D223L, or B308E and shall only be used in a Saab 9-5 together with the engine type for which it is programmed. As a spare part the control module is not programmed and consequently must be programmed for the correct engine type by means of Tech 2 and the SPS programming.
The control module receives information from a number of sensors and from other electronic systems. The information is processed and the unit controls the gear changing function according to the selected driving program (Normal, Sport, Winter or Manual).
The control module operates the gear changes by manipulating the solenoid valves S1, S2, S3, S4, and S5. These are mounted on the transmission valve housing. The control module also decides if and when the torque converter Lock-up shall be activated. This occurs when a particular combination of solenoid valve settings has been established. Three linear solenoids are mounted in the valve housing. They control Lock-up (SLU), system pressure (SLT), and clutch pressure (SLS).
The control module is continuously supplied with a voltage of +30V and is adapted for a voltage between 9 and 16V during driving. Stored diagnostic trouble codes are not erased from the memory if the voltage supply is interrupted. Communication between the TCM and the SID is with analogue signals. The TCM communicates with other systems via the BUS.
When the ignition switch is turned to the ON position, the control module is activated and turns on the CHECK GEARBOX lamp as a function check. If no faults are found, TCM will turn off the lamp after three seconds.
In the event of a fault in any of the inputs/outputs, the transmission goes into Limp-Home mode. All control module functions will then be disengaged or an emergency operation program will be activated. The car can then be driven but with limited shifting capability.
The TCM also takes into account wear in the transmission which means that even if the transmission is worn the gear changing is still smooth. In this adaptive system the TCM compares the quality of the current gear change with a gear change matrix located in the control program and "learns" the pressure and time appropriate to each gear change situation so that the gear change is comfortable. The memory for this, as with the diagnostic trouble codes, is located in an EPROM memory which means that the information is retained even if the voltage supply is interrupted. A consequence of this system design is that the TCM must be initialized with the help of Tech 2 after repairs or after replacement of the transmission or the TCM.
The control module is SPS programmable with the help of the diagnostic instrument.
When handling control modules, it is important to ground yourself first by touching the car's engine, for instance. Avoid touching the control module's connecting pins.
Control Module Power Supply
Battery voltage (+30 circuit)
Current (+30 circuit) is supplied via fuse 12 to pin 33 (A) on the control module. The control module uses this current (+30 circuit) for the bus function when the ignition key is in the OFF position (+15).
Battery Voltage (+15 circuit)
Current (+15 circuit) is supplied via fuse B to pins 31 (A) and 22 (A) on the control module. The leads are connected internally. The control module is activated by +15 current.
Diagnostics
Should the power supply drop below 9 V or exceed 16 V for at least 0.5 seconds, diagnostic trouble code P0560 will be generated and the TCM will go into Limp-Home mode.
Control Module Ground
The control module is grounded through pins 32 (A) and 23 (A) to grounding point G43. The grounding points are connected internally.
Diagnostics
If there is no ground connection, communication with the TCM will not be possible. No diagnostic trouble code is generated.
TCM in Limp-Home mode.
Input Shaft Speed Sensor
The speed sensor is mounted on the gearcase. It provides the control module with information about input shaft speed via pin 32 (B). The sensor is grounded via pin 22 (B).
The sensor, which is a Hall sensor, measures the input shaft speed after the torque converter (turbine speed) from a 12-tooth wheel (drum of clutch C1). The control module uses the frequency to calculate the input speed.
This speed information is used for the lock-up function and engine torque limitation when changing gear.
Diagnostics
Diagnostics If input speed is absent, fault code P0717 is generated and the TCM goes into limp home.
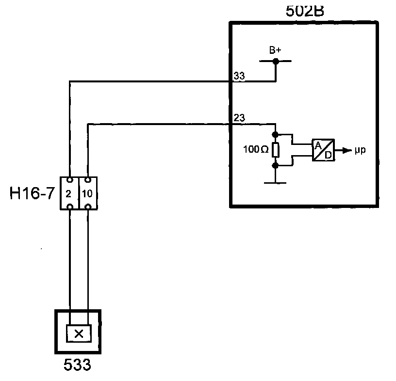
Output Shaft Speed Sensor
The speed sensor is mounted on the gearcase. It provides the control module with information about output shaft speed via pin 33 (B). The sensor is grounded via pin 23 (B).
The sensor, which is a Hall sensor, measures the output shaft speed from an 18-tooth wheel (parking lock ring gear). The control module uses the frequency of the pulses to calculate the output speed.
The TCM uses the information about the output speed and accelerator position to calculate when gear changes are to be made. The output speed is also a measure of vehicle speed. The information is used to activate lock-up.
Diagnostics
If output speed is absent, diagnostic trouble code P0722 will be generated and the TCM will go into Limp-Home mode.
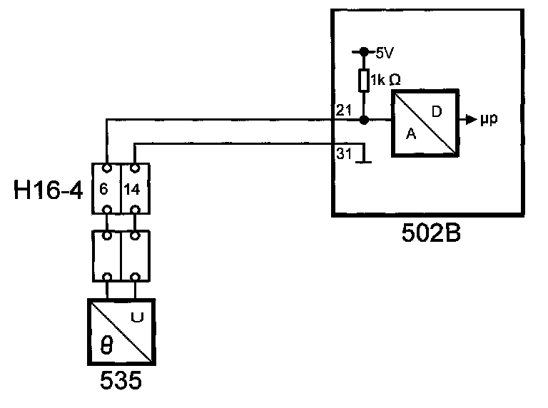
Transmission Fluid Temperature Sensor
The oil temperature sensor mounted on the valve housing gives the control module information on the current oil temperature. The sensor is a NTC-type (Negative Temperature Coefficient).
The control module measures the temperature of the gearbox oil by supplying the sensor with +5 V through a 1 kOhm resistor integrated into the control module, and out via pin 21(B). When the temperature of the oil rises the resistance in the NTC resistor decreases. This means that the flow increases and causes a voltage drop across the NTC resistor measured by TCM.
The sensor is grounded in pin 31(B).
The control module uses the oil temperature for the following purposes:
^ Control engagement and disengagement of lock-up. There will be no lock-up at temperatures below 20°C and no lock-up slip at temperatures under 40°C.
^ To control the different temperature programs.
^ To warn the driver of overheated transmission.
Diagnostics
In the event of a fault in the temperature sensor, three different diagnostic trouble codes may be generated:
^ If the temperature increases or decreases too slowly during the first 15 minutes of driving, diagnostic trouble code P0711 will be generated.
^ In the event of short to B-, diagnostic trouble code P0712 will be generated.
^ In the event of short to B+ or an open circuit, diagnostic trouble code P0713 will be generated.
Part 1:
Part 2:
Temperature program 1
If the oil temperature rises to 128°C lock-up is activated on 4th gear. With lock-up activated there is no slip in the torque converter, which means that temperature falls. The shifting points are also changed so that changing up takes place at higher engine speeds and changing down at lower engine speeds than in the normal program.
Temperature program 1 does not function when:
^ Winter program is selected
^ Limp Home is activated
Is disengaged when:
^ The temperature has fallen to 120°C
Temperature program 2
If the oil temperature rises to 135°C lock-up is activated on 3rd gear. A lower gear is then selected in order to minimize a rise in temperature. With lock-up activated there is no slip in the torque converter, which means that temperature falls.
Temperature program 2 does not function when:
^ Limp Home is activated
Is disengaged when:
^ The temperature has fallen to 130°C
^ The Limp Home mode has been entered
^ The temperature has fallen to 135°C
If the temperature rises to 145°C a reduction of engine torque to 200 Nm takes place.
If the temperature rises to above 155°C for more than 10 seconds then diagnostic trouble code P0218 is registered. A bus message "TRANSMISSION OVERHEATING", is sent from TCM, this is shown in the SID display.
Bus Messages, TCM
For further information on the bus, see System overview, bus and diagnostics communication, petrol
Part 1:
Part 2:
The TCM uses the following information:
Part 1:
The TCM sends the following information:
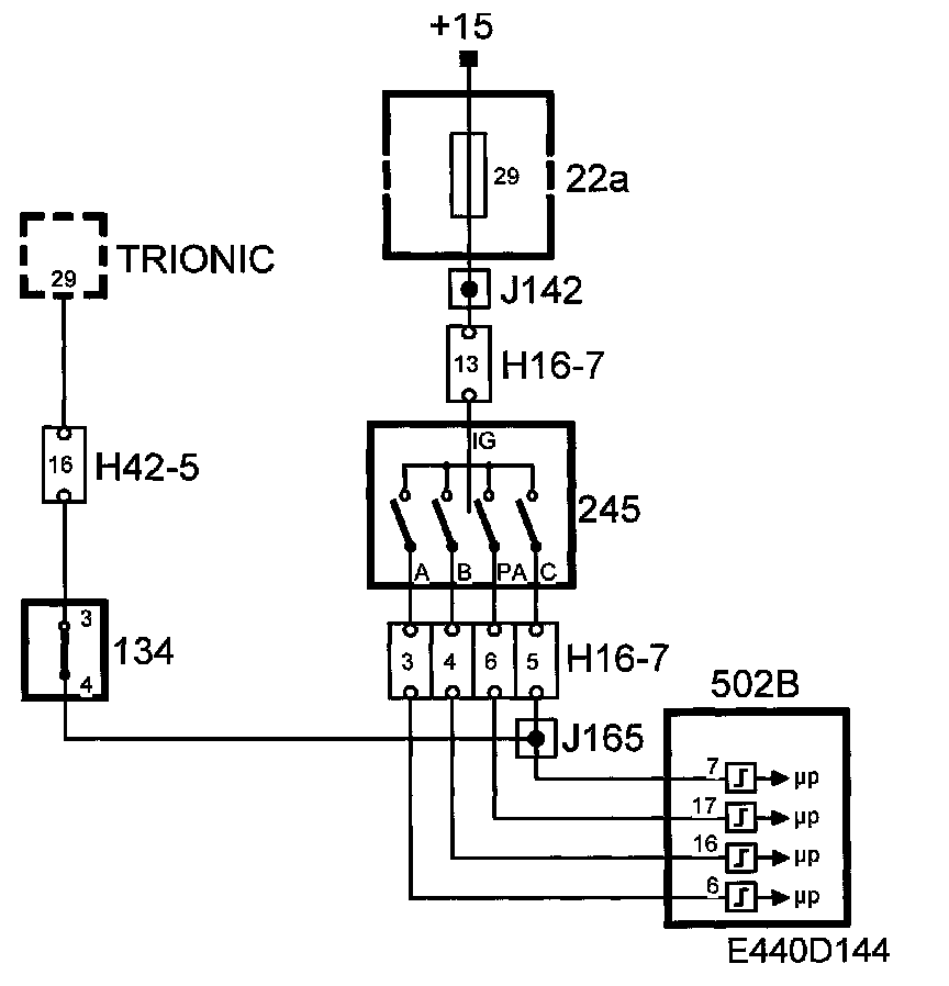
Gear Selector Position Sensor - Gear Engaged
The gear selector position sensor is mounted on the transmission casing. It contains the reversing light switch, starting interlock switch and switches which tell the control module which gear is engaged.
The gear selector position sensor is a position switch that is supplied with current via the +15 circuit. A number of slip contacts supply the sensor's outputs with current. Combinations of the A, B. C and PA terminals correspond to the current selector lever position. The slip contacts may be either closed (=ON) or open (=OFF).
The following table shows the relationship between the gear selector position sensor's internal terminals (A, B, C and PA) and the pins of connector H16-7 and those of the transmission control module.
To ensure that the control module receives accurate information, it is important for the sensor to be correctly adjusted. Special tool 87 92 467 should be used for adjusting the sensor.
Diagnostics
A gear position fault will generate diagnostic trouble code P0705
If the diagnostic trouble code is generated the transmission goes into the limp-home mode.