Upper Intake Manifold Sight Shield Replacement
Upper Intake Manifold Sight Shield Replacement
Removal Procedure
1. Loosen intake manifold sight shield wing nut.
2. Gently lift up in order to disengage the sight shield from the ball stud.
3. Remove the sight shield from the sight shield retainer.
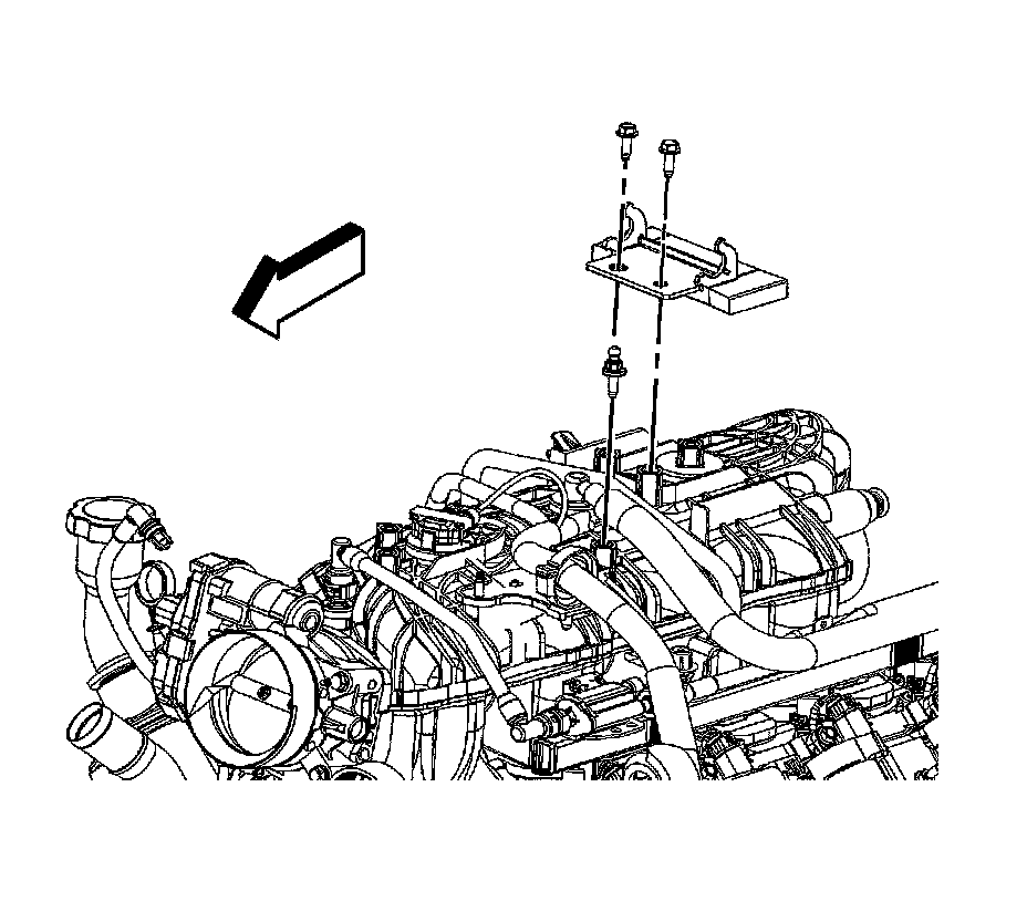
4. Remove the sight shield retainer bolts and the retainer, if required.
5. Remove the sight shield ball stud, if required.
Installation Procedure
Notice: Refer to Fastener Notice (Fastener Notice).
1. Install the sight shield ball stud, if required.
Tighten the stud to 5 Nm (44 in. lbs.).
2. Position the sight shield retainer to the intake manifold and install the bolts, if required.
Tighten the bolts to 3 Nm (26 in. lbs.).
Notice: Use care when installing the engine sight shield to avoid contacting the manifold absolute pressure (MAP) sensor wire harness connector. Loss of engine performance or engine damage may result.
3. Install the sight shield to the sight shield retainer.
4. Seat the sight shield onto the ball stud and press down over the stud in order to secure the sight shield.
5. Tighten intake manifold sight shield wing nut until snug.