Engine Control Module: Service and Repair
Engine Control Module Replacement
Service of the engine control module (ECM) should consist of either replacement of the ECM or programming of the electrically erasable programmable read only memory (EEPROM). If the diagnostic procedures call for the ECM to be replaced, the replacement ECM should be checked to ensure that the correct part is being used. If the correct part is being used, remove the faulty ECM and install the new service ECM. The replacement ECM must be programmed.
Notice:
* Turn the ignition OFF when installing or removing the control module connectors and disconnecting or reconnecting the power to the control module (battery cable, powertrain control module (PCM)/engine control module (ECM)/transaxle control module (TCM) pigtail, control module fuse, jumper cables, etc.) in order to prevent internal control module damage.
* Control module damage may result when the metal case contacts battery voltage. DO NOT contact the control module metal case with battery voltage when servicing a control module, using battery booster cables, or when charging the vehicle battery.
* In order to prevent any possible electrostatic discharge damage to the control module, do no touch the connector pins or the soldered components on the circuit board.
* Remove any debris from around the control module connector surfaces before servicing the control module. Inspect the control module connector gaskets when diagnosing or replacing the control module. Ensure that the gaskets are installed correctly. The gaskets prevent contaminant intrusion into the control module.
* The replacement control module must be programmed.
Important: It is necessary to record the remaining engine oil life. If the replacement module is not programed with the remaining engine oil life, the engine oil life will default to 100 percent. If the replacement module is not programmed with the remaining engine oil life, the engine oil will need to be changed at 5 000 km (3,000 mi) from the last engine oil change.
Removal Procedure
1. Using a scan tool, retrieve the percentage of remaining engine oil. Record the remaining engine oil life.
2. Disconnect the negative battery cable. Refer to Battery Negative Cable Disconnection and Connection (Service and Repair).
3. Disconnect the cooling fan electrical connector for additional clearance while removing the ECM.
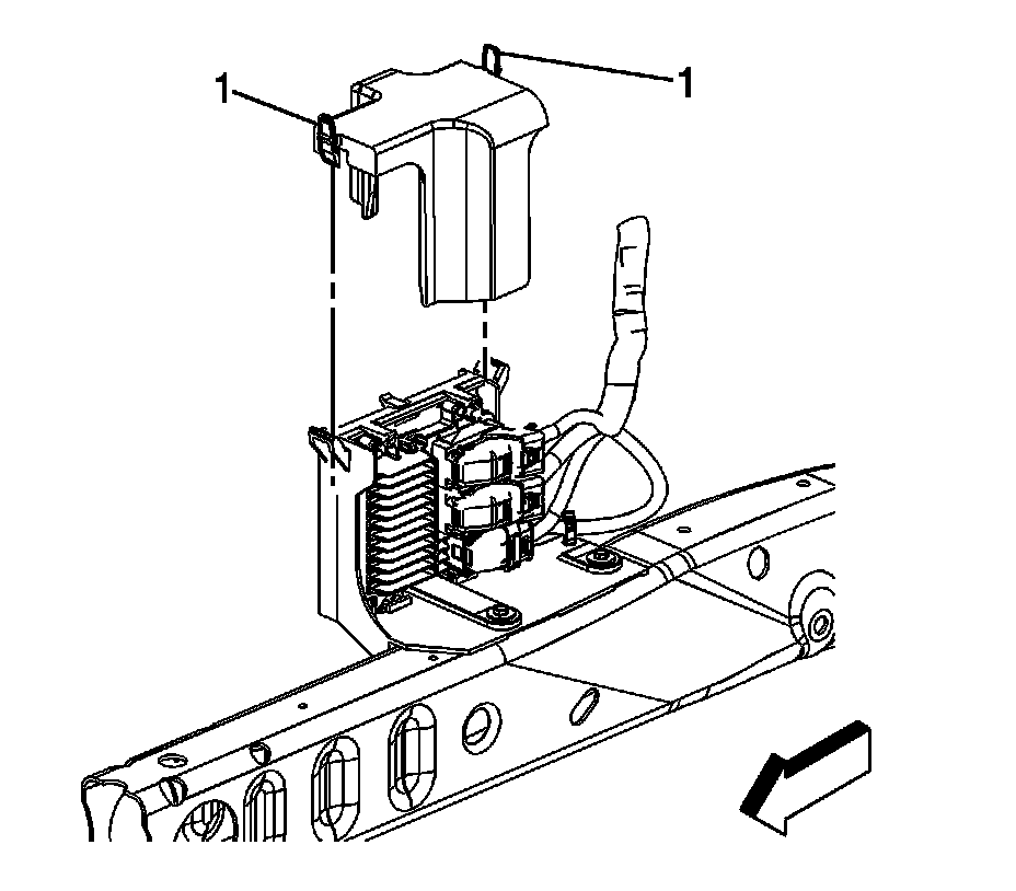
4. Squeeze the ECM/transmission control module (TCM) cover upper retainers (1) in.
5. Remove the ECM/TCM cover.
Notice: Refer to Handling Electrostatic Discharge Sensitive Parts Notice (Handling Electrostatic Discharge Sensitive Parts Notice).
Important:
* It is not necessary to disconnect the ECM electrical connectors in order to remove the ECM from the ECM/TCM bracket. Only disconnect the electrical connectors if servicing of component requires disconnecting of the electrical connectors.
* Remove any debris from around the ECM connector surfaces before servicing the ECM. Inspect the ECM module connector gaskets when diagnosing or replacing the ECM. Ensure that the gaskets are installed correctly. The gaskets prevent contaminant intrusion into the ECM.
6. Disconnect the engine wiring harness electrical connectors from the ECM.
7. Release the ECM/TCM bracket upper retainers (1).
8. Tilt the ECM away from the bracket and remove the ECM.
9. If replacement of the ECM/TCM bracket is required, remove the TCM.
10. Remove the ECM/TCM bracket retaining bolts (2).
11. Remove the ECM/TCM bracket (1) from the vehicle frame.
Installation Procedure
1. If the ECM/TCM bracket (1) was previously removed, install the ECM/TCM bracket (1) to the vehicle frame.
2. Install the ECM/TCM bracket retaining bolts (2).
Notice: Refer to Fastener Notice (Fastener Notice).
3. Tighten the ECM/TCM bracket bolts.
Tighten the bolts to 10 Nm (89 in. lbs.).
4. Install the TCM.
5. Insert the ECM into the retaining slots of the ECM/TCM bracket.
6. Secure the ECM to the bracket ensuring that the ECM retaining tabs (1) are fully engaged.
7. Connect the engine wiring harness electrical connectors to the ECM.
8. Install the ECM/TCM cover.
9. Ensure the ECM/TCM cover retainers (1) are fully engaged to the ECM/TCM bracket.
10. Connect the cooling fan electrical connector.
11. Connect the negative battery cable. Refer to Battery Negative Cable Disconnection and Connection (Service and Repair).
12. If the ECM was replaced the replacement ECM must be programmed. Refer to Control Module References (Control Module References).