Positive: Service and Repair
Battery Positive Cable Replacement (5.3L Engine)
Removal Procedure
1. Disconnect the battery negative cable. Refer to Battery Negative Cable Disconnection and Connection (Service and Repair).
2. Loosen the battery positive cable bolt.
3. Remove the positive battery cable (1) from the battery.
4. Loosen the positive battery cable terminal bolt (1) at the junction block.
5. Remove the positive battery cable terminal (2) from the junction block.
6. Reposition the positive battery cable boot (2).
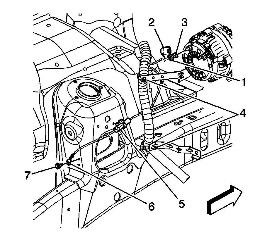
7. Remove the positive battery cable nut (1).
8. Remove the positive battery cable terminal (3) from the generator.
9. Open the clips (4) on the retaining brackets.
10. Remove the engine protection shield. Refer to Engine Protection Shield Replacement (Engine Protection Shield Replacement).
11. Remove the positive battery cable channel bolt (3).
12. Remove the positive battery cable channel locating pin (4) from the oil pan.
13. Remove the positive battery cable terminal nut (2) from the starter.
14. Remove the positive battery cable terminal (3).
15. Remove the positive battery cable clip (1) from the bracket.
16. Remove the positive battery cable from the conduit.
Installation Procedure
1. Install the positive battery cable to the conduit.
2. Install the positive battery cable terminal (3).
Notice: Refer to Fastener Notice (Fastener Notice).
3. Install the positive battery cable terminal nut (2) to the starter.
Tighten the nut to 9 Nm (80 in. lbs.).
4. Install the positive battery cable clip (1) to the bracket.
5. Install the positive battery cable channel locating pin (4) to the oil pan.
6. Install the positive battery cable channel bolt (3).
Tighten the bolt to 12 Nm (106 in. lbs.).
7. Install the engine protection shield. Refer to Engine Protection Shield Replacement (Engine Protection Shield Replacement).
8. Install the positive battery cable terminal (3) to the generator.
9. Install the positive battery cable nut (1).
Tighten the nut to 9 Nm (80 in. lbs.).
10. Position the positive battery cable boot (2).
11. Close the clips (4) on the retaining brackets.
12. Install the positive battery cable terminal (2) to the junction block.
13. Tighten the positive battery cable terminal bolt (1) at the junction block.
Tighten the bolt to 10 Nm (89 in. lbs.).
14. Position the positive battery cable (1) to the battery.
15. Tighten the battery positive cable bolt.
Tighten the bolt to 15 Nm (11 ft. lbs.).
16. Connect the battery negative cable. Refer to Battery Negative Cable Disconnection and Connection (Service and Repair).