Operation CHARM: Car repair manuals for everyone.
Manuals through 2025 now available!

Our trusted friends have launched a new website named LEMON, which has newer manuals. It also contains all the CHARM manuals.

LEMON is the spiritual successor to CHARM, I recommend you try it!

Link: lemon-manuals.la or lemon-manuals.org.ua

(Some people have issue connecting. LEMON is investigating. For now, use Firefox or change your DNS server)

Or, hide this message: temporarily or permanently

Initial Inspection and Diagnostic Overview

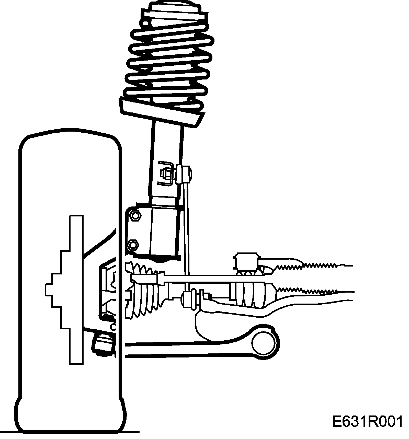
Checking and adjustment before wheel alignment
If it is suspected that the alignment of the wheels is incorrect (as indicated by the car pulling to one side, abnormal tire wear, imprecise steering and inferior roadholding, etc.), the following procedures should be followed:





1. Check the tire pressures.
2. Check the wheels, front wheel bearings, suspension arm mountings, steering swivel member ball joints, coil springs and inboard and outboard track-rod ends. Adjust or replace any defective parts as necessary to eliminate fault symptoms caused by worn components.
3. Inspect the dampers and replace any that might be defective, together with any worn bushes.
4. If the car has been involved in a collision, has run off the road or the like, any resulting damage must be repaired before checking wheel alignment.
5. To avoid misleading results when using wheel alignment equipment, rock the car vigorously a few times before starting to check the alignment. When checking wheel alignment, the car should be unladen with nobody inside it but with a full tank of fuel. It should stand on a smooth and level surface. A variety of wheel-alignment equipment is available for mounting on the wheel rim or directly on the stub axle. For the correct use of such equipment, refer to the manufacturer's instructions.