Operation CHARM: Car repair manuals for everyone.
Manuals through 2025 now available!

Our trusted friends have launched a new website named LEMON, which has newer manuals. It also contains all the CHARM manuals.

LEMON is the spiritual successor to CHARM, I recommend you try it!

Link: lemon-manuals.la or lemon-manuals.org.ua

(Some people have issue connecting. LEMON is investigating. For now, use Firefox or change your DNS server)

Or, hide this message: temporarily or permanently

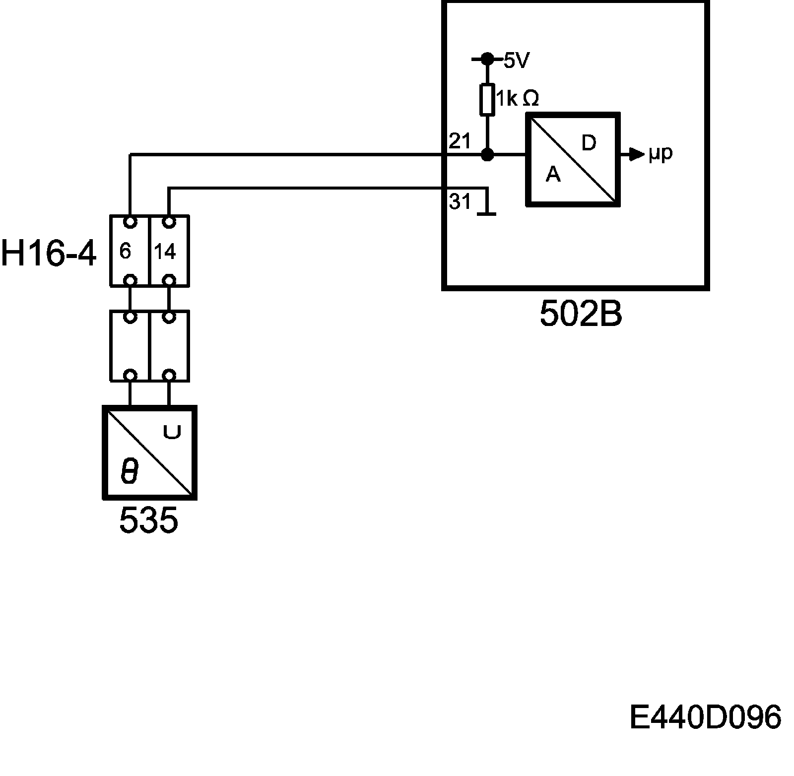
Transmission Temperature Sensor/Switch: Testing and Inspection

Transmission fluid temperature sensor
The oil temperature sensor mounted on the valve housing gives the control module information on the current oil temperature. The sensor is a NTC-type (Negative Temperature Coefficient).

The control module measures the temperature of the gearbox oil by supplying the sensor with +5 V through a 1 kOhm resistor integrated into the control module, and out via pin 21 (B). When the temperature of the oil rises the resistance in the NTC resistor decreases. This means that the flow increases and causes a voltage drop across the NTC resistor measured by TCM.

The sensor is grounded in pin 31 (B).

The control module uses the oil temperature for the following purposes:
^ Control engagement and disengagement of lock-up. There will be no lock-up at temperatures below 20 degrees C and no lock-up slip at temperatures under 40 degrees C.
^ To control the different temperature programs.
^ To warn the driver of overheated transmission.





Diagnostics
In the event of a fault in the temperature sensor, three different diagnostic trouble codes may be generated:
^ If the temperature increases or decreases too slowly during the first 15 minutes of driving, diagnostic trouble code P0711 will be generated.
^ In the event of short to B-, diagnostic trouble code P0712 will be generated.
^ In the event of short to B+ or an open circuit, diagnostic trouble code P0713 will be generated.








Temperature program 1
If the oil temperature rises to 128 degrees C lock-up is activated on 4th gear. With lock-up activated there is no slip in the torque converter, which means that temperature falls. The shifting points are also changed so that changing up takes place at higher engine speeds and changing down at lower engine speeds than in the normal program.

Temperature program 1 does not function when:
^ Winter program is selected
^ Limp Home is activated

Is disengaged when:
^ The temperature has fallen to 120 degrees.

Temperature program 2
If the oil temperature rises to 135 degrees C lock-up is activated on 3rd gear. A lower gear is then selected in order to minimize a rise in temperature. With lock-up activated there is no slip in the torque converter, which means that temperature falls.

Temperature program 2 does not function when:
^ Limp Home is activated

Is disengaged when:
^ The temperature has fallen to 130 degrees.
^ The Limp Home mode has been entered
^ The temperature has fallen to 135 degrees.

If the temperature rises to 145 degrees C a reduction of engine torque to 200 Nm takes place.

If the temperature rises to above 155 degrees C for more than 10 seconds then diagnostic trouble code P0218 is registered. A bus message "TRANSMISSION OVERHEATING", is sent from TCM, this is shown in the SID display.