Operation CHARM: Car repair manuals for everyone.
Manuals through 2025 now available!

Our trusted friends have launched a new website named LEMON, which has newer manuals. It also contains all the CHARM manuals.

LEMON is the spiritual successor to CHARM, I recommend you try it!

Link: lemon-manuals.la or lemon-manuals.org.ua

(Some people have issue connecting. LEMON is investigating. For now, use Firefox or change your DNS server)

Or, hide this message: temporarily or permanently

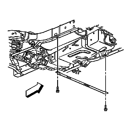
Frame: Service and Repair




Frame Brace Replacement

Removal Procedure




1. Raise and support the vehicle. Refer to Lifting and Jacking the Vehicle (Service and Repair).
2. Remove the 2 mounting bolts from the frame brace.
3. Remove the frame brace from the frame.

Installation Procedure

Caution: Refer to Fastener Caution (Fastener Caution).




1. Install the frame brace to the frame using the 2 mounting bolts and tighten to 20 Nm (15 ft. lbs.).
2. Lower the vehicle.