Operation CHARM: Car repair manuals for everyone.
Manuals through 2025 now available!

Our trusted friends have launched a new website named LEMON, which has newer manuals. It also contains all the CHARM manuals.

LEMON is the spiritual successor to CHARM, I recommend you try it!

Link: lemon-manuals.la or lemon-manuals.org.ua

(Some people have issue connecting. LEMON is investigating. For now, use Firefox or change your DNS server)

Or, hide this message: temporarily or permanently

Manifold Pressure/Vacuum Sensor: Service and Repair




Manifold Absolute Pressure Sensor Replacement

Removal Procedure




1. Remove the intake manifold sight shield. Refer to Upper Intake Manifold Sight Shield Replacement (Upper Intake Manifold Sight Shield Replacement).
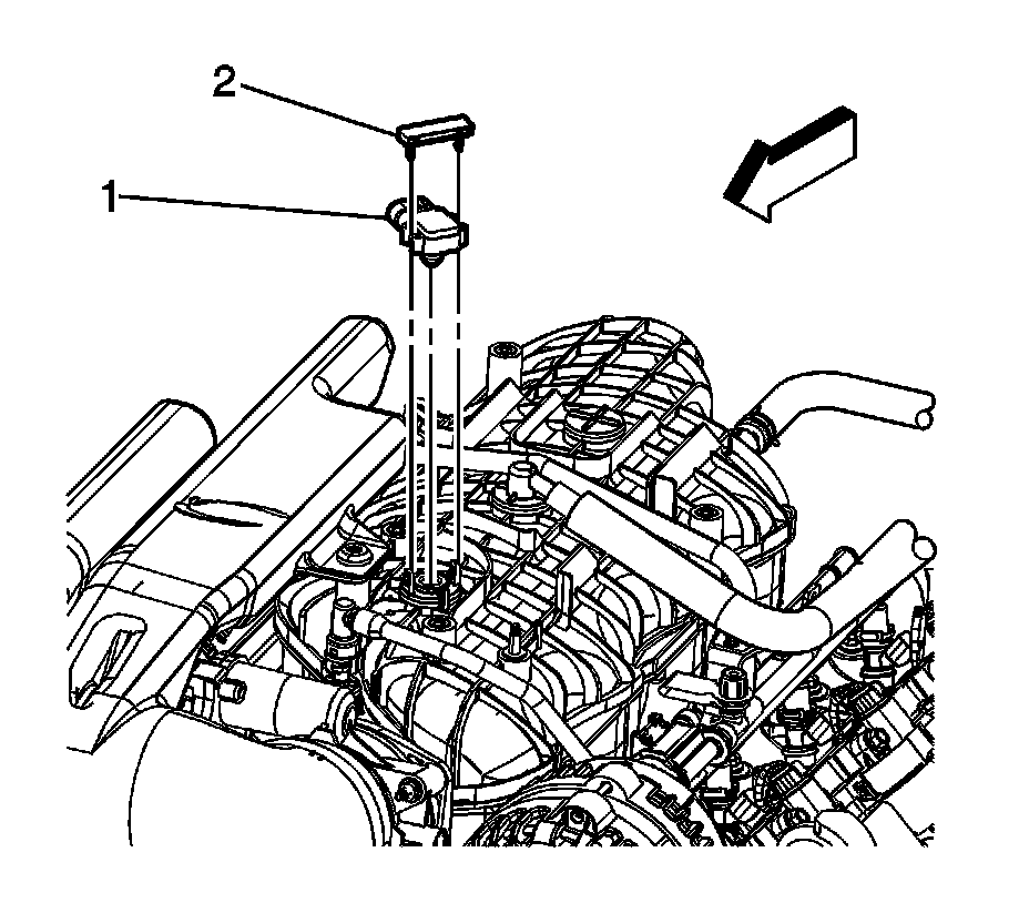
2. Disconnect the manifold absolute pressure (MAP) sensor electrical connector (3).




3. Remove the MAP sensor retaining clip (2) from the intake manifold.
4. Remove the MAP sensor (1) from the intake manifold.

Installation Procedure

Important: Lightly coat the MAP sensor seal with clean engine oil before installing the sensor.





1. Install the MAP sensor (1). Push the MAP sensor into the intake manifold.
2. Install the MAP sensor retainer (2) to the intake manifold.




3. Connect the MAP sensor electrical connector (3).
4. Install the intake manifold sight shield. Refer to Upper Intake Manifold Sight Shield Replacement (Upper Intake Manifold Sight Shield Replacement).