Operation CHARM: Car repair manuals for everyone.
Manuals through 2025 now available!

Our trusted friends have launched a new website named LEMON, which has newer manuals. It also contains all the CHARM manuals.

LEMON is the spiritual successor to CHARM, I recommend you try it!

Link: lemon-manuals.la or lemon-manuals.org.ua

(Some people have issue connecting. LEMON is investigating. For now, use Firefox or change your DNS server)

Or, hide this message: temporarily or permanently

Catalytic Converter: Service and Repair

Catalytic Converter Replacement (LAU/A28NER)

Removal Procedure

1. Remove the fuel injector sight shield.
2. Disconnect the negative battery cable.
3. Drain the cooling system.
4. Raise and support the vehicle.
5. Remove the propeller shaft.

6. Note
Do NOT remove the exhaust system.

Remove exhaust front pipe.
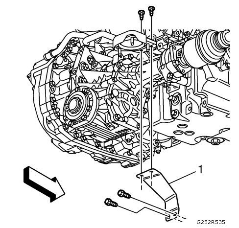
7. Remove the catalytic converter brace (1).





8. Lower the vehicle.
9. Remove the battery tray.
10. Remove the engine coolant air bleed pipe.
11. Remove the turbocharger coolant return pipe and hose (1).





12. Remove the power brake booster heat shield.
13. Remove the catalytic converter front heat shield (1).





14. Remove the transmission heat shield (1).





15. Remove the heated oxygen sensor 1.
16. Remove the heated oxygen sensor 2.
17. Remove the catalytic converter (1).





Installation Procedure

1. Install the catalytic converter (1) and tighten to 20 Nm (15 lb ft).





2. Install the heated oxygen sensor 2.
3. Install the heated oxygen sensor 1.
4. Install the gearbox heat shield bolts (1) and tighten to 8 Nm (71 lb in).





5. Install the catalytic converter's front heat shield (1) and tighten to 8 Nm (71 lb in).





6. Install the power brake booster heat shield.
7. Install the for turbocharger coolant return pipe and hose (1) and tighten to 30 Nm (22 lb ft).





8. Install the engine coolant air bleed pipe.
9. Install the battery tray.
10. Raise the vehicle.
11. Install the catalytic converter bracket (1) and tighten to 20 Nm (15 lb ft).





12. Install the exhaust front pipe.
13. Install the propeller shaft.
14. Connect the negative battery cable.
15. Install the fuel injector sight shield.
16. Fill the cooling system.