Operation CHARM: Car repair manuals for everyone.
Manuals through 2025 now available!

Our trusted friends have launched a new website named LEMON, which has newer manuals. It also contains all the CHARM manuals.

LEMON is the spiritual successor to CHARM, I recommend you try it!

Link: lemon-manuals.la or lemon-manuals.org.ua

(Some people have issue connecting. LEMON is investigating. For now, use Firefox or change your DNS server)

Or, hide this message: temporarily or permanently

Ignition Module Assembly - No Key Available

REMOVAL
1. Disconnect battery ground cable.
2. Remove steering wheel as follows:
a. Pull on edge of horn pad to release from steering wheel.
b. Disconnect electrical wires and remove horn pad.
c. Remove clip on end of steering column shaft, then remove steering wheel retaining nut.
d. Attach steering wheel puller tool and remove wheel from column.

3. Remove two screws and upper steering column cover.
4. Remove ignition lock bezel. Remove two screws and the lower steering column cover.

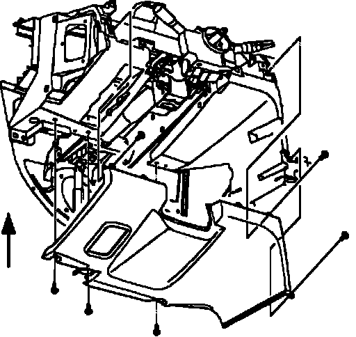
Fig. 1 Lower Trim Panel Removal:




5. Remove left and right lower trim panel extensions by disconnecting lower velcro fasteners and pulling panels out of two upper fasteners, Fig. 1.

Fig. 2 Center Trim Plate Removal:




6. Remove center trim plate by pulling on bottom to disengage lower fasteners, then pull top of trim plate to disengage upper fasteners, Fig. 2.
7. Remove trim panel extension strip by pulling out at fastener locations.
8. Remove both upper trim panel screw caps, then remove two screws and lift panel to disengage six clips at rear edge.

Fig. 3 Upper Trim Panel Removal:




9. Slide panel out of three clips at windshield and remove upper panel. Remove trim panel extension strip by pulling out at fastener locations, Fig. 3.

Fig. 4 Cluster Trim Panel Removal:




10. Remove four screws and lift cluster trim panel to disengage rear retainers, Fig. 4. Disconnect harness from rear window defroster and thermostat switches, then remove trim panel.

Fig. 5 Steering Column Opening Filler Removal:




11. Remove six screws to remove steering column opening filler assembly, Fig. 5.
12. Remove connector position assurance (CPA) device and disconnect wires from lower control switch.
13. Disconnect lever control switch connector, then disconnect ignition switch from ignition module.
14. Remove two upper steering column bolts. Carefully lower steering column onto front seat.
15. Remove upper bolt from intermediate shaft and disconnect shaft from column.

16. On Coupe models, disconnect handwheel sensor electrical sensor.
17. On all models, remove two bolts to disconnect steering column at hinge point.
18. Remove steering column from vehicle.

19. On Coupe models, remove handwheel sensor from lower steering column support bracket by releasing both sensor locking tabs and remove sensor from column.
20. On all models, position steering column in a vise at the upper bracket. Using a center punch, mark center of shear bolts on ignition module assembly.
21. Drill a small hole (1/8 inch) in shear bolts at the center mark. Remove shear bolts with a screw extractor. Remove ignition module assembly and clamp from column.

INSTALLATION
1. Using new shear bolts, install ignition module onto steering column.
Tighten shear bolts until heads break off.

2. On Coupe models, install handwheel sensor onto steering column. Position electrical connector to top of column and attach to lower support bracket by snapping sensor locking tabs into bracket.
3. On all models, install steering column at hinge point.
4. Connect intermediate shaft.
Torque bolt to 33 ft.lbs.

5. On Coupe models, connect handwheel sensor electrical sensor.
6. On all models, raise steering column up to instrument panel and install two bolts.
Torque to 26 ft.lbs.

7. Install lever control switch by fitting into bottom locating holes on ignition module. Tighten lower screw first to ensure correct location.
8. Install ignition switch to ignition module.
9. Install steering column opening filler.
10. Install cluster trim panel.
11. Install instrument panel top cover. Use six new clips.
12. Install trim panel extension strip, center trim plate and lower trim panel extensions.
13. Install steering column covers.
14. Install steering wheel.
Torque retaining nut to 30 ft.lbs.

15. Connect battery ground cable.