Operation CHARM: Car repair manuals for everyone.
Manuals through 2025 now available!

Our trusted friends have launched a new website named LEMON, which has newer manuals. It also contains all the CHARM manuals.

LEMON is the spiritual successor to CHARM, I recommend you try it!

Link: lemon-manuals.la or lemon-manuals.org.ua

(Some people have issue connecting. LEMON is investigating. For now, use Firefox or change your DNS server)

Or, hide this message: temporarily or permanently

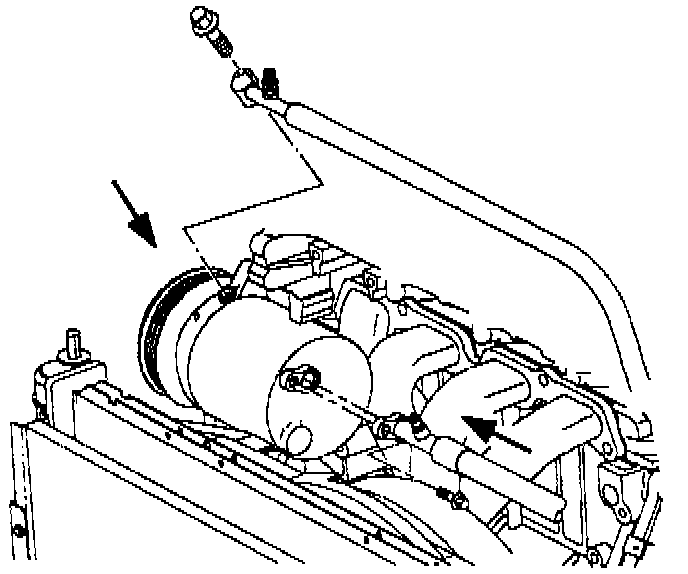
Compressor Replacement

REMOVAL

NOTICE: When servicing the compressor keep dirt and foreign material from getting on or into the compressor parts and system. Clean tools and clean work area are important for proper service. The compressor connections and the outside of the compressor should be cleaned before any on car repairs, or before removal of the compressor. The parts must be kept clean at all times and any parts to be assembled should be cleaned with a non-petroleum based solvent and dried with air. Use only lint free cloths to wipe parts. Do not allow solvent to enter compressor or hoses.

1. Disconnect negative battery cable.
2. Recover refrigerant using an approved refrigerant recovery system. Measure the amount of oil lost during recovery and record.

IMPORTANT: Add the recorded amount of new Saturn PAG compressor oil before charging the system.





3. On DOHC (LLO) engine, remove air induction duct.





4. Remove accessory drive belt from compressor clutch pulley by rotating belt tensioner clockwise.
5. Disconnect compressor clutch CPA and electrical connector.

CAUTION: DO NOT REMOVE HOSES BEFORE SYSTEM IS FULLY DISCHARGED.





6. Disconnect suction and discharge hoses at compressor.
7. Install plastic bags on the open end of the low and high side hoses.





8. Remove the rear compressor to bracket bolts





9. Remove the front compressor to bracket bolts.
10. Remove compressor.

IMPORTANT: Keep compressor level during removal to avoid any oil loss from the low or high side ports.

INSTALLATION

IMPORTANT: Keep compressor level during installation to avoid any oil loss from the low or high side ports.





1. Install compressor to front bracket with three bolts. Finger tighten only.
2. Install compressor to rear bracket with three bolts. Tighten front and rear bolts to specifications.

Front Bolts:
Torque: 49 N.m (36 ft-lbs)

Rear Bolts:
Torque: 25 N.m (19 ft-lbs)





3. Remove plugs or plastic bags from suction and discharge hoses. Lubricate and install new O-rings.
4. Install hoses to the compressor low and high side ports. Tighten bolts to specifications.

Suction Hose:
Torque: 25 N.m (19 ft-lbs)

Discharge Hose:
Torque: 25 N.m (19 ft-lbs)





5. Connect compressor clutch electrical connector and CPA.
6. Install accessory drive belt.
7. Connect negative battery cable.
8. Set clock to proper time.
9. On DOHC (LLO) engine install air induction duct.
10. Evacuate, charge, and leak test A/C system.
12. Run A/C performance test.