Operation CHARM: Car repair manuals for everyone.
Manuals through 2025 now available!

Our trusted friends have launched a new website named LEMON, which has newer manuals. It also contains all the CHARM manuals.

LEMON is the spiritual successor to CHARM, I recommend you try it!

Link: lemon-manuals.la or lemon-manuals.org.ua

(Some people have issue connecting. LEMON is investigating. For now, use Firefox or change your DNS server)

Or, hide this message: temporarily or permanently

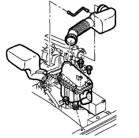
Fluid Filter - A/T: Service and Repair

NOTICE: To insure that all sediment within the transaxle is suspended in the fluid, the fluid should only be drained after it has reached a normal operating temperature of 88° - 93°C (190° - 200°F). Normal operating temperature is reached after approximately 24 km (15 miles) of highway driving.

CAUTION: Make sure vehicle is properly supported and squarely positioned on hoist. To help avoid personal injury when a vehicle is on a hoist, provide additional support for the vehicle on the opposite end from which components are being removed.





1. Position vehicle on hoist and raise vehicle.
2. Drain fluid with vehicle level and engine off. Allow at least five minutes for the fluid to drain completely.

NOTICE: Clean drain plug and lubricate with clean Saturn Transaxle Fluid. Wipe off excess fluid and install.





3. Install drain plug and torque to specification.

IMPORTANT: Check for any damage to the rubber seal and replace as necessary.

Torque: 30 Nm (22 ft. lbs.)





4. Lower vehicle and remove air induction system and air filter box.





5. Remove filter using nylon strap-type filter wrench.
6. Remove magnet from filter.
7. Wipe magnet clean and install on new filter.

NOTICE: Install filter by hand. Do not use any type of tool that will scratch, dent or damage filter. If the filter is damaged in any way, it must be replaced with a new filter.

8. Lube new filter seal with transaxle fluid and install filter.

Torque: Follow tightening instructions on the filter label.

9. Install air filter box, if removed.

Torque: 10 Nm (89 inch lbs.)

10. Install air induction system.

IMPORTANT: Fill transaxle slowly or use a vented funnel.

11. Refill transaxle using Saturn Transaxle Fluid to the specified initial refill capacity.
12. Start engine, warm up transaxle, and check for leaks.
13. Bring transaxle up to normal operating temperature and check for proper fluid level. Refer to "Transaxle Fluid Level" checking procedures.