Operation CHARM: Car repair manuals for everyone.
Manuals through 2025 now available!

Our trusted friends have launched a new website named LEMON, which has newer manuals. It also contains all the CHARM manuals.

LEMON is the spiritual successor to CHARM, I recommend you try it!

Link: lemon-manuals.la or lemon-manuals.org.ua

(Some people have issue connecting. LEMON is investigating. For now, use Firefox or change your DNS server)

Or, hide this message: temporarily or permanently

Expansion Valve: Service and Repair

REMOVAL

1. Recover refrigerant using an approved refrigerant recovery system.

NOTICE: Verifying the purity of the refrigerant with a refrigerant purity identifier before recovery is recommended.

CAUTION: DO NOT REMOVE HOSES OR LINES BEFORE SYSTEM IS FULLY DISCHARGED.





2. Remove air cleaner cover and air induction hose at intake manifold.





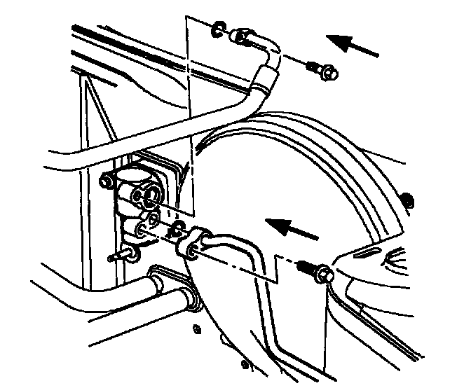
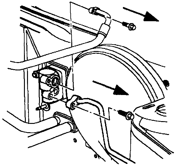
3. Remove suction hose from TXV.
4. Remove liquid line from TXV.





5. Remove TXV from evaporator.

INSTALLATION

1. Lubricate with R-12 Refrigerant oil (mineral) and install new O-rings on evaporator pipes. Remove protective covers from TXV.





2. Install TXV on evaporator and torque bolts.

Torque: 10 N.m (89 in-lbs)





NOTICE: Use only R-12 Refrigerant oil (mineral) to lubricate O-rings. Use of R-134a (PAG) oil will cause premature corrosion of fitting joints.

3. Lubricate with R-12 Refrigerant oil (mineral) and install new O-rings on suction hose and liquid line.
4. Install liquid line to TXV Install and torque bolt.

Torque: 25 N.m (19 ft-lbs)

5. Install suction hose to TXV Install and torque bolt.

Torque: 25 N.m (19 ft-lbs)





6. Install air cleaner cover and air induction hose.
7. Evacuate, charge, and leak test A/C system.
8. Run system performance test.