Operation CHARM: Car repair manuals for everyone.
Manuals through 2025 now available!

Our trusted friends have launched a new website named LEMON, which has newer manuals. It also contains all the CHARM manuals.

LEMON is the spiritual successor to CHARM, I recommend you try it!

Link: lemon-manuals.la or lemon-manuals.org.ua

(Some people have issue connecting. LEMON is investigating. For now, use Firefox or change your DNS server)

Or, hide this message: temporarily or permanently

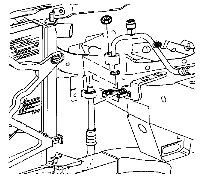
Liquid Line

LIQUID LINE

REMOVAL




1. Disconnect negative battery cable.

IMPORTANT: Verifying the purity of the refrigerant with a purity identifier before recovery is recommended.

2. Recover refrigerant using an approved refrigerant recovery system. Measure the amount of oil removed during recovery and record.




3. Remove liquid line to suction/liquid line assembly nut.
4. Remove liquid line and seal washer from suction/liquid line assembly.
5. Install cap on suction/liquid line assembly to prevent moisture entry and oil spillage.
6. Release liquid line from rail clamp.

CAUTION: MAKE SURE VEHICLE IS PROPERLY SUPPORTED AND SQUARELY POSITIONED. TO HELP AVOID PERSONAL INJURY WHEN A VEHICLE IS ON A HOIST; PROVIDE ADDITIONAL SUPPORT FOR THE VEHICLE ON THE OPPOSITE END FROM WHICH COMPONENTS ARE BEING REMOVED.




7. Raise vehicle.

CAUTION: DO NOT REMOVE HOSES OR LINES BEFORE SYSTEM IS FULLY DISCHARGED.

8. Remove liquid line-to-condenser block bolt.




9. Remove liquid line from condenser clamps.




10. Remove liquid line and seal washer from condenser block and remove.
11. Install plug into condenser block to prevent moisture entry and oil spillage.

INSTALLATION




1. Add any PAG oil that was removed during discharge to liquid line.

NOTE: Do not lubricate seal washers.

IMPORTANT: Always install new seal washers.

2. Install new seal washer onto liquid line.
3. Remove condenser block plug and install liquid line to condenser block.




4. Install liquid line into condenser clamps. Tighten fasteners.

Torque: 20 N.m (15 ft-lbs)




5. Hand start liquid line-to-condenser block bolt.

Torque: 20 N.m (15 ft-lbs)




6. Lower vehicle.
7. Remove suction/liquid line cap and install new seal washer.
8. Install liquid line to suction/liquid line assembly and hand start nut.
9. Install liquid line into inner rail clamp and close.

Torque: 12 N.m (106 in-lbs)

10. Connect negative battery cable.

Torque: 17 N.m (151 in-lbs)

11. Evacuate, charge, and leak check the A/C system.