Operation CHARM: Car repair manuals for everyone.
Manuals through 2025 now available!

Our trusted friends have launched a new website named LEMON, which has newer manuals. It also contains all the CHARM manuals.

LEMON is the spiritual successor to CHARM, I recommend you try it!

Link: lemon-manuals.la or lemon-manuals.org.ua

(Some people have issue connecting. LEMON is investigating. For now, use Firefox or change your DNS server)

Or, hide this message: temporarily or permanently

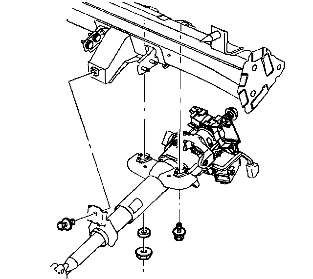
Steering Column

REMOVAL

NOTICE: Cover driver seat to protect seat trim.





1. Disable the SIR system. (Refer to "Disabling the SIR System" procedure.)
2. Remove SIR coil assembly. (Refer to "SIR Coil Assembly Removal" procedure.)
3. Remove HVAC duct.





4. Remove knee bolster.





5. Disconnect connectors at wiper/washer switch and headlamp/turn switch.
6. Disconnect ignition switch electrical connectors at left of steering column.
7. Disconnect interlock solenoid electrical connector at right of steering column.
8. Disconnect ignition switch connector at right of column.





9. Remove wiper/washer and headlamp/turn signal





10. Remove signal switch housing.





11. Remove upper intermediate shaft bolt and disconnect shaft from steering column.





12. Remove steering column lower support bolt.

IMPORTANT: Behind the nut is a plastic locator for steering column. This piece will center steering column in front of driver in the event of an accident.

13. Remove steering column upper support bolt and nut.
14. Remove steering column from vehicle.

IMPORTANT: The following steps are provided if replacing steering column.





15. Position steering column in a vise at upper bracket. Using a centering punch, mark the center of shear bolts on lock cylinder housing assembly.





16. Drill a small hole (1/8 inch drill bit) in shear bolts at center mark. Remove shear bolts with a screw extractor, and remove ignition module and housing from steering column.

INSTALLATION

IMPORTANT: The following step is used if replacing steering column.

1. Use new shear bolts to install lock cylinder housing assembly on steering column. Torque shear bolts until heads break off.
2. Carefully place the steering column in the vehicle.

IMPORTANT: The plastic steering column locator should be installed behind upper steering column mount nut. This locator centers steering column to driver in the event of an accident





3. Install upper and lower steering column mount bolts and upper steering column mount nut along with locator.
Torque: 30 Nm (20 ft. lbs.)

IMPORTANT: Use Loctite 242 Threadlocker (or equivalent) on thread of pinch bolt.





4. Connect intermediate shaft, install pinch bolt.
Torque: 30 Nm (20 ft. lbs.)





5. Install signal switch housing.
Torque: 1.5 Nm (14 inch lbs.)





6. Install wiper/washer and headlamp/turn signal switch.





7. Connect interlock solenoid electrical connector at bottom of steering column.
8. Connect electrical at the wiper/washer switch and headlamp/turn switch.
9. Connect ignition switch connectors at left side of column.
10. Connect ignition switch connector at right side of column.





11. Install knee bolster.





12. Install HVAC duct.
13. Install SIR coil assembly. (Refer to "SIR Coil Assembly Installation" procedure.)
14. Enable the SIR system. (Refer to "Enabling the SIR System" procedure.)