Operation CHARM: Car repair manuals for everyone.
Manuals through 2025 now available!

Our trusted friends have launched a new website named LEMON, which has newer manuals. It also contains all the CHARM manuals.

LEMON is the spiritual successor to CHARM, I recommend you try it!

Link: lemon-manuals.la or lemon-manuals.org.ua

(Some people have issue connecting. LEMON is investigating. For now, use Firefox or change your DNS server)

Or, hide this message: temporarily or permanently

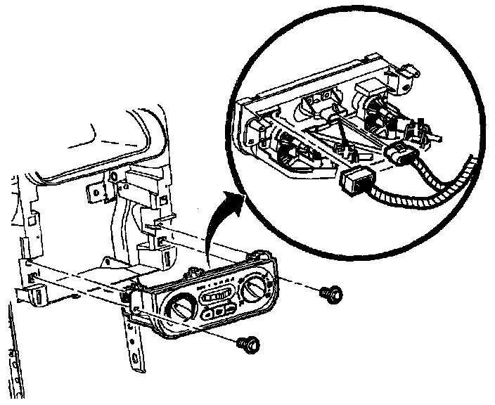
Blower Motor Switch: Service and Repair

BLOWER MOTOR SWITCH

REMOVAL




1. Remove HVAC controller.




2. Remove blower motor switch screws.
3. Remove blower motor switch.

INSTALLATION

1. Install blower motor switch and screws.




2. Install HVAC controller.

Torque: 2.5 N.m (22 in-lbs)