Operation CHARM: Car repair manuals for everyone.
Manuals through 2025 now available!

Our trusted friends have launched a new website named LEMON, which has newer manuals. It also contains all the CHARM manuals.

LEMON is the spiritual successor to CHARM, I recommend you try it!

Link: lemon-manuals.la or lemon-manuals.org.ua

(Some people have issue connecting. LEMON is investigating. For now, use Firefox or change your DNS server)

Or, hide this message: temporarily or permanently

HVAC Module (RHD)

NOTE: Use only R-12 Refrigerant oil (mineral) to lubricate O-rings. Use of R-134a (PAG) oil will cause premature corrosion of fitting joints.

INSTALLATION




1. Lubricate O-rings with R-12 Refrigerant oil (mineral).
2. Install O-rings and TXV to HVAC module.




3. Install new cowl panel seals on heater core pipes, case drain, and evaporator block.

IMPORTANT: The heater core pipes seal consists of two seals installed back to back.




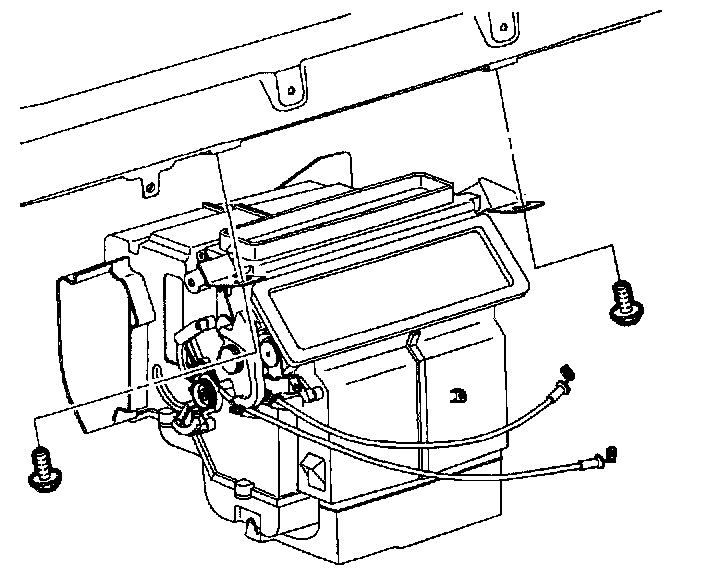
4. Install HVAC module through the cowl.




5. Install HVAC module mounting bracket to beam bolts, but do not tighten.




6. Connect air valve actuator electrical connector.




7. Install blower unit into HVAC module and through cowl.




8. Install blower unit bracket to cowl bolt.

Torque: 2.2 N.m (20 in-lbs)




9. Install blower unit to cowl nut at right side of brake booster.

Torque: 5 N.m (44 in-lbs)

CAUTION: MAKE SURE VEHICLE IS PROPERLY SUPPORTED AND SQUARELY POSITIONED. TO HELP AVOID PERSONAL INJURY WHEN A VEHICLE IS ON A HOIST, PROVIDE ADDITIONAL SUPPORT FOR THE VEHICLE ON THE OPPOSITE END FROM WHICH THE COMPONENTS ARE BEING REMOVED.

10. Raise vehicle.
11. Install HVAC module and blower unit nuts.

Torque: 5 N.m (44 in-lbs)

NOTE: Be careful not to push hoses onto heater core pipes so far that foam seal is contacted.





12. Install hose and clamp on heater core outlet. Install clamp at 7-8 o'clock position.
13. Install hose and clamp on heater core inlet. Install clamp at 6 o'clock position.
14. Lower vehicle.




15. Tighten HVAC module mounting brackets to beam bolts.

Torque: 6 N.m (53 in-lbs)




16. Connect blower motor electrical connector.




17. Connect blower motor resistor electrical connector.




18. Install windshield defroster nozzle onto HVAC module and install screws. Make sure duct is snapped on both sides of HVAC module.

Torque: 2.2 N.m (20 in-lbs)




19. Install center air outlet duct and screws.

Torque: 10 N.m (89 in-lbs)




20. Install brake transaxle interrupt cable into heater duct clamp.

NOTE: Be careful not to damage rear heater duct foam seal.

21. Install heater duct to HVAC module.

For Coupes: slide duct under HVAC module from left side and raise into installed position. Install heater duct screws.




For Sedans/Wagons: cut right heater duct flange off as shown, and slide duct into position between HVAC module and rear seat heater duct. Install left heater duct screw.




22. Install wiring harness rosebud fastener at rear of HVAC module.




23. Install wiring harness fastener into side of HVAC module.
24. Install wiring harness fastener into left HVAC module bracket.




25. Install junction block to H-brace.
26. Install ground wires with screw to H-brace.

Torque: 2.2 N.m (20 in-lbs)

27. Install radio ground strap and screw through H-brace to junction block.

Torque: 2.2 N.m (20 in-lbs)

28. Return I/P harness plastic retainer to H-brace.




29. Install H-brace bolts to front floor bracket.

Torque: 25 N.m (19 ft-lbs)




30. Route passenger side inflator module harness through retainer assembly.




31. Position inflator module in opening in I/P retainer assembly.
32. Install inflator module ensuring the retaining tabs are engaged to the I/P reinforcement assembly.
33. Install two inflator module bolts and torque.

Torque: 10 N.m (89 in-lbs)




34. Torque I/P retainer assembly bolts and nuts.

Torque: 10 N.m (89 in-lbs)




35. Install inflator module cover.

Torque: 2.2 N.m (20 in-lbs)




36. Install I/P compartment:
a. Position I/P compartment door assembly to retainer assembly.
b. Install I/P compartment door pins into instrument panel retainer assembly.
c. Lift I/P compartment enough to install I/P compartment door stop assemblies.
d. Close I/P compartment door.




37. Raise steering column into position.
38. Install and torque bolts.

Torque: 35 N.m (26 ft-lbs)

IMPORTANT: Make sure wiring harnesses do not interfere with control lever movement.

Cable identification:
^ Temperature cable - white
^ Mode cable - black




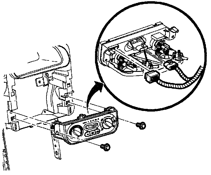
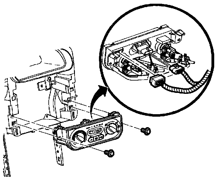
39. Install HVAC controller:
a. Install mode valve cable onto mode valve pin.
b. Snap slot on cable into HVAC controller base.
c. Repeat steps for temperature cable.




d. Install blower switch connector.
e. Install HVAC controller harness.
f. Install and torque screws.

Torque: 2.5 N.m (22 in-lbs)




40. Place HVAC control mode knob completely to the right - defroster position.




41. Verify that mode cam is still in full counterclockwise position.
42. Press mode cable housing firmly into retainer clip to lock.
43. Move HVAC control mode knob through modes to verify proper installation.




44. Place HVAC control temperature knob completely to the right - full hot.




45. Verify that temperature cam is still in full counterclockwise position.
46. Press temperature cable housing firmly into retainer clip to lock.
47. Move HVAC control temperature knob from hot to cold to verify proper installation.




48. Connect blower switch, A/C-Recirc and lighting electrical connectors.

IMPORTANT: Make sure wiring harnesses do not interfere with control knob movement.




49. Install radio:
a. Connect radio ground strap spade terminal.
b. Connect electrical connectors
c. Connect antenna lead.
d. Install radio by sliding it into guides on instrument panel.
e. Install and torque screws.

Torque: 2.5 N.m (22 in-lbs)




50. Install I/P cluster:
a. Place tabs on bottom of I/P cluster into retainer assembly.
b. Install screws.
c. Connect electrical connector to instrument panel cluster.

Torque: 3 N.m (27 in-lbs)




51. Install I/P cluster bezel:
a. Pull dimmer/traction control switch harness through I/P cluster bezel opening.
b. Position I/P cluster bezel by lining up clip location.
c. Snap I/P cluster bezel in place by pushing at clip locations.




52. Position upper steering column shroud.
53. Position lower steering column shroud and install screws.




54. Install ignition bezel:
a. Align peg of ignition bezel with the cut out in lower shroud.
b. Snap into place.




55. Connect left and right doorjamb switch connectors.

IMPORTANT: Ensure that endcap bottom portions are inside of the filler panel and glovebox assemblies.

56. Install left and right endcap assembly:
a. Maneuver the assemblies past inner I/P retainer assembly and weatherstrips.
b. Snap clips into I/P retainer assembly locations.
c. Install screws

Torque: 2.2 N.m (20 in-lbs)




57. Install data link connector.
58. Route hood release cable through I/P and then install cable to lever.




59. Install steering column filler panel.

Torque: 2.5 N.m (22 in-lbs)

NOTE: Be careful not to damage VIN plate when removing or replacing upper trim panel.

IMPORTANT: Be sure upper trim panel seal is correctly seated on forward edge before installing upper trim panel.




60. Install upper trim panel.
a. Ensure hook-and-loop fasteners on upper trim panel are correctly inserted.
b. Position upper trim panel on retainer assembly.
c. Align tabs on sides of upper trim panel with openings in windshield garnish molding.
d. Align clips and clip location.
e. Firmly snap in clips at clip locations.
f. Install screws on underside of upper trim panel on passenger's side of vehicle.

Torque: 6 N.m (53 in-lbs)




61. Install console:
a. Apply park brake.
b. Adjust front seats to most rearward position.
c. Recline driver's and passenger's seatbacks as far down as possible.
d. Select neutral for transaxle gear (on automatic transaxles).
e. Hold front end of console down and rear end up.
f. Position all harnesses so they can be accessed.
g. Maneuver console over gear selector lever and past brake lever.
h. Connect power outlet electrical connector.




i. On automatic transaxle equipped vehicles, remove tape from gear selector.
j. Install screws at rear of console.

Torque: 2.5 N.m (22 in-lbs)




k. Install and torque front console screws.

Torque: 2.2 N.m (20 in-lbs)




l. Install left and right extension panels by inserting hinges into console.
m. Rotate close and push in a dual lock locations.

Torque: 2.2 N.m (20 in-lbs)




62. Connect window switch assembly connector (if equipped).
63. Install window switch assembly or storage tray (depending on equipment).

CAUTION: MAKE SURE VEHICLE IS PROPERLY SUPPORTED AND SQUARELY POSITIONED. TO HELP AVOID PERSONAL INJURY WHEN A VEHICLE IS ON A HOIST, PROVIDE ADDITIONAL SUPPORT FOR THE VEHICLE ON THE OPPOSITE END FROM WHICH COMPONENTS ARE BEING REMOVED.




64. Raise vehicle.

NOTE: Be careful not to push hoses onto heater core so far that foam seal is unseated.

65. Install hose and clamp on heater core outlet. Position clamp at a 7-8 o'clock.




66. Install hose and clamp on heater core inlet. Position clamp at a 6 o'clock.




67. Lower vehicle.

NOTE: Use only R-12 Refrigerant oil (mineral) to lubricate O-rings. Use of R-134a (PAG) oil will cause premature corrosion of fitting joints.

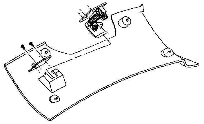
68. Remove protective covers. Lubricate with R-12 Refrigerant oil (mineral) and install new O-rings on evaporator pipes.
69. Install thermal expansion valve (TXV) on evaporator.

Torque: 10 N.m (89 ft-lbs)

NOTE: Use only R-12 Refrigerant oil (mineral) to lubricate O-rings. Use of R-134a (PAG) oil will cause premature corrosion of fitting joints.




70. Lubricate O-rings with R-12 Refrigerant oil (mineral) and install new O-rings on suction hose and liquid line.
71. Install liquid line on TXV

Torque: 25 N.m (19 ft-lbs)

72. Install suction hose on TXV

Torque: 25 N.m (19 ft-lbs)




73. Install air cleaner housing cover and air induction hose.
74. Fill and pressure test the cooling system.
75. Evacuate, charge, and leak test A/C system. Perform A/C Performance Test.
76. Connect negative battery cable.

Torque: 17 N.m (151 in-lbs)

77. Set clock to proper time if equipped.
78. Enable the SIR system. (Refer to "Enabling the SIR System".) Disabling and Enabling the SIR System
79. Reset radio stations.