Operation CHARM: Car repair manuals for everyone.
Manuals through 2025 now available!

Our trusted friends have launched a new website named LEMON, which has newer manuals. It also contains all the CHARM manuals.

LEMON is the spiritual successor to CHARM, I recommend you try it!

Link: lemon-manuals.la or lemon-manuals.org.ua

(Some people have issue connecting. LEMON is investigating. For now, use Firefox or change your DNS server)

Or, hide this message: temporarily or permanently

Suction/Liquid Line Assembly

REMOVAL




1. Disconnect negative battery cable.

IMPORTANT: Verifying the purity of the refrigerant with a purity identifier before recovery is recommended.

2. Recover refrigerant using an approved refrigerant recovery system. Measure the amount of oil removed during recovery and record.
3. Remove air box from rail.




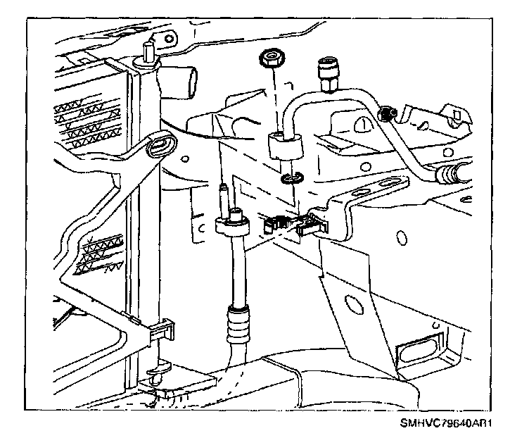
4. Remove suction/liquid line assembly clamp fastener at engine mount area.




5. Disconnect high pressure sensor electrical connector.

CAUTION: DO NOT REMOVE HOSES OR LINES BEFORE SYSTEM IS FULLY DISCHARGED.




6. Remove suction/liquid line assembly to liquid line nut and remove.
7. Install cap on liquid line to prevent dirt and moisture entry.

CAUTION: MAKE SURE VEHICLE IS PROPERLY SUPPORTED AND SQUARELY POSITIONED ON THE HOIST. TO HELP AVOID PERSONAL INJURY WHEN A VEHICLE IS ON A HOIST, PROVIDE ADDITIONAL SUPPORT FOR THE VEHICLE ON THE OPPOSITE END FROM WHICH COMPONENTS ARE BEING REMOVED.




8. Raise vehicle.
9. Remove lower cradle splash shield to cradle and wheelhouse fasteners and remove splash shield.




10. Remove suction/liquid line assembly to Suction pipe nut and remove.




11. Remove suction/liquid line assembly to horn bracket clamp.




12. Remove suction/liquid line assembly clamp fastener at rail.
13. Lower vehicle.




14. Remove suction/liquid line assembly to thermal expansion valve (TXV) bolt at front of dash and remove block from TXV.
15. Install cap on TXV to prevent dirt and moisture entry.




16. Remove suction/liquid line assembly from clamp at front of dash.
17. Remove O2 sensor clip from suction/liquid line assembly.
18. Remove harness bracket from cowl nut open harness clip (steel).




19. Remove suction/liquid line assembly from vehicle.




20. Remove pressure transducer from suction/liquid line assembly.

INSTALLATION

NOTE: Use only mineral oil to lubricate O-rings. Use of PAG oil will cause premature corrosion of joint.




1. Install pressure transducer to suction/liquid line assembly.

Torque:
Pressure Transducer-to-Suction/Liquid Line: 7 N.m (62 in-lbs)




2. Position suction/liquid line assembly into vehicle around engine mount with liquid line inside of wiring harness and outside of fuel lines.
3. Position suction liquid line rearward of wiring harness at front of dash with oxygen sensor harness behind lineset.

NOTE: Use only mineral oil to lubricate O-rings. Use of PAG oil will cause premature corrosion of joint.

IMPORTANT: Always install new O-rings to prevent refrigerant leaks.




4. Remove shipping caps from thermal expansion valve (TXV) and suction/liquid line assembly.
5. Lubricate suction/liquid line assembly to TXV O-rings.
6. Position suction/liquid line assembly to TXV and hand start bolt.

Torque:
Suction/Liquid Line Assembly-to-TXV Bolt: 7 N.m (62 in-lbs)




7. Remove shipping cap from suction/liquid line assembly and from liquid line.
8. Add any PAG oil that was removed during recovery to liquid line.

IMPORTANT: Always install new seal washers to prevent refrigerant leaks.

9. Install seal washer and install suction/liquid line assembly to liquid line and hand start nut.

Torque:
Suction/Liquid Line-to-Liquid Line: 12 N.m (9 ft-lbs)




10. Install suction/liquid line assembly into clamp at front of dash.
11. Install oxygen sensor harness clip onto suction/liquid line assembly.
12. Close steel harness clip and install nut.

Torque:
Nut to Harness Clip: 6 N.m (53 in-lbs)




13. Install suction/liquid line assembly clamp at mount area.

Torque:
Suction Liquid Line Assembly Clamps: 5 N.m (44 in-lbs)

CAUTION: MAKE SURE VEHICLE IS PROPERLY SUPPORTED AND SQUARELY POSITIONED ON THE HOIST. TO HELP AVOID PERSONAL INJURY WHEN A VEHICLE IS ON A HOIST, PROVIDE ADDITIONAL SUPPORT FOR THE VEHICLE ON THE OPPOSITE END FROM WHICH COMPONENTS ARE BEING REMOVED.




14. Raise vehicle.
15. Lubricate seal washer and install suction/liquid line assembly to suction pipe and hand start nut.

Torque:
Suction/Liquid Line-to-Suction Pipe: 12 N.m (9 ft-lbs)




16. Install suction/liquid line assembly clamp to horn bracket.

Torque:
Suction/Liquid Line Assembly Clamp-to-Horn Bracket Nut: 10 N.m (89 in-lbs)




17. Install suction/liquid line assembly clamp at rail and install nut.

Torque:
Suction Liquid Line Assembly Clamps: 5 N.m (44 in-lbs)




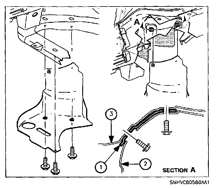
18. Install lower cradle splash shield by sliding shield (1) between wheelhouse liner (2) and wheelhouse (3).
19. Install splash shield to wheelhouse and cradle fasteners.

Torque:
Splash Shield-to-Wheelhouse and Cradle Fasteners: 5 N.m (44 in-lbs)




20. Lower vehicle.
21. Install high pressure sensor electrical connector.




22. Install air box.
23. Connect negative battery cable.

Torque:
Battery Terminal Bolts: 17 N.m (13 ft-lbs)

24. Evacuate, charge, and leak check the A/C system.