Operation CHARM: Car repair manuals for everyone.
Manuals through 2025 now available!

Our trusted friends have launched a new website named LEMON, which has newer manuals. It also contains all the CHARM manuals.

LEMON is the spiritual successor to CHARM, I recommend you try it!

Link: lemon-manuals.la or lemon-manuals.org.ua

(Some people have issue connecting. LEMON is investigating. For now, use Firefox or change your DNS server)

Or, hide this message: temporarily or permanently

Receiver Dryer: Service and Repair

CONDENSER-RECEIVER/DEHYDRATOR

REMOVAL




1. Disconnect negative battery cable.

IMPORTANT: Verifying the purity of the refrigerant with a purity identifier before recovery is recommended.

2. Recover refrigerant using an approved refrigerant recovery system. Measure the amount of oil removed during recovery and record.




3. Disconnect pusher fan electrical connector.
4. Remove pusher fan harness from puller fan shroud tabs and push harness clear of radiator end tank.

CAUTION: DO NOT REMOVE HOSES OR LINES BEFORE SYSTEM IS FULLY DISCHARGED.




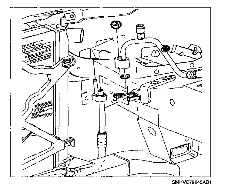
5. Remove liquid line to suction/liquid line assembly nut.
6. Install caps on liquid line and suction/liquid line assembly to prevent moisture entry and oil spillage.

CAUTION: MAKE SURE VEHICLE IS PROPERLY SUPPORTED AND SQUARELY POSITIONED ON THE HOIST. TO HELP AVOID PERSONAL INJURY WHEN A VEHICLE IS ON A HOIST, PROVIDE ADDITIONAL SUPPORT FOR THE VEHICLE ON THE OPPOSITE END FROM WHICH COMPONENTS ARE BEING REMOVED.




7. Raise vehicle.
8. Remove radiator to condenser gasket by pulling down on one end and peeling back.




9. Remove pusher fan retainer nuts and washers.




10. Pull lower fan shroud forward and then down to remove.




11. Remove liquid line-to-condenser block bolt.




12. Remove liquid line clamp to condenser fasteners and remove liquid line.
13. Install caps on liquid line and condenser block to prevent moisture entry and oil spillage.




14. Remove discharge line-to-condenser block bolt.
15. Install caps on discharge line and condenser block to prevent moisture entry and oil spillage.




16. Remove condenser block to radiator end tank bolt.




17. Remove condenser bolts.




18. Slide condenser down then rotate bottom forward to remove.




19. Remove receiver/dehydrator line fitting bolts.




20. Loosen receiver/dehydrator clamp bolt and remove receiver/dehydrator.

INSTALLATION




1. Add any compressor oil that was removed during discharge to receiver/dehydrator bottle.
2. Add appropriate amount of compressor oil to system for parts replaced. (Refer to "Oil Distribution" procedure.)
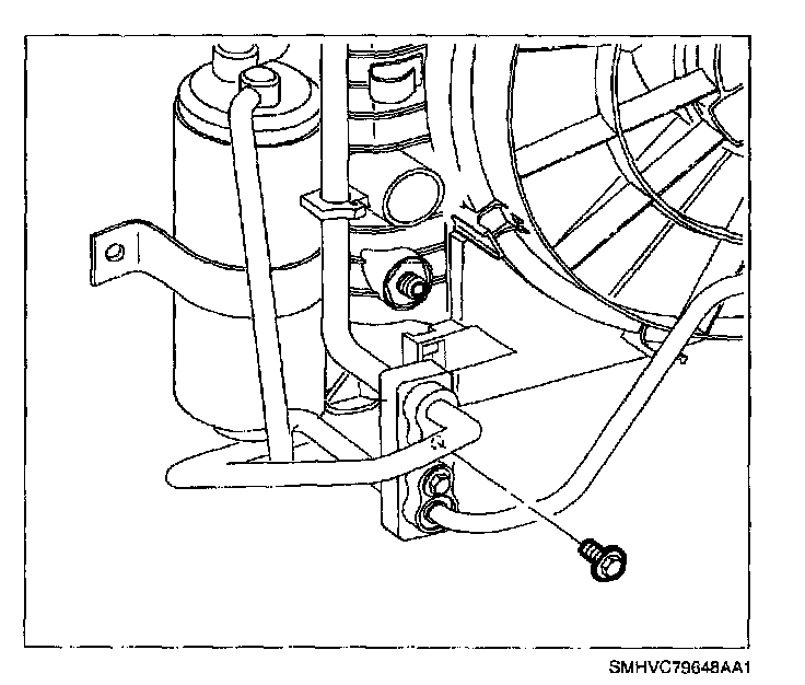
3. Install receiver/dehydrator bottle into clamp but do not tighten.

NOTE: Use only mineral oil to lubricate O-rings. Use of PAG oil will cause premature corrosion of joint.

IMPORTANT: Always install new O-rings.




4. Lubricate O-rings and install line block fittings to receiver/dehydrator bottle bolt.

Torque:
Receiver/Dehydrator Block Bolts: 3 N.m (27 in-lbs)

5. Tighten receiver/dehydrator clamp bolt.

Torque:
Receiver/Dehydrator Clamp Bolt: 5 N.m (44 in-lbs)

NOTE: Condenser block must be engaged to radiator end tank bracket before sliding condenser upward.




6. Install condenser to radiator by sliding condenser tabs under radiator brackets.




7. Install condenser-to-radiator bolts.

Torque:
Condenser-to-Radiator Bolts: 5 N.m (44 in-lbs)




8. Install condenser block-to-radiator end tank bolt.

Torque:
Condenser Block-to-Radiator End Tank Bolt: 5 N.m (44 in-lbs)

NOTE: Do not lubricate seal washers.

IMPORTANT: Always install new seal washers to prevent refrigerant leaks.




9. Remove discharge line cap and install new seal washer.
10. Remove condenser block cap and install discharge line.
11. Hand start discharge line to condenser block bolt.

Torque:
Discharge Line-to-Condenser Block Bolt: 20 N.m (15 ft-lbs)

NOTE: Do not lubricate seal washers.

IMPORTANT: Always install new seal washers to prevent refrigerant leaks.




12. Remove liquid line to condenser cap and plug and install new seal washer.
13. Install liquid line to condenser block and hand start bolt.

Torque:
Liquid Line-to-Condenser Block Bolt: 20 N.m (15 ft-lbs)

14. Install liquid line clamps onto condenser studs and install fasteners.

Torque:
Suction/Liquid Line Assembly Clamps: 5 N.m (44 in-lbs)




15. Install radiator-to-condenser gasket.




16. Slide upper pusher fan shroud under retaining tabs located at upper edge of condenser.
17. Rotate lower fan shroud onto lower mounting studs and install retaining nuts.

Torque:
Lower Fan Shroud Retaining Nuts: 5 N.m (44 in-lbs)

NOTE: Position pusher fan electrical harness in shroud indentation to prevent harness damage.

18. Route pusher fan electrical harness around outside of radiator end tank, below upper radiator hose.
19. Lower vehicle.




20. Remove liquid/suction line assembly and liquid line caps and install new seal washer.
21. Install liquid line to liquid/suction line assembly and hand start nut.

Torque:
Suction Liquid Line-to-Liquid Line: 12 N.m (9 ft-lbs)

22. Install liquid line into rail clamp.




23. Install the pusher fan harness into mounting tabs on puller fan shroud.
24. Connect pusher fan electrical connector.
25. Connect negative battery cable.

Torque:
Battery Terminal Bolts: 17 N.m (13 ft-lbs)

26. Evacuate, charge, and leak check the A/C system.