Operation CHARM: Car repair manuals for everyone.
Manuals through 2025 now available!

Our trusted friends have launched a new website named LEMON, which has newer manuals. It also contains all the CHARM manuals.

LEMON is the spiritual successor to CHARM, I recommend you try it!

Link: lemon-manuals.la or lemon-manuals.org.ua

(Some people have issue connecting. LEMON is investigating. For now, use Firefox or change your DNS server)

Or, hide this message: temporarily or permanently

Starter Motor: Service and Repair

STARTER ASSEMBLY

REMOVAL




1. Disconnect negative battery cable.

CAUTION: MAKE SURE VEHICLE IS PROPERLY SUPPORTED AND SQUARELY POSITIONED ON THE HOIST. TO HELP AVOID PERSONAL INJURY WHEN A VEHICLE IS ON A HOIST, PROVIDE ADDITIONAL SUPPORT FOR THE VEHICLE ON THE OPPOSITE END FROM WHICH COMPONENTS ARE BEING REMOVED.

2. Jack or raise vehicle on hoist.
3. Remove right front wheel.

CAUTION: EXHAUST SYSTEM REMAINS HOT FOR EXTENDED PERIODS OF TIME.

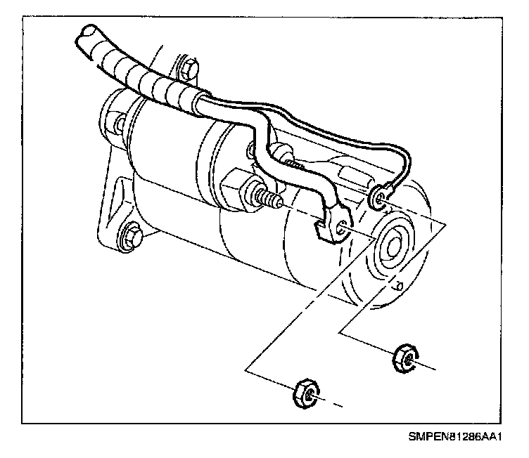
4. Disconnect two starter solenoid electrical connections.

IMPORTANT: Do not remove fastener securing electrical harness to engine block. Loosening fastener will allow harness bracket to move enough to clear starter use available tool J 44830, or equivalent (#16 torx) wrench.

5. Loosen fastener securing electrical harness bracket to block.
6. Remove lower starter assembly to engine block bolt.
7. Lower vehicle.




8. Remove upper starter assembly to engine block bolt.
9. Move starter right, clearing engine block. Then left and out of engine block (flywheel housing).

INSTALLATION
1. Guide starter into engine block (flywheel housing).
2. Install upper starter mounting bolt finger tight.
3. Raise vehicle on hoist.
4. Install lower starter mounting bolts.

Torque:
Lower Starter Mounting Bolts: 40 N.m (30 ft-lbs)




5. Install B+ cable and nut.

Torque:
B+ Cable-to-Starter Nut: 9 N.m (80 in-lbs)

6. Install S-terminal wire and nut.

Torque:
S-Terminal Nut: 4.5 N.m (40 in-lbs)

7. Connect negative battery cable to battery.

Torque:
Battery Terminal Bolts: 17 N.m (13 ft-lbs)

8. Install right front wheel.
9. Position wheel onto hub.
10. Install wheel bolts and tighten in a star pattern
10.1 Hand tighten all five wheel bolts.
10.2 Use a torque wrench to tighten wheel bolts using a star pattern.

Torque:
Wheel Bolts (Initial Torque): 63 N.m (46 ft-lbs)

10.3 Use a torque wrench to final tighten wheel bolts using a star pattern.

Torque:
Wheel Bolts (Final Torque): 125 N.m (92 ft-lbs)

11. Lower vehicle from hoist.
12. Tighten upper starter mounting bolt.

Torque:
Upper Starter Mounting Bolts: 40 N.m (30 ft-lbs)