Operation CHARM: Car repair manuals for everyone.
Manuals through 2025 now available!

Our trusted friends have launched a new website named LEMON, which has newer manuals. It also contains all the CHARM manuals.

LEMON is the spiritual successor to CHARM, I recommend you try it!

Link: lemon-manuals.la or lemon-manuals.org.ua

(Some people have issue connecting. LEMON is investigating. For now, use Firefox or change your DNS server)

Or, hide this message: temporarily or permanently

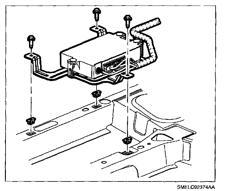
CIM Installation




1. Install CIM module.
2. Install three push pins.




3. Connect GPS antenna.




4. Connect the wiring connectors.
5. Connect the cellular antenna.
6. Key on vehicle.
7. Press the OnStar call button.
8. Configure the OnStar CIM. Refer to "OnStar Programming" procedure.