Operation CHARM: Car repair manuals for everyone.
Manuals through 2025 now available!

Our trusted friends have launched a new website named LEMON, which has newer manuals. It also contains all the CHARM manuals.

LEMON is the spiritual successor to CHARM, I recommend you try it!

Link: lemon-manuals.la or lemon-manuals.org.ua

(Some people have issue connecting. LEMON is investigating. For now, use Firefox or change your DNS server)

Or, hide this message: temporarily or permanently

Intake Manifold: Service and Repair

INTAKE MANIFOLD

REMOVAL

CAUTION:
- DO NOT ALLOW SMOKING OR THE USE OF OPEN FLAMES IN THE AREA WHERE WORK ON THE FUEL SYSTEM IS TAKING PLACE. ANYTIME THE FUEL SYSTEM IS BEING WORKED ON, DISCONNECT THE NEGATIVE BATTERY CABLE, EXCEPT FOR THOSE TESTS WHERE BATTERY VOLTAGE IS REQUIRED.
- MAKE SURE VEHICLE IS PROPERLY SUPPORTED AND SQUARELY POSITIONED. TO HELP AVOID PERSONAL INJURY WHEN A VEHICLE IS ON A HOIST, PROVIDE ADDITIONAL SUPPORT FOR THE VEHICLE ON THE OPPOSITE END FROM WHICH COMPONENTS ARE BEING REMOVED. MAKE SURE HOIST DOES NOT CONTACT FUEL OR BRAKE LINES.


1. Raise vehicle.




2. Drain engine coolant. (Drains are located at right front corner of the engine block and right-hand side of radiator.)




3. Place a 1 in. x 1 in. x 2 in. long block of wood between the torque strut and cradle.

IMPORTANT: Installation of the wood block prior to upper engine torque axis mount removal allows the mount to be easily removed without lifting or jacking the powertrain.




4. Remove the fastener at the bottom of the intake manifold that attaches the intake manifold brace to the intake manifold.
5. Lower vehicle.




6. Disconnect negative battery terminal




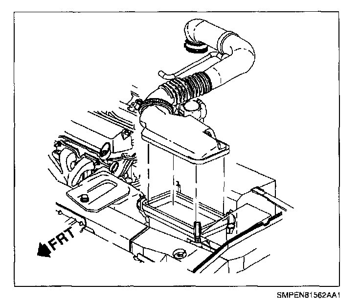
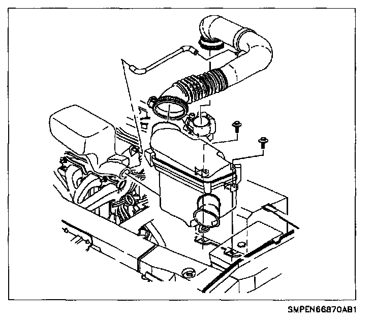
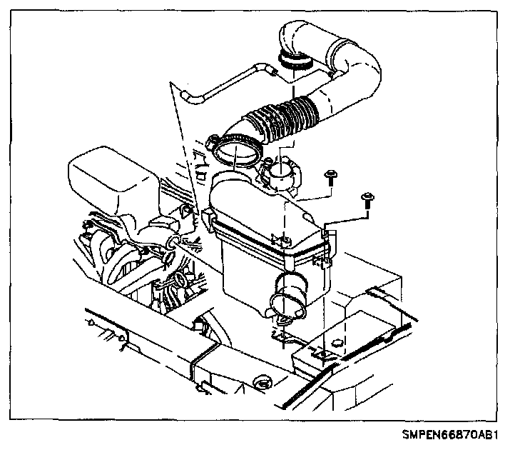
7. Remove air inlet tube and air filter cover, disconnecting fresh air hose at air inlet duct.
8. Remove PCV valve hose at cam cover.

CAUTION: WHENEVER FUEL LINE FITTINGS ARE LOOSENED OR DISCONNECTED, WRAP A SHOP CLOTH AROUND FITTING TO COLLECT FUEL WHILE CONNECTING GAUGE. PLACE THE CLOTH IN AN APPROVED CONTAINER.

9. Relieve fuel system pressure. Refer to "Relieving Fuel Pressure" in the Fuel System.




10. Remove the nut at fuel line clip and disconnect fuel line from rail.




11. Disconnect throttle cable from the throttle body.
12. Remove the throttle cable from the cable bracket.
13. Disconnect vacuum harness from throttle body.




14. Remove the following electrical connectors and harness wiring:
- Fuel injectors
- Throttle position (TP) sensor
- Idle air control valve (IAC)
- Manifold absolute pressure (MAP) sensor
- EGR valve
15. Move harness to front of dash.




16. Disconnect heater and deaeration hoses at intake manifold outlets.
17. Remove power steering support brace.




18. Remove fuel rail.




19. Disconnect EGR pipe from cylinder head.
20. Disconnect vacuum hose at brake booster.
21. Remove accessory drive belt.




22. Remove power steering pump assembly with support bracket.
23. Remove upper power steering pump bracket attachment bolts and position pump next to the right-hand front of dash panel, away from the cylinder head and intake manifold. Refer to "Power Steering Pump" removal procedure in the Steering.




24. Remove the three right-hand, upper engine torque axis mount to front cover nuts and the two mount to midrail bracket nuts, allowing the powertrain to rest on the block of wood, and remove mount




25. Remove resonator and air cleaner box.
26. Disconnect air temperature sensor.




27. Remove transaxle strut-to-midrail bolt.




28. Rotate top of engine forward and secure engine with tie straps or mechanic's wire. The tie straps can be routed from the front engine lift hook to the radiator support.




29. Remove intake manifold fasteners and remove intake manifold.

INSTALLATION

IMPORTANT: Make sure cylinder head and intake manifold gasket sealing surfaces are clean. Refer to DOHC (LL0) Cylinder Head section for inspection requirements. Inspect intake manifold gasket for cuts, nicks, or swelling. Replace if any of these conditions are found.




1. Assemble EGR pipe assembly to intake manifold.

Torque:
EGR Pipe-to-Intake Manifold (LL0): 10 N.m (89 in-lbs)


2. Install intake manifold onto attaching studs.
3. Install intake manifold attaching nuts.




4. In sequence, torque the intake manifold attaching nuts.

Torque:
Intake Manifold-to-Head (LL0): 13 N.m (9.5 ft-lbs





Intake manifold bolt tightening sequence:

5. Install EGR pipe with a new gasket to cylinder head.

Torque:
EGR Pipe-to-Cylinder Head (LL0): 25 N.m (19 ft-lbs)





6. Connect heater and deaeration hoses to intake manifold outlets.

IMPORTANT: Lubricate O-rings at injector tips prior to installing injectors into intake manifold.

7. Install fuel rail.

Torque:
Fuel Rail Attachment Bolts: 12 N.m (9 ft-lbs)





8. Install the following electrical harness connectors and vacuum hoses.
8.1 Electrical connectors:
- Idle air control valve (IAC)
- Throttle position (TP) sensor
- Manifold absolute pressure (MAP) sensor
- Fuel injectors (4)
- EGR valve
8.2 Vacuum hoses:
- EVAP canister purge solenoid




9. Install vacuum line to brake booster.
10. Install PCV valve and hose to cam cover.




11. Assemble fuel line nut to fuel line stud at intake manifold.

Torque:
Fuel Feed Line Support Clip-to-Bracket (LL0): 4.5 N.m (37 in-lbs)


NOTE: Replace plastic fuel line retainers whenever the fuel supply or return line is disconnected at the fuel rail. Install the new retainer into the female cavity of the connection. Care must be taken to assure that the locking tab is centered in the window of the female cavity. Firmly press the female connection onto the male end until a click is heard, then pull back to confirm engagement. Pinched, kinked, or damaged fuel lines must be replaced.

12. Attach fuel line to fuel rail.




13. Install power steering pump assembly and brackets.

Torque:
Power Steering Pump Bracket-to-Block: 30 N.m (22 ft-lbs)


14. Install power steering pump brace.

Torque:
Power Steering Pump Bracket-to-Block: 30 N.m (22 ft-lbs)





15. Install accessory drive belt.
16. Install transaxle mount to frame rail.

Torque:
Transaxle Mount-to-Frame Rail: 70 N.m (52 ft-lbs)


NOTE: To prevent engine front cover and mount damage, the three front engine mount-to-front cover nuts must be tightened down uniformly.




17. Install engine mount-to-midrail bracket nuts first. Next, install the three engine mount-to-front cover nuts. Remove the block of wood from under the torque strut after the engine mount assembly is installed.

Torque:
Engine Mount-to-Front Cover Nuts: 50 N.m (37 ft-lbs)
Engine Mount-to-Midrail Bracket Nuts: 50 N.m (37 ft-lbs)





18. Install airbox assembly and attaching screws. Install resonator and push in plastic fastener.

Torque:
Air Cleaner/Resonator Attachment Bolts (All): 10 N.m (89 in-lbs)


NOTE: Whenever a throttle cable assembly is installed, make sure locking tangs are engaged. Pull on the cable to ensure the tangs are engaged.




19. Connect electrical connector at the intake air temperature (IAT) sensor.




20. Install cable retainer into the support bracket until locking tang is engaged.
21. Connect accelerator cable to throttle lever.




22. Raise vehicle.
23. Install intake manifold brace to intake manifold.

Torque:
Intake Manifold Support Bracket-to-Intake Manifold (LL0): 6.5 N.m (58 in-lbs)





24. Remove support block.
25. Install cylinder block drain plugs and close radiator drain.

Torque:
Cylinder Block Drain Plugs: 35 N.m (26 ft-lbs)


26. Lower vehicle.
27. Fill with coolant. Use Dex-Cool (TM) coolant.
28. Connect negative battery terminal.

Torque:
Battery Terminal Bolts: 17 N.m (13 ft-lbs)


IMPORTANT: Vehicle must be level when filling coolant.

29. Prime fuel system.
29.1 Cycle ignition on for five seconds and then off for 10 seconds.
29.2 Repeat step 29.1 twice.
29.3 Crank engine until it starts (maximum starter motor cranking time is 20 seconds.)
29.4 If engine does not start, repeat steps 29.1 - 29.3.
30. Start engine and check for leaks.
31. Fill the cooling system surge bottle to the cold full line. Check coolant level after the engine has run for two to three minutes.




32. Install air cleaner tube and air box cover.
33. Attach fresh air hose to air cleaner tube.