Operation CHARM: Car repair manuals for everyone.
Manuals through 2025 now available!

Our trusted friends have launched a new website named LEMON, which has newer manuals. It also contains all the CHARM manuals.

LEMON is the spiritual successor to CHARM, I recommend you try it!

Link: lemon-manuals.la or lemon-manuals.org.ua

(Some people have issue connecting. LEMON is investigating. For now, use Firefox or change your DNS server)

Or, hide this message: temporarily or permanently

Removal




1. Disable the SIR system. (Refer to "Disabling the SIR System".)
2. Record pre-set radio stations.
3. Disconnect negative battery cable.
4. Recover refrigerant using an approved refrigerant recovery system.
5. Remove air cleaner housing cover and air induction hose at intake manifold.




6. Remove suction hose and liquid line from thermal expansion valve.




7. Remove thermal expansion valve from evaporator.

NOTE: Place protective covers over A/C hoses, lines, TXV, and HVAC module to prevent contamination of A/C system.

8. Remove coolant reservoir cap.
9. Drain cooling system.




10. Remove heater inlet hose from engine outlet and blow remainder of coolant out of heater core with an air hose in order to prevent coolant from spilling on vehicle interior when removing HVAC module.
11. Install heater inlet hose on engine outlet and position clamp at 4 o'clock position as viewed from left side of vehicle.

CAUTION: MAKE SURE VEHICLE IS PROPERLY SUPPORTED AND SQUARELY POSITIONED. TO HELP AVOID PERSONAL INJURY WHEN A VEHICLE IS ON A HOIST, PROVIDE ADDITIONAL SUPPORT FOR THE VEHICLE ON THE OPPOSITE END FROM WHICH COMPONENTS ARE BEING REMOVED.




12. Raise vehicle.
13. Move damps up heater core inlet and outlet hoses.




14. Remove hoses from heater core.
15. Lower vehicle.




16. Apply parking brake lever.
17. Remove window/mirror switch, if equipped.
17.1 Using a small flat blade screwdriver, carefully lift switch.




17.2 Lift up and out.
17.3 Disconnect electrical connectors by locating retention tabs and disengaging connections.




18. Remove console:
18.1 Select neutral for transaxle gear (on automatic transaxles).
18.2 Adjust front seats to most forward position.
18.3 Remove rear console screws.




18.4 Adjust front seats to most rearward position.
18.5 Remove left and right lower trim panel extensions by pulling outward at dual lock locations.
18.6 Rotate panels outward to disengage hinges from console.




18.7 Remove front console screws.
18.8 Move console rearward.
18.9 Disengage retaining tabs and disconnect power outlet connector.




18.10 On automatic equipped vehicles, press and tape gear selector button in to clear shifter opening.
18.11 Maneuver console beyond gear selector and parking brake by lifting rear of console.
18.12 Remove console from vehicle.




19. Remove I/P top cover:
19.1 Remove (2) screws located under upper trim panel on passenger's side of vehicle.

NOTE: Be careful not to damage VIN plate when removing or replacing instrument panel upper trim.

19.2 Disengage clips at locations by grasping edges of instrument panel upper trim and lifting up.
19.3 Disengage hook-and-loop attachments at rear of instrument panel upper trim by reaching under panel and lifting straight up.
19.4 Raise instrument panel upper trim enough to clear VIN plate.




20. Remove steering column filler panel screws.




21. Remove hood release cable from lever by releasing cable housing, then rotating cable downward to cutout.
22. Remove steering column filler panel.

NOTE: Do not remove weatherstrips. Adhesion will be lost if removed.




23. Remove left endcap assembly:
23.1 Remove screws
23.2 Carefully disengage clips at I/P retainer assembly locations. Use of a blunt tool will aid in disengaging clips.
23.3 Maneuver the assemblies past inner I/P retainer assembly and weatherstrips.
24. Remove wiring harness from doorjamb switch.




25. Remove dimmer/traction switch assembly:
25.1 Use blunt tool to pry and depress retaining tab on left side of switch housing.
25.2 Depress wiring connector tabs and remove harnesses from switch.




26. Gently pry edges of ignition lock bezel with a blunt tool and separate from lower shroud.




27. Remove screws and lower steering column shroud.
28. Lower steering column by pushing down on steering column adjusting handle.
29. Lift and remove upper shroud from steering column.




30. Remove I/P cluster bezel:
30.1 Disengage clips from retainer assembly by grasping edges of bezel near clip locations and pull outward.




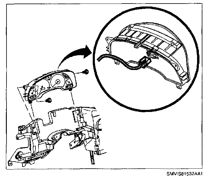
31. Remove I/P cluster:
31.1 Remove screws.
31.2 Disconnect electrical connector from I/P cluster by squeezing tabs on each side of connector.




32. Remove radio:
32.1 Remove radio screws.
32.2 Pull radio out slightly to access rear.
32.3 Disconnect electrical connector, antenna, and ground strap connector.




33. Remove HVAC Controller:
33.1 Remove screws.
33.2 Disconnect HVAC blower switch connector.
33.3 Disconnect HVAC control head connector.




33.4 Remove temperature cable by squeezing lock tabs together while pulling cable (coiled end) straight up beyond retaining tabs.
33.5 Remove mode cable by squeezing lock tabs together while pulling cable (coiled end) straight up beyond retaining tabs.




34. Disengage doorjamb switch wiring harness retainer (metal clip). Remove left and right harnesses from I/P retainer assembly.




35. Disengage dimmer/traction control switch wiring harness from retainer assembly.




36. Remove steering column bolts and lower column on front seat.




37. Remove I/P compartment:
37.1 Open I/P compartment door.
37.2 Turn right and left I/P compartment door stop assemblies to release door and compartment assembly from I/P retainer assembly.

IMPORTANT: Lower I/P door pins are on the right and left outside edges at base of the compartment.

37.3 Push lower I/P door pins from the outside of the door to inside I/P compartment.




38. Remove screws and passenger's side inflatable restraint cover.




39. Disengage antenna lead.




40. Remove H-Brace to front floor bracket assembly bolts.




41. Remove passenger side inflator module.
41.1 Unclip plastic retainer and lift inflator module harness out of energy absorber.

For RHD domestic:




41.2 Remove clip from retaining assembly.




41.3 Remove screws located underneath inflator module.
41.4 Pry retaining tabs outward that retain inflator module to I/P retainer assembly.
41.5 Remove inflator module from opening




42. Remove I/P harness plastic retainer from H-brace
43. Remove screw and ground wires from H-brace.
44. Remove radio ground strap from H-brace.
45. Remove junction block.

IMPORTANT: Use illustration to determine fastener location and direction of removal.




46. Remove I/P screws and nuts.

NOTE: Put I/P retainer assembly on a clean surface so that the assembly surface does not become damaged.

47. Remove I/P retainer assembly from vehicle.




48. Remove I/P lower closeout panel by pulling out at the top edge, and then rotating the top downward.

NOTE: Be careful not to damage foam seal.

49. Lift rear floor heater duct off of mounting bolt and remove.




50. Remove screws and center air outlet duct.




51. Remove screws and unsnap windshield defroster nozzle from mode valve assembly.

IMPORTANT: For SC1 and SC2 vehicles, leave defroster nozzle in place after disconnecting. Nozzle cannot be removed because of windshield rake angle.

52. Remove defroster nozzle by rotating front of nozzle up and away from windshield.




53. Disconnect blower motor resistor connector.
54. Remove wire harness and hold down clips from HVAC module.




55. Disconnect blower motor and recirc motor electrical connectors.




56. Remove wiring harness and hold down clips from HVAC module.




57. Remove fuel vapor line and clip from HVAC module stud to gain access to nut.

IMPORTANT: Lower fasteners may he easier to access by raising vehicle.

58. Remove three screws and two nuts holding HVAC module to the cowl.




Fastener Locations:
^ Screw to the upper right side of TXV.
^ Screw below heater core outlet pipe.
^ Screw just above HVAC module case drain.
^ Nut to the upper left of heater core inlet pipe (below TXV).




59. Remove HVAC module from vehicle. Remove nut on left side of cowl.