Operation CHARM: Car repair manuals for everyone.
Manuals through 2025 now available!

Our trusted friends have launched a new website named LEMON, which has newer manuals. It also contains all the CHARM manuals.

LEMON is the spiritual successor to CHARM, I recommend you try it!

Link: lemon-manuals.la or lemon-manuals.org.ua

(Some people have issue connecting. LEMON is investigating. For now, use Firefox or change your DNS server)

Or, hide this message: temporarily or permanently

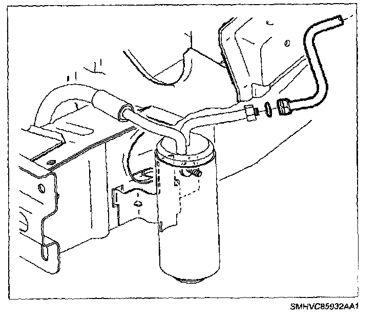
Receiver Dryer: Service and Repair

RECEIVER-DEHYDRATOR

REMOVAL

IMPORTANT: Verifying the purity of the refrigerant with a refrigerant purity identifier before recovery is recommended.




1. Recover refrigerant using an approved refrigerant recovery system.

CAUTION: MAKE SURE VEHICLE IS PROPERLY SUPPORTED AND SQUARELY POSITIONED. TO HELP AVOID PERSONAL INJURY WHEN A VEHICLE IS ON A HOIST, PROVIDE ADDITIONAL SUPPORT FOR THE VEHICLE ON THE OPPOSITE END FROM WHICH COMPONENTS ARE BEING REMOVED.

2. Raise vehicle.




3. Remove push nut and pull back receiver - dehydrator splash shield.
4. Remove lower splash shield.

CAUTION: DO NOT REMOVE HOSES OR LINES BEFORE SYSTEM IS FULLY DISCHARGED

5. Disconnect receiver - dehydrator hose from condenser outlet.




6. Disconnect liquid line from receiver - dehydrator.




7. Remove nut from receiver - dehydrator.
8. Rotate assembly off of stud and pull rearward to disengage from retaining slot.

INSTALLATION




1. Feed receiver - dehydrator hose up over vehicle frame and down to condenser outlet.




2. Install receiver - dehydrator in retaining slot and rotate Onto stud.

IMPORTANT: Installed position is with tab all the way forward and at the bottom of the slot. Make sure pipe does not touch the frame rail.

3. Install and tighten nut.

Torque:
Receiver-Dehydrator Mounting Nut: 10 N.m (89 in-lbs)

NOTE: Use only R-12 Refrigerant oil (mineral) to lubricate O-rings. Use of R-134a (PAG) oil will cause premature corrosion of fitting joints.

IMPORTANT: Make sure receiver - dehydrator hose is parallel with the condenser after tightening the fitting. This will provide hose clearance to the body and frame, avoiding potential damage to the hose.




4. Lubricate O-ring with R-12 Refrigerant oil (mineral) and connect receiver - dehydrator hose on condenser outlet. Tighten fitting.

Torque:
Receiver-Dehydrator Hose-to-Condenser Outlet: 16.5 N.m (12 ft-lbs)

IMPORTANT: Make sure liquid line is not touching sheet metal in the body cut out after tightening the fitting.




5. Install and lubricate new O-ring with R-12 Refrigerant oil (mineral) and connect liquid line on receiver - dehydrator. Tighten fitting.

Torque:
Liquid Line-to-Receiver Dehydrator: 14 N.m (10 ft-lbs)

6. Install lower splash shield.




7. Lower vehicle.
8. Evacuate, charge, and leak test A/C system.
9. Rotate receiver - dehydrator splash shield into place and install push nut.