Operation CHARM: Car repair manuals for everyone.
Manuals through 2025 now available!

Our trusted friends have launched a new website named LEMON, which has newer manuals. It also contains all the CHARM manuals.

LEMON is the spiritual successor to CHARM, I recommend you try it!

Link: lemon-manuals.la or lemon-manuals.org.ua

(Some people have issue connecting. LEMON is investigating. For now, use Firefox or change your DNS server)

Or, hide this message: temporarily or permanently

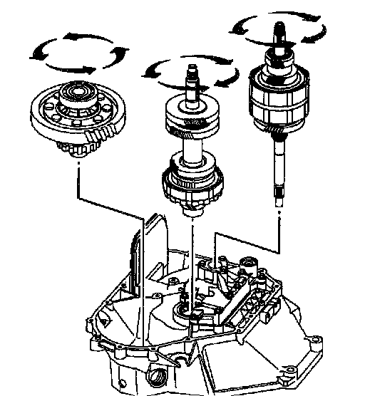
Disassembly

TOOLS REQUIRED
- SA9119T Input Shaft Holding Tool

CAUTION: THE TRANSAXLE CONTAINS COMPONENTS THAT MAY HAVE SHARP EDGES. CARE SHOULD BE TAKEN TO AVOID PERSONAL INJURY WHEN WORKING ON THE TRANSAXLE.

NOTICE: The transaxle should be worked on in a clean area free from dirt or foreign objects that could cause improper operation of the transaxle.





1. Remove the torque converter.
2. Using two screwdrivers, pop converter out.





3. Remove the two converter housing-to-case bolts that are located in the converter housing behind the torque converter.
4. Remove the pressure filter, input speed sensor, output speed sensor, transaxle fluid temperature sensor, and oil level indicator tube to prevent damage while handling the transaxle.





5. Remove the valve body cover and gasket.





6. Remove 11 valve body-to-case bolts (identified on illustration by the heavy circles.)

IMPORTANT: If necessary, perform air check procedure here.





7. Remove valve body from transaxle.





8. Remove the transaxle range switch bolts and remove switch.

NOTICE: When tightening and loosening the nuts on the manual detent lever shaft be sure to hold the shaft from rotating to prevent damage to the park lever rod.

IMPORTANT: Place a clean rag in the transaxle case under the manual detent lever in case anything gets dropped.





9. Remove the inner nut that retains the manual detent lever.
10. Remove the switch and manual detent lever assembly.
11. Disconnect park lever rod from manual detent lever and remove manual detent lever and manual valve link.
12. If diagnosing for a complaint/condition, refer to Pressure Ports-Air Check procedure under Diagnostics.





13. Rotate the transaxle on the bench top so that the end cover faces up.
14. Remove the end cover retaining bolts.

IMPORTANT: To avoid bending the tubes when removing the end cover, lift straight up until both tubes have cleared the shafts.

15. Tap with plastic mallet to loosen end cover and remove.





16. Install the Input Shaft Holding Tool SA91l9T.

IMPORTANT: To hold transaxle in place while removing nuts, drill two holes in bench top to align with top two transaxle to engine bolt holes and put bolts through transaxle into the holes.

IMPORTANT: Save at least one set of input and output shaft clamp nuts to use for checking shaft end clearance during reassembly.





17. Remove the input shaft nut.
18. Remove holding tool, engage the parking pawl to prevent output shaft from rotating, and remove the output shaft nut.
19. Remove the 1st clutch housing and 1st drive gear.





20. Remove the 1st driven gear and sprag clutch from the output shaft.





21. Disassemble sprag clutch assembly.
21.1 With hands, press 1st driven gear hub out of 1st driven gear.
21.2 Remove retainer and discard.
21.3 Remove sprag clutch.





22. Remove the forward/reverse fork retaining bolt, the forward/reverse servo piston cover bolts, cover, spring, servo piston, and shift fork.





23. Remove the case to torque converter housing retaining bolts. Position park rod to avoid interference.
24. Use a large screwdriver to pry two case halves apart using the pry slots provided (1). This may take some rocking back and forth to work the case off the bearings, and in order to break the seal.
25. Remove the case. Check underside of case for stuck thrust washer and bearing.

NOTICE: If input shaft, output shaft and differential are not lifted out together, damage to the output shaft roller bearing inner race may result.





26. Lift the input shaft, output shaft and differential assembly out of the converter housing by grabbing the ends of both shafts and have an assistant lift differential. Rotate the shafts and differential while lifting.