Operation CHARM: Car repair manuals for everyone.
Manuals through 2025 now available!

Our trusted friends have launched a new website named LEMON, which has newer manuals. It also contains all the CHARM manuals.

LEMON is the spiritual successor to CHARM, I recommend you try it!

Link: lemon-manuals.la or lemon-manuals.org.ua

(Some people have issue connecting. LEMON is investigating. For now, use Firefox or change your DNS server)

Or, hide this message: temporarily or permanently

Evaporator Core: Service and Repair

EVAPORATOR COVER ASSEMBLY

REMOVAL




1. Remove HVAC module. Service and Repair




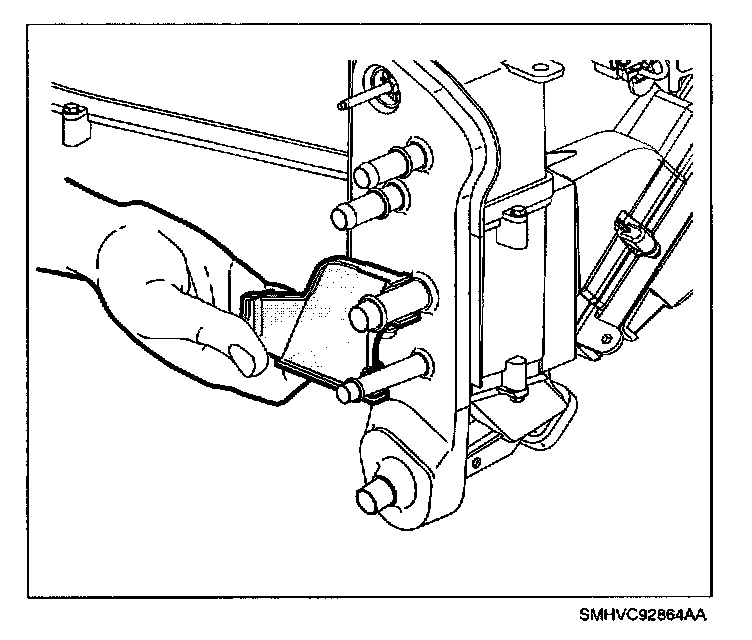
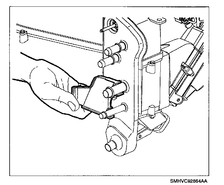
2. Remove TXV to backing plate attachment bolts and remove TXV and backing plate.
3. Remove O-rings from evaporator pipes and caps to prevent system contamination.
4. Remove HVAC module "front of dash" seal.




5. Remove heater duct.




6. Disconnect HVAC module harness from all three mode actuators..
7. Remove panel, defrost and floor mode actuators (if blower case assembly is being replaced, mode actuators do not need to be removed).




8. Remove heater core cover.




9. Remove heater core pipe cover.
10. Remove heater core pipe seal.




11. Grasp heater core at end tanks and remove (spraying perimeter of heater core seal with a soap and water mixture will ease removal).




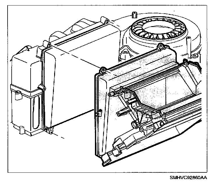
12. Remove evaporator cover assembly.

Evaporator Removal




1. Remove evaporator pipe retainer.




2. Remove evaporator (spraying perimeter of heater core seal with a soap and water mixture will ease removal).

Recirc Assembly Removal




1. Unclip HVAC harness from end bracket.
2. Remove HVAC module end bracket (right side)
3. Disconnect Recirc actuator.




4. Remove recirc assembly.
5. If replacing recirc assembly, remove actuator. If replacing blower case assembly, do not remove actuator.

Blower Case Assembly Removal




1. Unclip HVAC module wire harness from blower case assembly.
2. Remove blower motor.




3. Remove blower motor resistor card.

INSTALLATION

Blower Case Assembly Installation

1. Install blower motor resistor card.

Torque:
Blower Motor Resistor Screws: 1 N.m (9 in-lbs)




2. Install blower motor.

Torque:
Blower Motor Screws: 1 N.m (9 in-lbs)

3. Clip HVAC module wire harness to blower case assembly.

Recirc Assembly Installation




1. Install Recirc actuator.

Torque:
Recirc Actuator Screws: 1 N.m (9 in-lbs)

2. Route HVAC module harness thru end bracket bottom hole and install bracket.
3. Clip HVAC harness to bracket and plug in recirc actuator.




4. Install Recirc assembly.

Torque:
Recirc Assembly Screws: 1 N.m (9 in-lbs)

Evaporator Installation




1. Inspect seal around evaporator. Make sure seal is in correct position and retained properly.
2. Spray seal with a soap and water mixture to ease the installation of evaporator.
3. Install evaporator.

Evaporator Cover Installation




1. Install evaporator cover assembly.

Torque:
Evaporator Cover Screws: 1 N.m (9 in-lbs)




2. If evaporator was replaced, install evaporator pipe retainer.

Torque:
Evaporator Pipe Retainer Screws: 1 N.m (9 in-lbs)




3. If evaporator cover assembly is being replaced, install mode actuator.

Torque:
Mode Actuator Screws: 1 N.m (9 in-lbs)




4. Install heater core (spraying perimeter of heater core seal with a soap and water mixture will ease installation).
5. Install heater core pipe seal.




6. Install heater core pipe cover.

Torque:
Heater Core Pipe Cover Screws: 1 N.m (9 in-lbs)




7. Install heater core cover.

Torque:
Heater Core Screws: 1 N.m (9 in-lbs)




8. Install panel, defrost and floor mode actuators (if blower case assembly was replaced, mode actuators do not need to be installed).

Torque:
Mode Actuator Screws: I N.m (9 in-lbs)

9. Connect HVAC module harness to all three mode actuators.




10. Install heater duct.

Torque:
Heater Duct Screws: 1 N.m (9 in-lbs)

11. Install HVAC module "front of dash" seal (inspect if damaged, replace).

NOTE:
^ Use fully R-12 refrigerant oil (mineral) to lubricate O-rings. Use of R-134a PAG oil will cause premature corrosion of fitting joints.
^ Use only clean lint free cloths with non-petroleum based solvents to clean refrigerant system sealing surfaces. Allow solvent to dry with air. Do not allow solvents ti enter refrigerant system.




12. Remove evaporator pipe caps and insure seal areas arc clean, dry and lint free.
13. Install new O-rings to evaporator lubrication with mineral oil.
14. Remove shipping caps and install TXV to evaporator pipes with backing plate and bolts.

Torque:
TXV Backing Plate Bolts: 9 N.m (80 in-lbs)




15. Install HVAC module.