Operation CHARM: Car repair manuals for everyone.
Manuals through 2025 now available!

Our trusted friends have launched a new website named LEMON, which has newer manuals. It also contains all the CHARM manuals.

LEMON is the spiritual successor to CHARM, I recommend you try it!

Link: lemon-manuals.la or lemon-manuals.org.ua

(Some people have issue connecting. LEMON is investigating. For now, use Firefox or change your DNS server)

Or, hide this message: temporarily or permanently

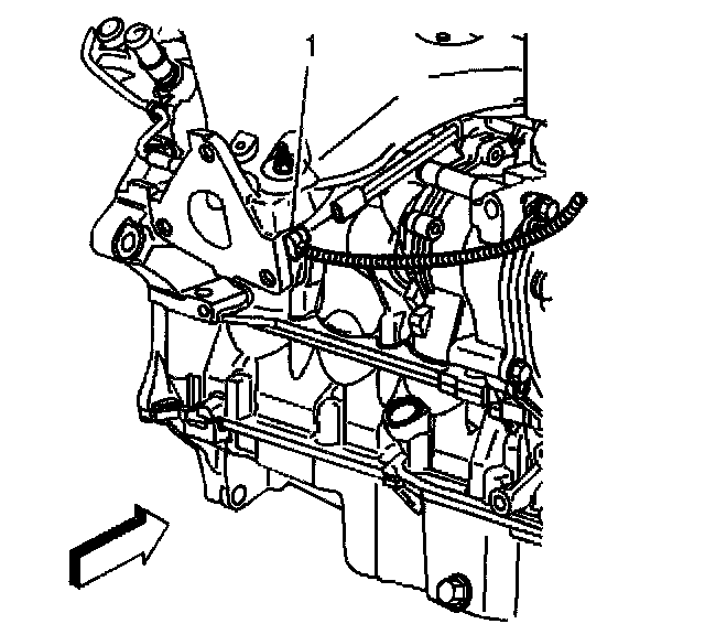
Coolant Heater Replacement

Coolant Heater Replacement

Removal Procedure





1. Disconnect the coolant heater cord (1).





2. Remove the coolant heater bolt.
3. Remove the coolant heater.

Installation Procedure





1. Install the coolant heater.

Notice: Refer to Fastener Notice in Service Precautions.

2. Install the coolant heater bolt.
- Tighten the bolt to 10 Nm (89 inch lbs.)





3. Connect the coolant heater cord (1),