Operation CHARM: Car repair manuals for everyone.
Manuals through 2025 now available!

Our trusted friends have launched a new website named LEMON, which has newer manuals. It also contains all the CHARM manuals.

LEMON is the spiritual successor to CHARM, I recommend you try it!

Link: lemon-manuals.la or lemon-manuals.org.ua

(Some people have issue connecting. LEMON is investigating. For now, use Firefox or change your DNS server)

Or, hide this message: temporarily or permanently

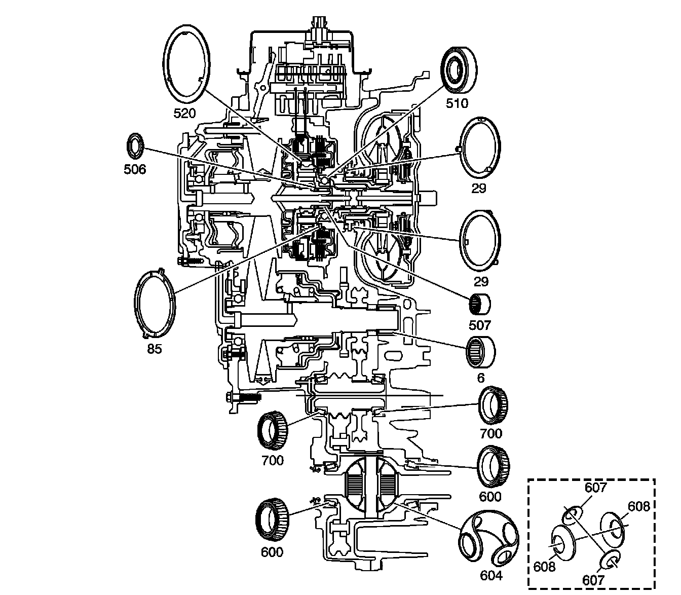
Transmission Bearing Locations

Bearing Locations





6 - Variable Driven Pulley Bearing Assembly
29 - Drive Sprocket Thrust Washer
29 - Drive Sprocket Thrust Washer
85 - Reverse Clutch Hub Thrust Washer
506 - Sun Gear Thrust Washer
507 - Input Shaft Bearing Assembly - Inner
510 - Input Shaft Bearing Assembly - Outer
520 - Input Internal Gear Thrust Washer
600 - Front Differential Carrier Bearing Assembly
600 - Front Differential Carrier Bearing Assembly
604 - Front Differential Carrier Thrust Washer
700 - Front Differential Drive Pinion Gear Bearing Assembly
700 - Front Differential Drive Pinion Gear Bearing Assembly