Operation CHARM: Car repair manuals for everyone.
Manuals through 2025 now available!

Our trusted friends have launched a new website named LEMON, which has newer manuals. It also contains all the CHARM manuals.

LEMON is the spiritual successor to CHARM, I recommend you try it!

Link: lemon-manuals.la or lemon-manuals.org.ua

(Some people have issue connecting. LEMON is investigating. For now, use Firefox or change your DNS server)

Or, hide this message: temporarily or permanently

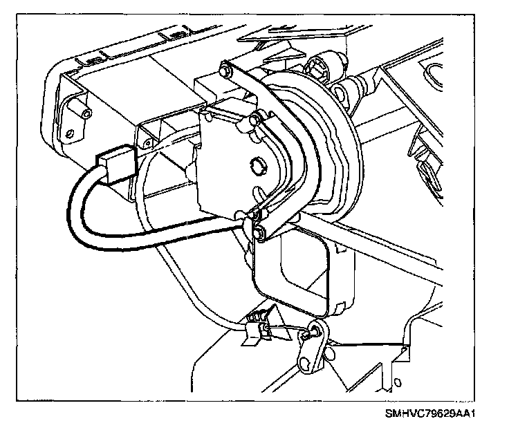
HVAC Module Assembly




1. Install temperature, heater, defroster, and vent doors into case.
2. Install right side of case, carefully lining up door shafts with case openings.
3. Verify that each door can be easily rotated through out its entire motion.




4. Install case screws and clips.

Torque:
HVAC Module Screws: 1.0 N.m (9 in-lbs)




5. Install evaporator into bottom of case.
6. Install module lower case and install screws.

Torque:
HVAC Module Screws: 1.0 N.m (9 in-lbs)




7. Install heater core into case.

IMPORTANT: Verify that both pipes have a bushing and O-ring installed before installing into core.




8. Install heater pipes into case and then into heater core. Shorter pipe is upper.
9. Install heater pipe retaining clamps.

IMPORTANT: Lower heater pipe clamp hinge fits into the tab of the heater core retainer strap.

10. Install heater core retaining strap.




11. Install TXV/Heater pipe seal.
12. Install TXV.

Torque:
TXV-to-Block Bolts: 7.0 N.m (62 in-lbs)




13. Install recirculation doors.
14. Install recirculation door rod to small door. With both doors held firmly closed, snap rod into retainer clip and close clip.




15. Install recirculation actuator assembly onto door shaft. Shaft has two flats that must be aligned to actuator. Install recirculation actuator bracket to module screws.

Torque:
Recirculation Actuator Bracket-to-HVAC Module Screws: 1.0 N.m (9 in-lbs)




16. Install vent and heater sub-levers. These sub-levers are identical and should have the slotted end inward.
17. Install defrost door to sub-lever.




18. Install vent primary lever.

Torque:
Vent Primary Lever Fastener: 1.0 N.m (9 in-lbs)

19. Install heater primary lever.

Torque:
Heater Primary Lever Fastener: 1.0 N.m (9 in-lbs)




20. Install cam. Rotate to verify proper installation.




21. Install mode actuator.

Torque:
Mode Actuator Fastener: 1.0 N.m (9 in-lbs)

Standard HVAC Vehicles Only:




22. Install blower motor resistor card.

Torque:
Blower Motor Resistor Card Fastener: 1.0 N.m (9 in-lbs)

Automatic Climate Control Vehicles Only:
23. Install aspirator hose.
24. Install blower motor control module.

Torque:
Blower Motor Control Module: 3.0 N.m (27 in-lbs)

Standard HVAC Vehicles Only:




25. Install temperature door cable eyelet over temperature door lever. Do not install housing into retaining clip at this time.
26. Attach electrical harness to back of module. Connect actuators, blower resistor, and route to blower motor.

Automatic Climate Control Vehicles Only:




27. Attach electrical harness to back of module. Connect actuators, blower control module and route to blower motor.
28. Push blower motor harness grommet through hole then pull back to seat.
29. Install harness to case screw at mode actuator.




30. Install blower motor assembly into module housing. Blower motor assembly rib must fit into channel in housing.
31. Connect blower motor electrical connector.




32. Install blower motor housing. Housing rib must fit into slot in case. Snap left and right clips into place and install screws.

Torque:
Blower Motor Housing Screws: 1.0 N.m (9 in-lbs)

33. Install connector duct to HVAC module and install screw.

Torque:
HVAC Module Duct Screws: 1.0 N.m (9 in-lbs)




34. Install lower insulator into forward edge of case then stretch to hook on barbs.