Operation CHARM: Car repair manuals for everyone.
Manuals through 2025 now available!

Our trusted friends have launched a new website named LEMON, which has newer manuals. It also contains all the CHARM manuals.

LEMON is the spiritual successor to CHARM, I recommend you try it!

Link: lemon-manuals.la or lemon-manuals.org.ua

(Some people have issue connecting. LEMON is investigating. For now, use Firefox or change your DNS server)

Or, hide this message: temporarily or permanently

Valve Spring: Service and Repair

VALVE SPRING AND STEM SEAL REPLACEMENT

TOOLS REQUIRED
- J43649 Valve Spring Compressor
- J43655 Camshaft Support Holding
- SA9102E-A Valve Seal Remover/Replacer
- SA9127E Gauge Bar Set

REMOVAL
1. Disconnect negative battery cable.





2. Disconnect Intake Air Temperature (IAT) sensor connector.
3. Loosen clamp at air cleaner assembly.
4. Remove pushpin attachment from outlet resonator/duct assembly to support bracket.
5. Loosen clamp at throttle body assembly.
6. Disconnect PVC fresh air vent hose at cam cover.
7. Remove outlet resonator/duct assembly.





8. Remove ignition module assembly with bolts.
9. Disconnect coolant degas bracket and bolt at back of cylinder head.
10. Disconnect degas hose at clamp at cylinder head and position away from cam cover assembly.





11. Disconnect ground strap at rear of cam cover assembly.





12. Relieve fuel system pressure.
13. Disconnect Gauge Bar Set SA9127E after pressure has been relieved.





14. Disconnect fuel rail bracket and bolt at rear of cam cover.





CAUTION: WHENEVER FUEL LINE FITTINGS ARE LOOSENED OR DISCONNECTED, WRAP A SHOP CLOTH AROUND FITTING TO COLLECT FUEL. PLACE CLOTH IN AN APPROVED CONTAINER.

NOTICE: An open-end wrench must be used to support the fuel line-to-rail connection during loosening/tightening to avoid damaging fuel rail assembly.

15. While supporting fuel rail assembly with an open-end wrench, loosen transfer line fitting at fuel rail.





16. Position fuel line away from cam cover assembly.





17. Remove cam cover assembly bolts.
18. Remove cam cover assembly.





19. Remove purge valve from power steering plate.
20. Remove power steering block off plate if intake camshaft is being removed.





NOTICE: To avoid valve-to-piston contact, No. 1 piston must be positioned at approximately 60 degrees Before-Top-Dead Center (BTDC). Pistons are properly positioned when diamond shaped hole on intake camshaft sprocket is located at 12 o'clock.

IMPORTANT: To rotate camshaft(s), use a 24 mm open-end wrench on camshaft flats. Camshaft(s) should be rotated in a clockwise direction only (facing camshaft sprockets from passenger side of vehicle)

21. Locate the No. 1 piston to approximately 60 degrees before top-dead-center (diamond shaped hole on intake camshaft sprocket at 12 o'clock position) Remove spark plugs. This will ease rotation effort





NOTICE: Care should be taken removing guide bolts to avoid from falling down into front cover.

22. Remove upper timing chain guide
23. Remove front camshaft caps





NOTICE: During camshaft removal procedure, the pistons are locked in position by Camshaft Support Holding J43655 tool. DO NOT rotate engine crankshaft or tool damage and timing reset will be required. Camshafts can be rotated ONLY AFTER #I piston is at 60 degrees before-top-dead-center and sprocket has been disengaged from camshaft.

IMPORTANT: Lubricate sprocket pins with clean motor oil. These will allow sprockets to easily slide on sprocket pins

24. Install Camshaft Support Holding tool J43655 through sprocket holes from timing chain side of sprocket towards rear of engine.





25. With guide pin installed in sprocket, align guide pins into slots on support plate.
26. Tighten support bracket to cylinder head.
Torque:
Support Plate-to-Cylinder Head: 10 N.m (89 inch lbs.)





27. Install wingnuts and tighten.
28. Hold each camshaft in place using 24 mm open-end wrench and carefully remove camshaft sprocket timing retaining bolts and washers. Discard Torque-To-Yield (TTY) bolts.

IMPORTANT: When sliding timing chain and sprockets onto guide pins, be sure timing chain is positioned properly on adjustable and fixed guide or guide damage will occur. Care should be taken when removing camshaft sprockets from camshafts.

IMPORTANT: Camshafts are spring loaded and may rotate. Care should be taken until all spring tension is removed from camshaft.

29. Slide camshaft sprockets away from camshafts.





30. To release spring tension on camshaft, after camshaft is disengaged from sprocket, rotate camshaft using a 24 mm wrench to a neutral position.





31. Uniformly loosen and remove remaining camshaft bearing cap bolts.
32. Carefully pull camshaft(s) straight up to avoid damaging cylinder head thrust surfaces.





IMPORTANT: When servicing cylinder head components, components should be kept in order to assure proper re-assembly.





33. Remove rocker arms (followers).





34. Remove lash adjusters.





NOTICE: During camshaft removal procedure, the pistons are locked by Camshaft Support Holding tool J43655 and SHOULD NOT be rotated. Tool damage may result and timing chain re-timing will be required.

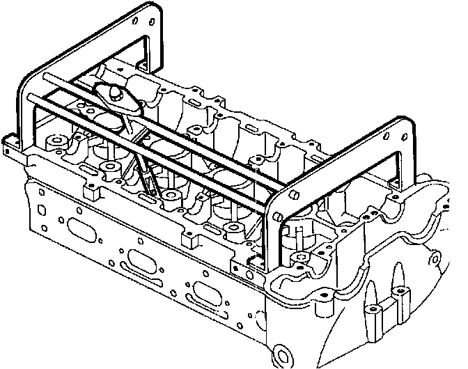
35. Install Valve Spring Compressor J43649. Use four cam cover bolts to mount the supports to cylinder head. Thread bolts into cam cover holes.
Torque:
Cam Cover Bolts-to-Hold Valve Spring Compressor: 10 N.m (89 inch lbs.)
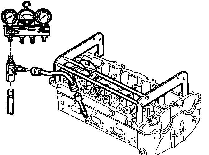
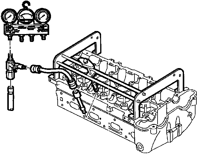
36. Install spark plug adapter from Gauge Bar Set SA9127E in the respective cylinder.





NOTICE: Care should be used when servicing valve spring, retainer and valve. If air pressure is lost, valve will drop into cylinder.

37. Pressurize cylinder being serviced to 690 kPa (100 psi).
38. Both intake and exhaust valves must be closed to allow pressure to build. Do not rotate engine.





39. Position compressor assembly over valve spring to be removed and tighten down.

IMPORTANT: The T-handle compressor was used on L-Series vehicles but does not provide sufficient clearance when servicing the SUV. Changing the tool from the T-handle compressor rod to the shorter hex rod will allow service for all 4-cylinder applications.

40. Use a magnetic to remove valve retainers.
41. Release tension on Valve Spring Compressor J43649 tool.





42. Remove valve spring cap and spring.





43. Remove valve seal using Valve Seal Remover/Replacer SA9 1 02E-A.
44. One cylinder must be serviced at a time to allow the cylinder to be pressurized. After reassembly, steps 36 42 can be completed on other cylinders as necessary.

INSTALLATION

NOTICE: After cylinder head, block or lifter replacement, it will be necessary to allow the engine to idle for three to five minutes. If lifters are noisy, warm the engine up at a low rpm (less than 2,000). After coolant temperature has reached approximately 85 degrees C (185 degrees F), cycle the engine rpm from idle to 3,000 rpm for approximately 10 minutes or drive the vehicle 8 kilometers (5 miles) to purge the air. If air cannot be purged, the faulty lifters will have to be replaced. Lifters that are pumped up may cause PCM misfire codes to set. Continue to operate the engine until the lifters bleed down. Use a Scan tool to clear codes and malfunction history.

NOTICE: If valve stem seals are removed, they must be discarded. The valve stem lock groove will cut the seal's lip during removal. Use extreme care not to damage valve stems when installing retainers.

IMPORTANT: Before each valve stem seal is installed, oil the valve stem seal and guide If a valve stem seal is removed it must be discarded





1. Inspect valve stem for scratches, scores, and scuffs. Spray valve stem and guide with clean lubricating oil to remove any debris that may be present on valve stem or top of guide.





2. Oil valve guide and valve stem. Install valve stem oil seal with service tool SA9102E





3. Install valve spring caps.





4. Install valve springs.





5. Install valve retainers and remove Gauge Bar Set SA9 127E.
6. Install Gauge Bar Set SA9127E and pressurize any additional cylinders that require service.
7. Complete steps 1-6 as necessary.





8. Remove Gauge Bar Set SA9127E.
9. Remove Valve Spring Compressor J43649.





10. Install lubricated lash adjusters in their correct locations.





11. Install rocker arms (followers).





12. Lubricate camshaft bearing journals with clean engine oil and install both camshafts.
13. When installing camshafts, attempt to position camshaft slot in line with notch on sprockets.
14. Install all bearing caps except for front cap and rear intake camshaft cap (if serviced). Tighten down bearing cap uniformly.
Torque:
Camshaft Bearing Cap Bolts: 10 N.m (89 inch lbs.)





NOTICE: Verify timing chain is properly positioned on the fixed guide or guide damage will occur.

IMPORTANT: Ensure that alignment slots are correctly aligned with notches in camshaft sprockets before final torque is applied.

IMPORTANT: Verify camshafts are properly timed prior to starting engine.

15. Slide camshaft sprocket(s) and timing chain on guide pins toward camshaft(s). Rotate camshaft(s) with 24 mm open-end wrench to properly align camshaft(s) and sprockets.
16. Install new camshaft sprocket bolts and tighten. This will pull camshaft sprockets and camshafts together. Hold camshaft with 24 mm open-end wrench during tightening.
Torque:
Camshaft Sprocket Bolts: 85 N.m (63 ft. lbs.) +30 degrees
17. Remove Camshaft Sprocket Holding Tool J43655.
18. Install front camshaft caps.
Torque:
Camshaft Bearing Cap Bolts: 10 N.m (89 inch lbs.)





19. Install upper timing chain guide and bolts.
Torque:
Timing Chain Guide Bolts: 10 N.m (89 inch lbs.)

IMPORTANT: Apply Permatex Anaerobic Flange Sealant to cylinder head near the rear intake cap as shown.





20. Install rear intake camshaft bearing cap.
Torque:
Intake Camshaft Rear Cap: 25 N.m (18 ft. lbs.)
21. Install power steering block off plate.
Torque:
Power Steering Block Off Plate: 25 N.m (18 ft. lbs.)





22. Visually inspect camshaft cover gasket for signs of leakage. Camshaft cover gasket is reusable if not damaged.
23. Assemble camshaft cover and gasket. Use care to make sure that gasket is located in retaining groove on camshaft cover.
24. Install cover on cylinder head and hand tighten bolts.
Torque:
Camshaft Cover Bolts: 10 N.m (89 inch lbs.)





NOTICE: An open-end wrench must be used to support the fuel line to rail connection during loosening/tightening to avoid damaging fuel rail assembly.

25. Re-position fuel line assembly.
26. Install transfer line fitting at fuel-to-fuel rail
Torque:
Transfer Line Fitting-to-Fuel Rail: 10 N.m (89 inch lbs.)





27. Connect fuel rail bracket and bolt to cylinder head
Torque:
Fuel Line Bracket Bolt: 10 N.m (89 inch lbs.)





28. Connect ground strap to camshaft cover assembly.
Torque:
Camshaft Cover Ground Strap Bolts: 10 N.m (89 inch lbs.)
29. Connect degas hose and clamp to cylinder head.
30. Connect degas hose clip to fuel rail
31. Install spark plugs.
Torque:
Spark Plugs: 20 N.m (15 ft. lbs.)





32. Install ignition module assembly to cam cover and hand-tighten retaining bolts.
Torque:
Ignition Module-to-Camshaft Cover Bolts: 8 N.m (71 inch lbs.)





33. Position outlet resonator/duct assembly into position.
34. Connect PCV fresh air vent hose assembly.
35. Tighten clamp at throttle body assembly.
36. Position outlet resonator/duct assembly up with support bracket and install push-pin.
37. Tighten clamp at air cleaner assembly.
38. Connect Intake Air Temperature (IAT) sensor connector.
39. Connect negative battery cable.
Torque:
Battery Terminal Bolt: 17 N.m (13 ft. lbs.)