Engine: Locations
MECHANICAL COMPONENT LOCATIONSCYLINDER HEAD AND COMPONENTS
INTAKE MANIFOLD AND COMPONENTS
EXHAUST MANIFOLD AND COMPONENTS
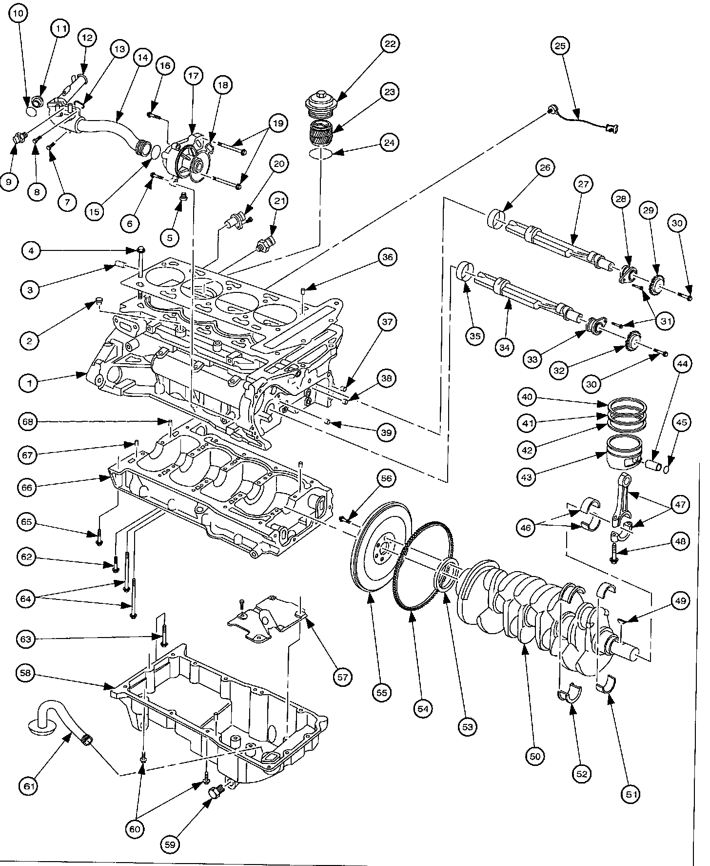
ENGINE BLOCK AND COMPONENTS
TIMING CHAIN AND COMPONENTS
ACCESSORY AND ACCESSORY DRIVE COMPONENTS
ENGINE SUPPORT FIXTURE CONFIGURATIONS
4 CYLINDER (L61)