Operation CHARM: Car repair manuals for everyone.
Manuals through 2025 now available!

Our trusted friends have launched a new website named LEMON, which has newer manuals. It also contains all the CHARM manuals.

LEMON is the spiritual successor to CHARM, I recommend you try it!

Link: lemon-manuals.la or lemon-manuals.org.ua

(Some people have issue connecting. LEMON is investigating. For now, use Firefox or change your DNS server)

Or, hide this message: temporarily or permanently

Condenser HVAC: Service and Repair

REMOVAL

IMPORTANT: Verifying the purity of the refrigerant with a refrigerant purity identifier before recovery is recommended.

1. Recover refrigerant using an approved refrigerant recovery system. Measure the amount of oil lost during recovery and record.
2. Remove front fascia.




3. Remove battery box air duct.




4. Remove condenser radiator fan module (CRFM) closeout panel.




5. Remove receiver/dehydrator (RD) line from condenser.
6. Install protective cap to RD line to prevent contamination and desiccant saturation.




7. Remove discharge line from condenser.
8. Install protective cap to discharge line to prevent contamination and desiccant saturation.




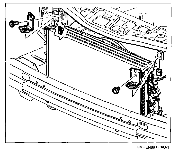
9. Remove upper CRFM bracket and puck assembly.




10. Lift condenser while holding upper retention tabs forward and remove condenser.

INSTALLATION
1. Check radiator to condenser seal for proper position.
2. Install condenser by guiding lower and upper tabs into retention clips on radiator and pressing down to snap into place.




3. Install upper CRFM bracket and puck assemblies.

Torque:
CRFM Bracket Bolts: 10 N.m (88 in. lbs.)

4. Remove protective cap from discharge line.




5. Install new seal washer and install discharge line to condenser.

Torque:
Discharge Line to Condenser: 16 N.m (12 ft. lbs.)




6. Install new seal washer and install RD line to condenser.

Torque:
RD Line to Condenser: 16 N.m (12 ft. lbs.)




7. Install CRFM closeout panel.




8. Install battery box air duct.
9. Install front fascia.
10. Evacuate, charge, and leak test A/C system.