Operation CHARM: Car repair manuals for everyone.
Manuals through 2025 now available!

Our trusted friends have launched a new website named LEMON, which has newer manuals. It also contains all the CHARM manuals.

LEMON is the spiritual successor to CHARM, I recommend you try it!

Link: lemon-manuals.la or lemon-manuals.org.ua

(Some people have issue connecting. LEMON is investigating. For now, use Firefox or change your DNS server)

Or, hide this message: temporarily or permanently

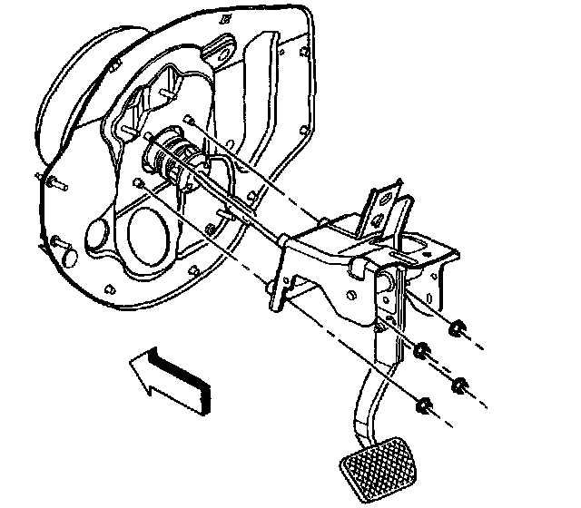
Brake Pedal Assy: Service and Repair

Brake Pedal Assembly Replacement

Removal Procedure





1. Release the Electric Power Steering (EPS) wiring harness from the brake pedal bracket.
2. Remove the cruise control module, if equipped, from the brake pedal bracket.
3. Remove the accelerator pedal mounting nuts. Reposition the accelerator pedal to improve tool access to the LH, lower booster mounting nut.
4. Loosen the brake booster mounting nuts.
5. Remove the retaining clip (4) and washer (3) from the brake pedal.
6. Release the brake booster pushrod (2) from the brake pedal.
7. Remove the brake booster mounting nuts.
8. Remove the brake pedal bracket-to-steering column bracket bolt (1).





9. Lower the brake pedal assembly to improve access for switch removal.
10. Remove the stop lamp switch from the pedal bracket.
11. Remove the cruise control release switch, if equipped, from the pedal bracket.
12. Remove the brake pedal assembly from the vehicle.

Installation Procedure





1. Install the brake pedal assembly to the vehicle.
2. Install the cruise control release switch, if equipped, to the pedal bracket.
3. Install the stop lamp switch to the pedal bracket.
4. Move the brake pedal assembly to the installed position.





Notice: Refer to Fastener Notice in Service Precautions.

5. Install the brake pedal bracket-to-steering column bracket bolt (1).
- Tighten the bolt to 25 Nm (18 ft. lbs.).
6. Loosely install the brake booster mounting nuts.
7. Apply a thin coating of lithium grease to the pushrod pin on the brake pedal.
8. Connect the brake booster pushrod (2) to the brake pedal.
9. Install the washer (3) and retaining clip (4) to the brake pedal.
10. Tighten the vacuum brake booster mounting nuts.
- Tighten the nuts to 25 Nm (18 ft. lbs.).
11. Install the accelerator pedal into position and install the pedal mounting nuts.
12. Adjust the stop lamp switch.
13. Adjust the cruise control release switch, if equipped.
14. Install the cruise control module, if equipped, to the brake pedal bracket.
15. Secure the EPS wiring harness to the pedal bracket.