Operation CHARM: Car repair manuals for everyone.
Manuals through 2025 now available!

Our trusted friends have launched a new website named LEMON, which has newer manuals. It also contains all the CHARM manuals.

LEMON is the spiritual successor to CHARM, I recommend you try it!

Link: lemon-manuals.la or lemon-manuals.org.ua

(Some people have issue connecting. LEMON is investigating. For now, use Firefox or change your DNS server)

Or, hide this message: temporarily or permanently

Brake Caliper Replacement

Brake Caliper Replacement

Caution: Refer to Brake Dust Caution in Service Precautions.

Caution: Refer to Brake Fluid Irritant in Service Precautions.

Removal Procedure





1. Inspect the fluid level in the brake master cylinder reservoir.
2. If the brake fluid level is midway between the maximum-full point and the minimum allowable level, no brake fluid needs to be removed from the reservoir before proceeding.
3. If the brake fluid level is higher than midway between the maximum-full point and the minimum allowable level, remove brake fluid to the midway point before proceeding
4. Raise and support the vehicle.
5. Remove the tire and wheel assembly.
6. Install and firmly hand tighten 2 wheel nuts to opposite wheel studs in order to retain the rotor to the hub.
7. Install a large C-clamp (1) over the body of the brake caliper (2) with the C-clamp ends against the rear of the caliper body and against the outer brake pad.
8. Tighten the C-clamp until the caliper piston is compressed into the caliper bore enough to allow the caliper to slide past the brake rotor.
9. Remove the C-clamp from the caliper.





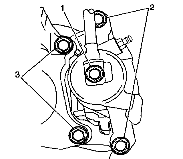
10. Remove the brake hose-to-caliper bolt (1) from the brake caliper.
11. Remove the brake hose (3) from the brake caliper.
12. Remove and discard the 2 copper brake hose gaskets (2). These gaskets may be stuck to the brake caliper and/or the brake hose end (3).
13. Cap or plug the opening in the brake caliper and the brake hose to prevent fluid loss and contamination.





14. Remove the brake caliper guide pin bolts (2).
15. Remove the brake caliper from the caliper bracket.
16. Inspect the brake caliper guide pins for freedom of movement, and inspect the condition of the guide pin boots, Move the guide pins inboard and outboard within the bracket bores, without disengaging the slides from the boots, and observe for the following:
- Restricted caliper guide pin movement
- Looseness in the brake caliper mounting bracket
- Seized or binding caliper guide pins
- Split or torn boots
17. If any of the conditions listed are found, the brake caliper guide pins and/or boots require replacement.

Installation Procedure





1. Install the brake caliper to the brake caliper bracket.

Notice: Refer to Fastener Notice in Service Precautions.

2. Install the brake caliper guide pin bolts.
- Tighten the bolts to 34 Nm (25 lb ft),





3. Remove the caps or plugs from the brake caliper opening and the brake hose (3).

Important: Do not reuse the copper brake hose gaskets.

4. Install NEW copper brake hose gaskets (2) to the brake hose-to-caliper bolt (1) and to the brake hose (3).
5. Install the brake hose and the brake hose-to-brake caliper bolt to the brake caliper.
- Tighten the bolt to 48 Nm (35 lb ft).
6. Bleed the hydraulic brake system.
7. Remove the wheel nuts retaining the brake rotor to the wheel hub.
8. Install the tire and wheel assembly.
9. Lower the vehicle.
10. With the engine OFF, gradually apply the brake pedal to approximately 2/3 of its travel distance.
11. Slowly release the brake pedal.
12. Wait 15 seconds, then gradually apply the brake pedal approximately 2/3 of its travel distance again until a firm brake pedal apply is obtained. This will properly seat the brake caliper pistons and brake pads.