Operation CHARM: Car repair manuals for everyone.
Manuals through 2025 now available!

Our trusted friends have launched a new website named LEMON, which has newer manuals. It also contains all the CHARM manuals.

LEMON is the spiritual successor to CHARM, I recommend you try it!

Link: lemon-manuals.la or lemon-manuals.org.ua

(Some people have issue connecting. LEMON is investigating. For now, use Firefox or change your DNS server)

Or, hide this message: temporarily or permanently

Transmission Replacement

Transmission Replacement

Removal Procedure





1. Disconnect the negative battery cable.
2. Remove the transmission control module (TCM).
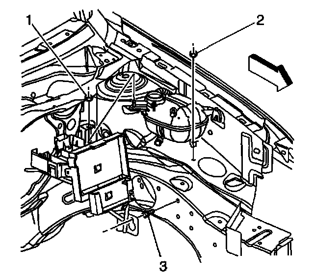
3. Remove the positive battery post from the underhood junction block (2).
4. Disconnect the positive battery cables from the underhood junction block (1).
5. Disconnect the surge tank inlet hose from the surge tank.





6. Remove the underhood junction block bracket nuts (1,2).
7. Loosen the underhood junction block bracket bolt (3).
8. Disconnect the front wiring harness from the underhood junction block bracket.





9. Reposition the underhood junction block bracket aside.





10. Disconnect the park/neutral position switch harness connector.
11. Install the engine support fixture.
12. Secure the cooling module to the upper body structure.





13. Remove the upper transmission to mount bolts.
14. Remove the upper transmission to engine bolt.
15. Remove the frame.
16. Drain the transmission.





17. Disconnect the transmission cooler lines from the transmission.
18. Disconnect the drive axles from the transmission and secure out of the way.
19. Remove the starter.





20. Remove the torque converter to flywheel bolts.
21. Disconnect the shift cable from the transmission.

22. Lower the vehicle.
23. Use the engine support fixture rear hook to lower the powertrain approximately 2-3 inches. This will allow clearance between the side rail and powertrain.
24. Raise the vehicle.
25. Use a transmission jack to secure the transmission, and remove the transmission to engine bolts.
26. Remove the transmission from the vehicle.
27. Remove the PNP switch.
28. Remove the shift cable bracket.
29. Remove the front transmission mount from the transmission.
30. Remove the rear transmission mount and bracket from the transmission.
31. Flush the transmission cooler lines.

Installation Procedure





1. Install the rear transmission mount to the transmission.
2. Install the front transmission mount to the transmission.

Notice: Refer to Fastener Notice in Service Precautions.

3. Install the shift cable bracket.
^ Tighten the bolts to 23 Nm (17 ft. lbs.).
4. Install the PNP switch.
5. Use a transmission jack to position the transmission to the vehicle.

Important: The number three position does not require a bolt.

6. Secure the transmission to the engine.
^ Tighten the bolts to 75 Nm (55 ft. lbs.).





7. Connect the shift cable to the transmission.
8. Install the torque converter to flywheel bolts.
^ Tighten the bolts to 65 Nm (48 ft. lbs.).
9. Install the starter.





10. Connect the drive axles to the transmission.

Important: Lubricate the transmission cooler pipes in order to prevent damage to the seals.

11. Connect the transmission cooler lines to the transmission.
^ Tighten the nut to 7 Nm (62 inch lbs.).
12. Lower the vehicle.
13. Use the engine support fixture in order to raise the powertrain assembly.
14. Install the transmission side mount.
15. Install the frame.
16. Remove the engine support fixture.
17. Install the top engine to transmission bolt
^ Tighten the bolt to 75 Nm (55 ft. lbs.).





18. Connect the park/neutral position switch harness connector.
19. Release the cooling module from the upper body structure.





20. Position the under hood junction block to the original mounting.
21. Install the surge tank inlet hose to the surge tank.





22. Install the front wiring harness to the junction block bracket.
23. Connect the positive battery cables to the junction block bracket (1).
24. Install positive battery post to the junction block bracket (2).





25. Install the junction block bracket, bolt and nuts.
^ Tighten the nuts to 10 Nm (89 inch lbs.).
^ Tighten the bolt to 25 Nm (18 ft. lbs.).
26. Install the transmission control module.
27. Connect the negative battery cable.
28. Fill the transmission to the proper level.