Operation CHARM: Car repair manuals for everyone.
Manuals through 2025 now available!

Our trusted friends have launched a new website named LEMON, which has newer manuals. It also contains all the CHARM manuals.

LEMON is the spiritual successor to CHARM, I recommend you try it!

Link: lemon-manuals.la or lemon-manuals.org.ua

(Some people have issue connecting. LEMON is investigating. For now, use Firefox or change your DNS server)

Or, hide this message: temporarily or permanently

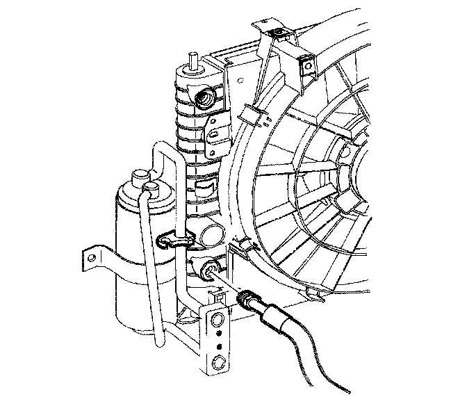
Radiator: Service and Repair

Radiator Replacement (L61)

Removal Procedure





1. Remove the battery.
2. Drain the coolant.
3. Disconnect the cooling fan electrical connectors.
4. Remove the electrical connectors from the connector retainer by sliding the connector.





5. Remove the pusher fan electrical harness from the fan shroud retainer tabs.
6. Remove the wiring harness from the clamp on the fan shroud.





7. Remove the upper transaxle cooler line from the radiator.
8. Cap or tape off the cooler line to prevent oil loss or contamination.
9. Remove the upper cooler line from the radiator end tank clip.





10. Remove the upper radiator hose clamp.
11. Remove the upper radiator hose from the radiator.





12. Remove the fan shroud bolts from the radiator.
13. Remove the fan shroud from the radiator.





14. Remove the forward wiring harness from the retaining clips.





15. Remove the lower radiator hose clamp.
16. Remove the lower radiator hose from the radiator.





17. Remove the lower transmission cooler line from the radiator.
18. Cap or tape the cooler line and the end tank to prevent oil spillage or contamination.





19. Remove the radiator upper mount bracket bolts.
20. Remove the radiator upper mount bracket and rubber mounts.
21. Using a piece of wire or a plastic tie, support the condenser to the upper rail.
22. Raise the vehicle.






Important: Do not open up the A/C system.

23. Remove the condenser block bolt from the radiator end tank.





24. Remove the condenser hose bolt from the condenser (right side).
25. Remove the condenser bolts from the radiator.





26. Pull the condenser and the pusher fan assembly down slightly to disengage the tabs from the radiator.
27. Lower the vehicle.
28. Leaving the condenser and the pusher fan in the vehicle, remove the radiator from the vehicle.
29. Remove the upper radiator to condenser gaskets.

Installation Procedure





1. Install the gasket between the upper radiator and the condenser.





2. Install the radiator lower mounting pins to the rubber mounts.





3. Position the upper radiator mounts over the upper pins.

Notice: Refer to Fastener Notice in Service Precautions.

4. Install the bolts which secure the radiator bracket to the rail.
^ Tighten the bolts to 6 Nm (53 inch lbs.).
5. Raise the vehicle.





6. Position the condenser tabs under the radiator tabs and install the bolts which secure the condenser to the radiator.
^ Tighten the bolts to 4 Nm (35 inch lbs.).
7. Install the gasket between the lower radiator and the condenser.
8. Install the bolt which secures the condenser hose clamp to the condenser.
^ Tighten the bolt to 4 Nm (35 inch lbs.).





9. Install the bolt which secures the condenser block to the radiator end tank.
^ Tighten the bolt to 4 Nm (35 inch lbs.).
10. Lower the vehicle.





11. Remove the cap from the lower transmission cooler line.
12. Install the lower transmission cooler line to the radiator end tank.
^ Tighten the cooler line to 25 Nm (18 ft. lbs.).






Important: The white line on the hose should be installed at the 12 o'clock position.

13. Install the lower radiator hose to the radiator. Install the clamp to the 11 o'clock position.
14. Remove the condenser support wire or plastic tie.





15. Install the fan and the shroud assembly onto the radiator lower tabs.

Important: Verify that the pusher fan electrical harness is not between the fan shroud and the radiator.

16. Install the fan shroud bolts to the radiator.
^ Tighten the bolts to 4 Nm (35 inch lbs.).





17. Remove the cap from the upper transmission oil cooler line. Install the line into the end tank retainer and snap into place.
18. Install the upper transmission cooler line to radiator.
^ Tighten the cooler line to 25 Nm (18 ft. lbs.).





19. Install the forward wiring harness into the retaining clamps.
20. Route the pusher fan electrical harness around the outside of the radiator end tank to the upper fan shroud





21. Install the fan electrical connectors into the connector retainers as shown.
22. Connect the fan electrical connectors.
23. Install the wiring harness into the shroud retaining clamp.
24. Install the pusher fan harness into the routing tabs on the fan shroud.





25. Install the upper radiator hose to the radiator.
26. Install the upper radiator hose clamp to 12 o'clock position.
27. Install the battery.