Operation CHARM: Car repair manuals for everyone.
Manuals through 2025 now available!

Our trusted friends have launched a new website named LEMON, which has newer manuals. It also contains all the CHARM manuals.

LEMON is the spiritual successor to CHARM, I recommend you try it!

Link: lemon-manuals.la or lemon-manuals.org.ua

(Some people have issue connecting. LEMON is investigating. For now, use Firefox or change your DNS server)

Or, hide this message: temporarily or permanently

Valve Spring: Service and Repair

Valve Stem Oil Seal and Valve Spring Replacement

^ Tools Required
- J 43649 Valve Spring Compressor
- J 43655 Camshaft Support Holding Tool
- SA9102E-A Valve Seal Remover/Replacer
- SA9127E Gage Bar Set

Removal Procedure





1. Remove the spark plugs, cam cover, and camshaft.






Important: During the camshaft removal procedure, the pistons are locked by the J43655 Camshaft Support Holding Tool and should not be rotated.

2. Install the J 43649. Use 4 cam cover bolts to mount the supports to the cam cover threaded holes.
^ Tighten the cam cover bolts-to-hold valve spring compressor to 10 Nm (89 inch lbs.).
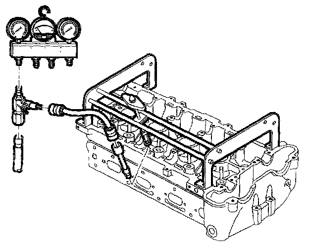
3. Install the spark plug adapter from the SA9127E in the respective cylinder.

Notice: Care should be used when servicing the valve spring, the retainer and the valve. If air pressure is lost, the valve(s) will drop into the cylinder.

4. Pressurize the cylinder being serviced to 690 kPa (100 psi).
5. Position the compressor assembly cover over the valve spring to be removed and turn the T-handle to compress the spring.





6. Remove the valve spring cap, retainers, and release spring tension.
7. Remove the cap and spring.
8. Remove the valve stem seal using the SA9102E-A.

Installation Procedure

Notice: If a valve seal is removed after it has been installed, it must be discarded. The valve stem lock groove will cut the seal's lip during removal. Use extreme care when installing valve retainers and do not damage the valve stems.

Important: Before each valve stem seal is installed, oil the valve stem seal and guide. If a valve stem seal is removed, it must be discarded.





1. Inspect the valve stem for scratches, scores, and scuffs. Spray the valve stem and guide with clean lubricating oil to remove any debris that may be present on the valve stem or the top of the guide.





2. Oil the valve guide and valve stem. Install the valve stem oil seal with the SA9102E-A.





3. Install the valve spring and cap.





4. Compress the valve spring and install the retainers.
5. Install the hydraulic lash adjusters in their correct locations.
6. Remove the J 43649 and the spark plug adapter.
7. Install the camshafts, cam cover, and spark plugs.