Operation CHARM: Car repair manuals for everyone.
Manuals through 2025 now available!

Our trusted friends have launched a new website named LEMON, which has newer manuals. It also contains all the CHARM manuals.

LEMON is the spiritual successor to CHARM, I recommend you try it!

Link: lemon-manuals.la or lemon-manuals.org.ua

(Some people have issue connecting. LEMON is investigating. For now, use Firefox or change your DNS server)

Or, hide this message: temporarily or permanently

Timing Cover: Service and Repair

Engine Front Cover Replacement

^ Tools Required
- SA9103E Regulator Valve Remover/Replacer
- SA9104E Front Crank Seal Replacer





1. Clean the front cover, cylinder block and oil pan mating surfaces:

Notice: If excessive RTV is applied, or oil builds up in the blind holes, the casting will crack when the bolts are installed. Make sure all oil gallery openings and the oil pan are covered with a shop towel to prevent debris entry.

1.1. RTV is removed from aluminum surfaces using scraper, plastic or wood, Scotch-Brite Pads, and disk (3M Clean-N Strip 2 in. D x 1/2 in. W x 1/4 in. centerhole).
1.2. The front cover, cylinder head and block bolt holes must be cleaned with a 3/16 in drill and tap handle. The oil drain back hole must also be free of RTV. The front cover non tapped holes can be cleaned with 3/8 in drill.

Important: Do not use petroleum cleaners such as mineral spirits, they leave a film onto which RTV will not stick.

1.3. After all RTV is removed, clean the surfaces with a chlorinated solvent, such as carburetor spray cleaner, brake clean, or alcohol.






Notice: Refer to Fastener Notice in Service Precautions.

Important: If removed, the oil pump must be packed with petroleum jelly for printing.

2. Install the oil pressure regulator and pump cover if removed. Install the regulator using the SA9103E and a hammer. The pump should be installed with the chamfer toward the front oil seal.
^ Tighten the oil pump cover-to-front cover to 11 Nm (8 ft. lbs.).
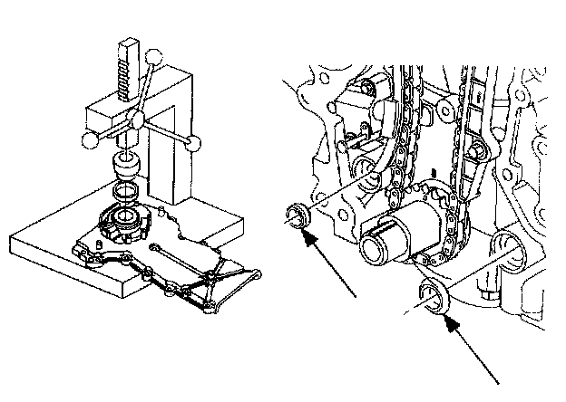
3. If the front seal was removed, use the SA9104E service tool to install a new seal. Never tap on the seal or seal installer with a hammer.
4. Install the new oil pressure and suction seals into their respective cavities in the cylinder block.

Important: The front cover, oil seal drain back hole, and passage way must be kept free of RTV.

Important: Extra RTV is required at oil pan, cylinder head to block, cylinder head and cam cover T-joints to make sure gaps are filled.

5. Apply a 4 mm (0.158 inch) bead, refer to the RTV Section on the front of the oil pan and a 2 mm (0.079 inch) bead on the front cover. Apply RTV around the front cover top, center bolt hole. Install the cover immediately.





6. Install the front crank seal using the SA9104E. The tool aligns the generator pump during front cover installation.





7. Install the front cover assembly fasteners.
^ Tighten the front cover perimeter bolts to 30 Nm (22 ft. lbs.).
^ Tighten the front cover lower center bolt (14) to 10 Nm (89 inch lbs.).





8. Install the 4 oil pan fasteners.
^ Tighten the oil pan-to-block 9 Nm (80 inch lbs.).






Notice: After the front cover is installed, 12 squirts of oil can be pumped through the front oil seal drain back hole to make sure it is not plugged to prevent front seal damage.

Important: Inspect the cam cover isolators for cracks. Replace the isolators if deterioration exists.

9. Apply RTV across the cylinder head and front cover "T" joints, refer to "RTV" procedures in General Information. The cam cover gasket can be reused if not damaged.





10. Install the cam cover assembly and tighten the fasteners uniformly.
^ Tighten the camshaft cover-to-head to 10 Nm (89 inch lbs.).





11. Install water pump pulley, if removed.
^ Tighten the water pump pulley-to-water pump hub 25 Nm (19 ft. lbs.).

Important: Install a thin film of RTV sealant Saturn P/N 21006236 between the damper/pulley assembly flange and washer only. The washer and bolt head flange are designed to prevent oil leakage and do not require RTV sealant.

Important: Hold the damper with a strap wrench or use a 3/4 in square x 12 in long piece of wood wedged between the damper spoke and rear, lower side of cover when torquing the bolt.

12. Install the crankshaft vibration damper/pulley assembly and retaining bolt.
^ Tighten the crankshaft vibration damper/pulley-to-crankshaft to 215 Nm (159 ft. lbs.).
13. Install the intake upper manifold support brace bolt located next to generator.
^ Tighten the intake manifold brace-to-block to 10 Nm (89 inch lbs.).
14. Drain the engine oil and change the filter. Install the drain plug.
^ Tighten the oil pan drain plug to 37 Nm (27 ft. lbs.).
15. Verify the gap on all spark plugs. Install the spark plugs.
^ Tighten the spark plug-to-head to 27 Nm (20 ft. lbs.).

Important: Install the accessory drive belt idler pulley, if removed.

16. Install the belt tensioner. Tighten
^ Tighten the belt tensioner-to-block to 30 Nm (22 ft. lbs.).
^ Tighten the belt tensioner-to-front cover to 27 Nm (20 ft. lbs.).
17. Install generator attachment bolts/nut (both), if removed.
^ Tighten the generator bolts to 32 Nm (24 ft. lbs.).
18. Install power steering pump assembly and brackets. Tighten
^ Tighten the power steering pump bracket-to-block to 30 Nm (22 ft. lbs.).
^ Tighten the power steering pump brace-to-block to 30 Nm (22 ft. lbs.).
19. Install A/C compressor and bolts. Tighten
^ Tighten the A/C compressor brackets-to-head/block to 25 Nm (19 ft. lbs.).
^ Tighten the A/C compressor-to-front bracket to 54 Nm (40 ft. lbs.).
^ Tighten the A/C compressor-to-rear bracket to 30 Nm (22 ft. lbs.).





20. Install the accessory drive belt. Ensure that the belt is properly aligned on the pulleys.

Notice: To prevent engine front cover and mount damage, the three engine mount to engine front cover nuts must be tightened down uniformly.

21. Install the 2 mount to mid-rail bracket nuts first. Next, install the 3 front upper mount to engine front cover nuts. Remove the block of wood from under the torque strut after the upper mount assembly is installed. Tighten
^ Tighten the upper engine mount-to-front cover to 50 Nm (37 ft. lbs.).
^ Tighten the upper engine mount-to-front rail bracket to 50 Nm (37 ft. lbs.).
22. Install splash shield and wheel.
^ Tighten the wheel nuts to 140 Nm (103 ft. lbs.).
23. Install the following sensors and components:
^ The oxygen sensor.
^ Tighten the oxygen sensor to 45 Nm (33 ft. lbs.).
^ The engine coolant temperature (ECT) sensor.
^ Tighten the coolant temperature sensor to 8 Nm (71 inch lbs.).
^ Throttle body assembly, if remove.
^ Tighten the throttle body-to-air intake manifold (LL0) to 12 Nm (9 ft. lbs.).
^ The starter motor to block, if remove.
^ Tighten the starter motor-to-block to 37 Nm (27 ft. lbs.).
^ The starter support bracket to axle shaft, if remove.
^ Tighten the starter support bracket-to axle shaft bracket to 30 Nm (22 ft. lbs.).
^ The EVAP canister purge.
^ Tighten the canister purge solenoid-to-block to 22 Nm (16 ft. lbs.).
^ The EGR valve.
^ Tighten the EGR valve-to-head 25 Nm (19 ft. lbs.).
24. Install the following sensors and electrical harness connectors and vacuum hoses.
24.1. Electrical Connectors:
^ Grounds, if disconnected
^ Generator
^ Oxygen sensor
^ Starter
^ Coolant temperature sensor
^ A/C compressor
^ Idle Air Control (IAC)
^ Throttle Position (TP) sensor
^ EGR valve
^ Injectors
24.2. Vacuum Hoses:
^ EVAP canister purge
^ Throttle body
^ PCV
^ Fresh air
^ Brake booster





25. Install the accelerator cable to the bracket and attach the throttle cable. Ensure the throttle cable is properly routed and not binding.
26. Install the coolant hoses.
^ Upper radiator
^ Heater
^ Deareation hose at rear side of intake manifold

Notice: Replace plastic fuel retainer whenever the fuel supply is disconnected at the fuel rail. Install the new retainer into the female cavity of the connection. Care must be taken to assure that the locking tab is centered in the window of the female cavity. Firmly press the female connection onto the male end until a click is heard, then pull back to confirm engagement. Pinched, kinked, or damaged fuel lines must be replaced.

Important: The service retainers are different in color from the original equipment retainers. The service fuel feed line retainers are clear in color.

27. Lubricate with clean engine oil the male fuel feed line. Attach the fuel feed line and pull back to confirm engagement.
28. Install the fuel line clip to the intake manifold stud.
^ Tighten the fuel line retainer clip to 4 Nm (35 inch lbs.).
29. Install the intake manifold bracket and attach the fuel supply line.
^ Tighten the support bracket-to-intake manifold to 10 Nm (89 inch lbs.).
^ Tighten the support bracket-to-intermediate shaft support bracket to 30 Nm (22 ft. lbs.).
30. Install the air intake resonator, tube, filter cover and clamps.
31. Connect the battery cables, positive cable first.
^ Tighten the battery terminal bolts to 17 Nm (13 ft. lbs.).
32. Install the oil pan drain plug and fill engine with new oil.
^ Tighten the oil pan drain plug to 37 Nm (27 ft. lbs.).
33. Install the cylinder block coolant drain plugs and close the radiator drain.
^ Tighten the coolant drain-to-plug/block 30 Nm (22 ft. lbs.).

Important: The vehicle must be level when filling with coolant.

34. Fill with coolant. Use only DEX-COOL ethylene glycol-based antifreeze.
35. Prime the fuel system.
35.1. Cycle the ignition on for 5 seconds and then off for 10 seconds.
35.2. Repeat step 31.1 twice.
35.3. Crank engine until it start, maximum starter motor cranking time is 20 seconds.
36. Start the engine and check for leaks.

Important: Allow the engine to idle for 3-5 minutes. If lifters are noisy or cylinders are misfiring, warm the engine up at a low RPM, less than 2,000. After the coolant temperature has reached approximately 85°C (185°F), cycle the engine RPM from idle to 3,000 for approximately 10 minutes or drive the vehicle 5 miles to purge the air. If the air cannot be purged, the faulty lifters will have to be replaced.

Lash adjusters that are pumped up may cause PCM misfire codes to set. Continue to operate the engine until the lash adjusters bleed down. Using the scan tool, clear codes and malfunction history.

37. Perform a 3 mile road test.
38. Fill the cooling system surge tank to the FULL COLD line and check for leaks after the engine has been tested.