Operation CHARM: Car repair manuals for everyone.
Manuals through 2025 now available!

Our trusted friends have launched a new website named LEMON, which has newer manuals. It also contains all the CHARM manuals.

LEMON is the spiritual successor to CHARM, I recommend you try it!

Link: lemon-manuals.la or lemon-manuals.org.ua

(Some people have issue connecting. LEMON is investigating. For now, use Firefox or change your DNS server)

Or, hide this message: temporarily or permanently

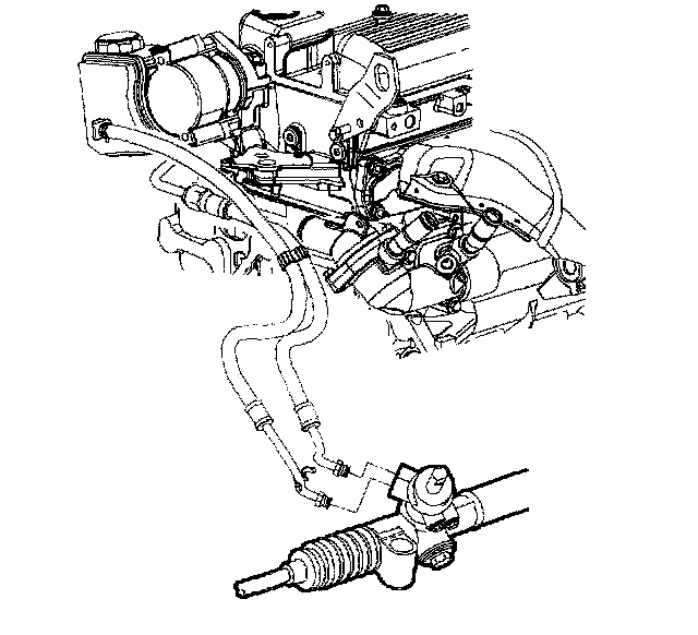
Power Steering Hose Assembly

Power Steering Hose Assembly Replacement (L61)

Removal Procedure
1. Remove the power steering reservoir cap.





2. Disconnect both power steering return hose at the power steering gear.





3. Disconnect the power steering return hose from the reservoir.
4. Separate the return hose from the pressure hose.
5. Remove the power steering hose assembly from the vehicle. Note the routing for installation.

Installation Procedure
1. Route the hoses to the vehicle as noted during removal.






Notice: Refer to Fastener Notice in Service Precautions.

2. Connect the power steering return hose to the steering gear.
Tighten the power steering hose fitting to 27 Nm (20 ft. lbs.).





3. Connect the power steering return hose to the reservoir.
Tighten the clamp to 2.5 Nm (22 inch lbs.).
4. Fill and bleed the power steering system.