Operation CHARM: Car repair manuals for everyone.
Manuals through 2025 now available!

Our trusted friends have launched a new website named LEMON, which has newer manuals. It also contains all the CHARM manuals.

LEMON is the spiritual successor to CHARM, I recommend you try it!

Link: lemon-manuals.la or lemon-manuals.org.ua

(Some people have issue connecting. LEMON is investigating. For now, use Firefox or change your DNS server)

Or, hide this message: temporarily or permanently

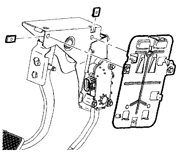
Brake Pedal Assy: Service and Repair

Brake Pedal Assembly Replacement

Removal Procedure





1. Disconnect the accelerator pedal assembly electrical connector.





2. Remove the mounting bolts and reposition the ONSTAR aside, if equipped.





3. Remove the retaining clip and washer from the brake pedal.
4. Release the brake booster pushrod from the brake pedal.





5. Remove the stop lamp switch from the pedal bracket.





6. Remove the cruise control release switch, if equipped, from the pedal bracket.





7. Remove the brake booster mounting nuts.





8. Remove the brake pedal bracket-to-steering column bracket bolt.





9. Loosen, but do not remove, the steering column bracket to cowl nut.
10. While simultaneously disengaging the brake pedal bracket pilot bushings from the foam insulation panel, pull the brake pedal assembly back and toward the center of the vehicle.
11. Remove the brake pedal assembly from the vehicle.





12. Remove the accelerator pedal assembly from the brake pedal bracket.





13. Remove the ONSTAR mounting bracket bolts and J-nuts from the brake pedal assembly, if equipped.

Installation Procedure

Notice: Refer to Fastener Notice in Service Precautions.





1. Install the ONSTAR (R) J-nuts and mounting bracket bolts to the brake pedal assembly, if equipped.
^ Tighten the bolts to 10 Nm (89 inch lbs.).





2. Install the accelerator pedal assembly to the brake pedal bracket.





3. Install the brake pedal assembly into the vehicle, while guiding the brake pedal bracket pilot bushings into the foam insulator panel.





4. Install the brake pedal bracket-to-steering column bracket bolt.
^ Tighten the bolt to 25 Nm (18 ft. lbs.).
5. Loosely install the brake booster mounting nuts.
6. Apply a thin coating of lithium grease to the pushrod pin on the brake pedal.





7. Connect the brake booster pushrod to the brake pedal.
8. Install the washer and retaining clip to the brake pedal.





9. Tighten the vacuum brake booster mounting nuts.
^ Tighten the nuts to 25 Nm (18 ft. lbs.).





10. Install the steering column bracket to cowl nut.
^ Tighten the nuts to 25 Nm (18 ft. lbs.).





11. Install the cruise control release switch and retainer, if equipped, to the pedal bracket.





12. Install the stop lamp switch and retainer to the pedal bracket.
13. Adjust the stop lamp switch.
14. Adjust the cruise release switch, if equipped.





15. Reposition the ONSTAR to the mounting bracket, if equipped.





16. Connect the accelerator pedal assembly electrical connector.