Operation CHARM: Car repair manuals for everyone.
Manuals through 2025 now available!

Our trusted friends have launched a new website named LEMON, which has newer manuals. It also contains all the CHARM manuals.

LEMON is the spiritual successor to CHARM, I recommend you try it!

Link: lemon-manuals.la or lemon-manuals.org.ua

(Some people have issue connecting. LEMON is investigating. For now, use Firefox or change your DNS server)

Or, hide this message: temporarily or permanently

Condenser HVAC: Service and Repair



CONDENSER REPLACEMENT

TOOLS REQUIRED
J 39400-A Halogen Leak Detector

REMOVAL PROCEDURE
1. Recover the refrigerant. Refer to Refrigerant Recovery and Recharging.
2. Remove the front fascia.




3. For L61 vehicles, remove the battery box air duct.




4. Remove the condenser radiator fan module (CRFM) closeout panel.




5. Remove receiver dehydrator from the condenser.
6. Install a protective cap to the receiver dehydrator to prevent contamination and desiccant saturation.




7. Remove the compressor hose from the condenser.
8. Install a protective cap to the compressor hose to prevent contamination and desiccant saturation.




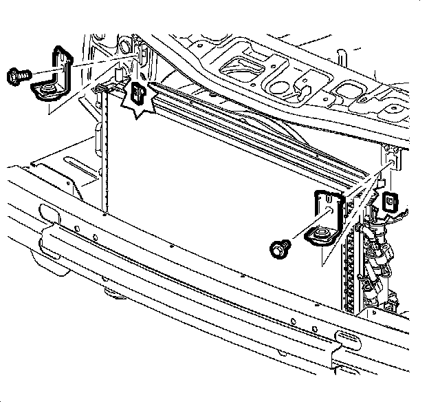
9. Remove the CRFM bracket bolts from the radiator support.
10. Remove the CRFM brackets from the vehicle.
11. Lift the condenser while holding the upper retention tabs forward.
12. Remove the condenser from the vehicle.

INSTALLATION PROCEDURE




1. Add the specified amount of PAG oil to the condenser. Refer to Refrigerant System Capacities.
2. Inspect the radiator to condenser seals for the proper position.
3. Install the condenser by guiding the tabs into the retention clips on the radiator. Press down to engage the retention clips.




4. Install the CRFM brackets to the vehicle.
5. Install the CRFM bracket bolts to the radiator support.

Tighten the bolts to 10 N.m (89 lb in).

NOTE: Refer to Fastener Notice in Service Precautions.




6. Remove the protective cap from the compressor hose.
7. Install a new sealing washer to the compressor hose.
8. Install the compressor hose to the condenser.
9. Install compressor hose nut to the condenser.

Tighten the nut to 16 N.m (12 lb ft).




10. Install a new seal washer to the receiver dehydrator.
11. Install the receiver dehydrator to the condenser.
12. Install the receiver dehydrator nut to the condenser.

Tighten the nut to 16 N.m (12 lb ft).




13. Install the CRFM closeout panel.




14. For L61 vehicles, install the battery box air duct.
15. Install the front fascia.
16. Evacuate and charge the A/C system. Refer to Refrigerant Recovery and Recharging.
17. Test the affected A/C joints leaks using J 39400-A.