Operation CHARM: Car repair manuals for everyone.
Manuals through 2025 now available!

Our trusted friends have launched a new website named LEMON, which has newer manuals. It also contains all the CHARM manuals.

LEMON is the spiritual successor to CHARM, I recommend you try it!

Link: lemon-manuals.la or lemon-manuals.org.ua

(Some people have issue connecting. LEMON is investigating. For now, use Firefox or change your DNS server)

Or, hide this message: temporarily or permanently

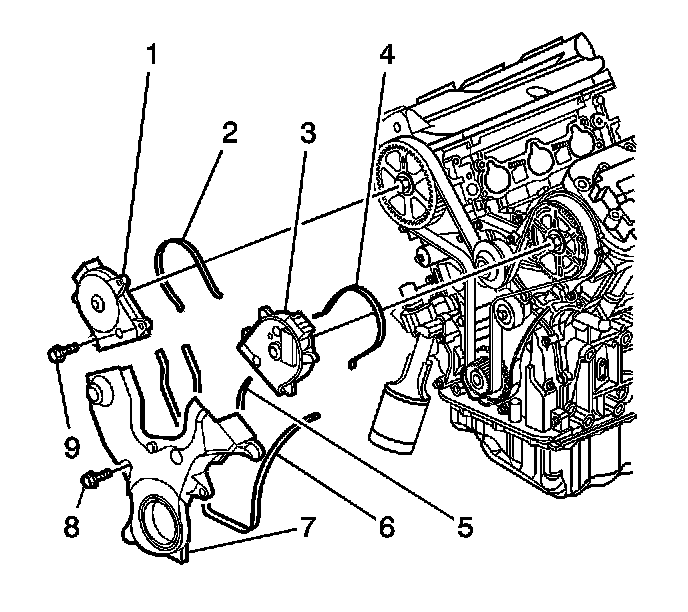
Timing Cover: Service and Repair



Timing Belt Cover Replacement

Removal Procedure
1. Remove the engine drive belt.
2. Remove the right splash shield.
3. Remove the engine balancer using the EN 46337.





4. Remove the timing belt cover bolts (8).
5. Remove the timing belt cover (7).

Installation Procedure





1. Install the timing belt cover (7).

2. Notice: Refer to Fastener Notice in Service Precautions.

Install the timing belt cover bolts (8).
Tighten the bolts to 12 Nm (106 inch lbs.).
3. Install the engine balancer using the EN 46337.
4. Install the splash shield.
5. Install the engine drive belt.