Operation CHARM: Car repair manuals for everyone.
Manuals through 2025 now available!

Our trusted friends have launched a new website named LEMON, which has newer manuals. It also contains all the CHARM manuals.

LEMON is the spiritual successor to CHARM, I recommend you try it!

Link: lemon-manuals.la or lemon-manuals.org.ua

(Some people have issue connecting. LEMON is investigating. For now, use Firefox or change your DNS server)

Or, hide this message: temporarily or permanently

Intake Manifold Replacement - Lower



Intake Manifold Replacement - Lower
Removal Procedure

1. Important: This engine uses a sequential multiport fuel injection system. Injector wiring harness connectors must be connected to their appropriate fuel injector or exhaust emissions and engine performance may be seriously affected.

Disconnect the battery ground negative cable.
2. Remove the upper intake manifold.
3. Remove the left valve rocker arm cover.
4. Remove the right valve rocker arm cover.
5. Disconnect the engine coolant temperature (ECT) wiring harness.





6. Disconnect and remove the fuel injector and manifold air pressure (MAP) wiring harness.
7. Remove the fuel injector rail.
8. Disconnect the heater inlet pipe with heater hose from the lower intake manifold and reposition.
9. Disconnect the radiator inlet hose from the engine.





10. Remove the water outlet.





11. Remove the thermostat.





12. Remove the lower intake manifold bolts.
13. Remove the lower intake manifold.
14. Remove the valve rocker arms and pushrods.





15. Remove the lower intake manifold gaskets and seals.
16. Clean the lower intake manifold gasket and seal surfaces on the cylinder heads and the engine block.
17. Clean the gasket and seal surfaces on the lower intake manifold with degreaser.
18. Remove all the loose room temperature vulcanizing sealer (RTV) (1).

Installation Procedure





1. Important: All gasket-mating surfaces need to be free of oil and foreign material. Use GM P/N 12346139 (Canadian P/N 10953463), or equivalent, to clean surfaces.

Install the lower intake manifold gaskets.
2. Install the valve rocker arms and pushrods.





3. With gaskets and seals in place apply a small drop 8 - 10 mm (0.31 - 0.39 inch) of RTV sealer GM P/N 12378521 (Canadian P/N 88901148), or equivalent, to the 4 corners of the intake manifold to block joints (1).
4. Install the lower intake manifold.





5. Notice: Maximum gasket performance is achieved when using new fasteners, which contain a thread-locking patch. If the fasteners are not replaced, a thread locking chemical must be applied to the fastener threads. Failure to replace the fasteners or apply a thread-locking chemical MAY reduce gasket sealing capability.

Notice: Failure to tighten vertical bolts before the diagonal bolts may cause an oil leak.

Apply sealer GM P/N 12345382 (Canadian P/N 10953489), or equivalent, to the lower intake manifold bolt threads.

6. Notice: Refer to Fastener Notice in Service Precautions.

Install the new lower intake manifold bolts, if applicable, in sequence.
1 Tighten the lower intake manifold bolts in sequence to 13 Nm (115 inch lbs.) on the first pass.
2 Tighten the lower intake manifold bolts (1, 2, 3, 4) in sequence to 20 Nm (15 ft. lbs.) on the final pass.
3 Tighten the lower intake manifold bolts (5, 6, 7, 8) in sequence to 25 Nm (18 ft. lbs.) on the final pass.





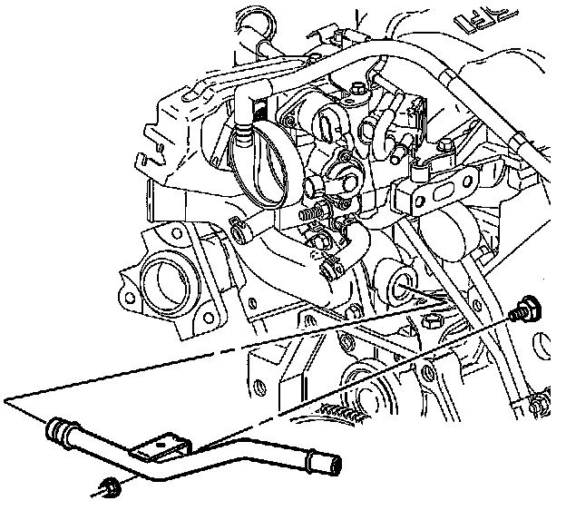
7. Install the heater inlet pipe.
8. Install the heater inlet pipe nut.
Tighten the heater inlet pipe nut to 25 Nm (18 ft. lbs.).





9. Install the thermostat.





10. Install the water outlet bolts.





11. Install the ECT sensor.
Tighten the ECT sensor to 20 Nm (15 ft. lbs.).





12. Connect the thermostat bypass hose to the thermostat bypass pipe and lower intake manifold pipe.
13. Connect the radiator inlet hose to the engine.
14. Connect the heater inlet pipe and heater hose to the lower intake manifold.
15. Install the power steering pump to the front engine cover.





16. Install the fuel injector rail.





17. Connect the fuel feed pipe to the fuel injector rail.





18. Connect the fuel injector and MAP wiring harness.
19. Connect the ECT wiring harness.
20. Install the right valve rocker arm cover.
21. Install the left valve rocker arm cover.
22. Install the upper intake manifold.
23. Connect the battery ground negative cable.