Operation CHARM: Car repair manuals for everyone.
Manuals through 2025 now available!

Our trusted friends have launched a new website named LEMON, which has newer manuals. It also contains all the CHARM manuals.

LEMON is the spiritual successor to CHARM, I recommend you try it!

Link: lemon-manuals.la or lemon-manuals.org.ua

(Some people have issue connecting. LEMON is investigating. For now, use Firefox or change your DNS server)

Or, hide this message: temporarily or permanently

Electrical Diagrams



ENGINE CONTROLS SCHEMATICS

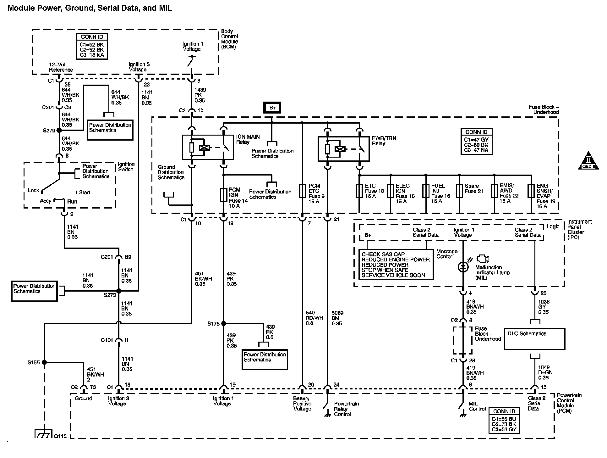
Module Power, Ground, Serial Data, and MIL







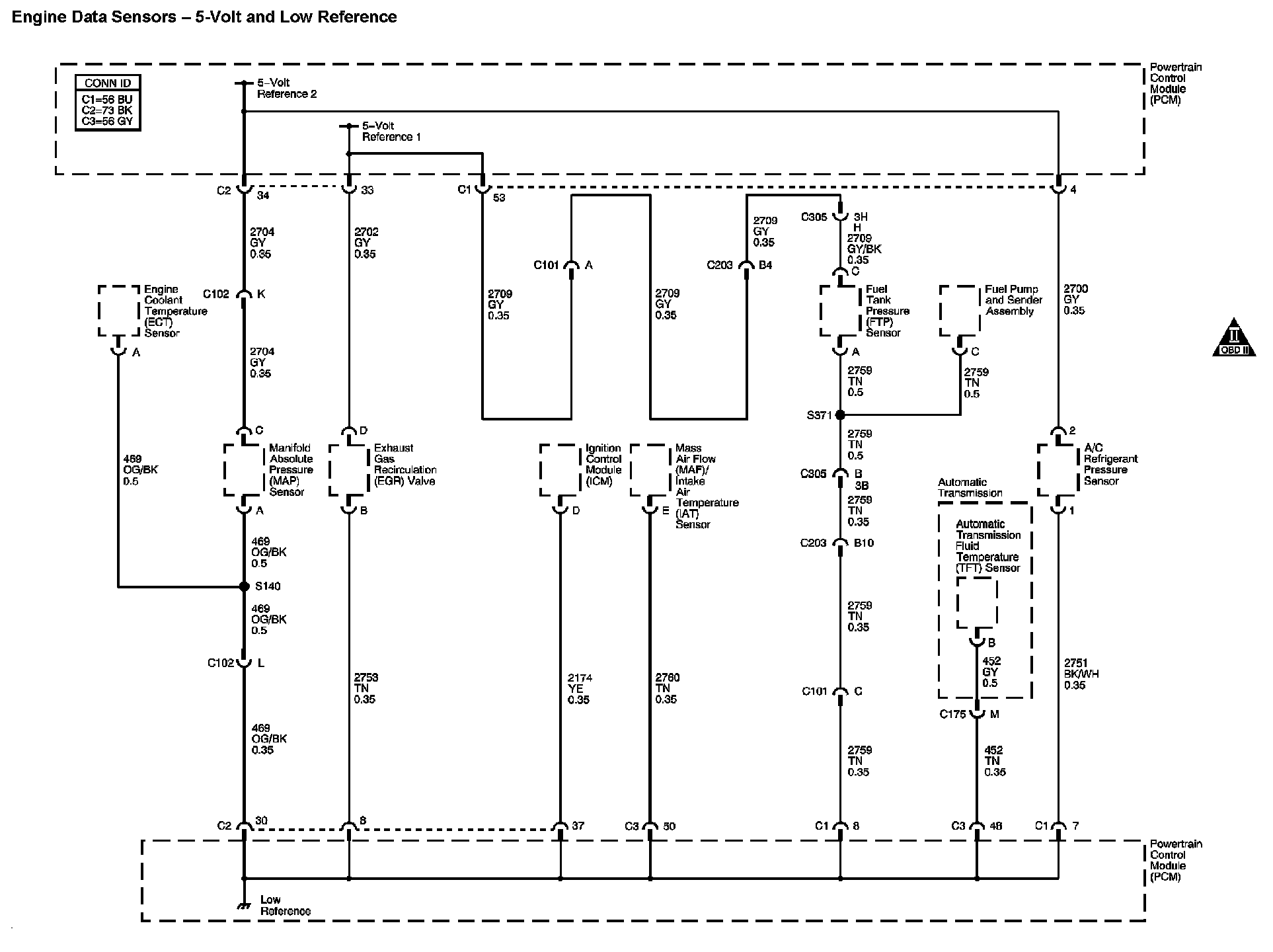
Engine Data Sensors - 5-Volt and Low Reference







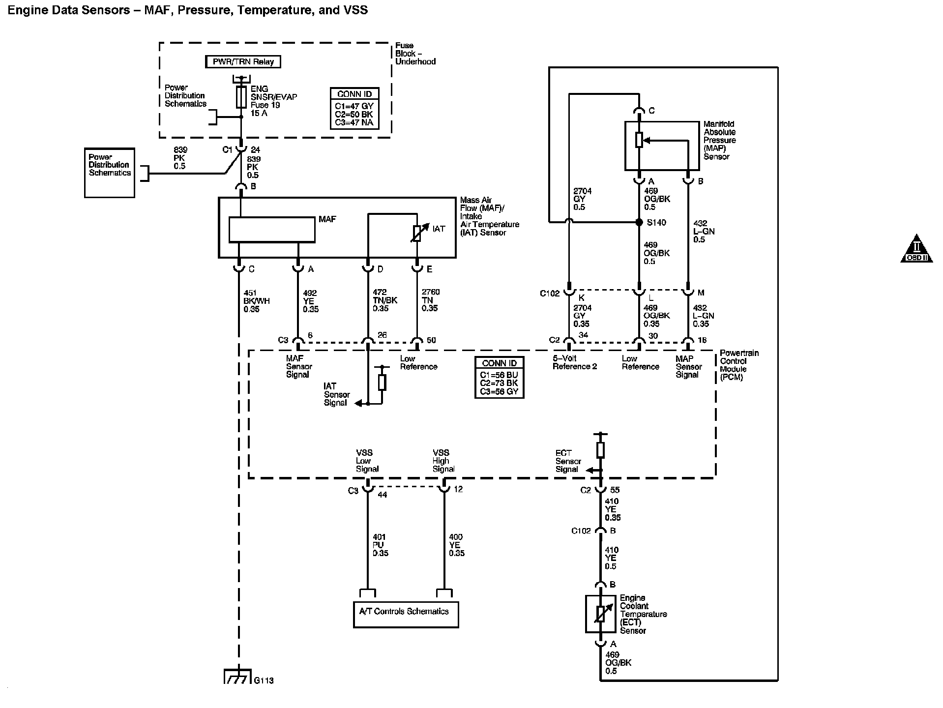
Engine Data Sensors - MAF, Pressure, Temperature, and VSS







Engine Data Sensors - Oxygen Sensors







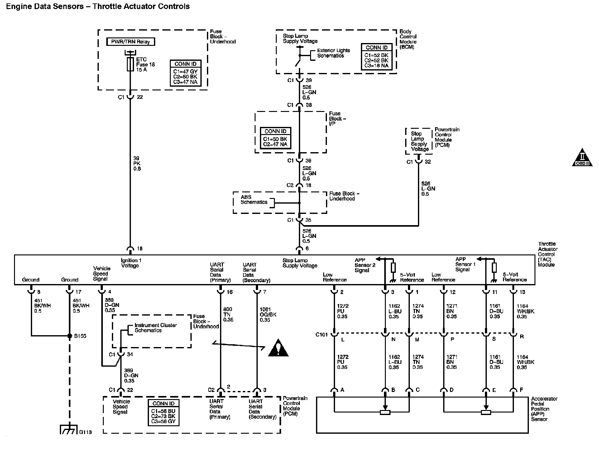
Engine Data Sensors - Throttle Actuator Controls







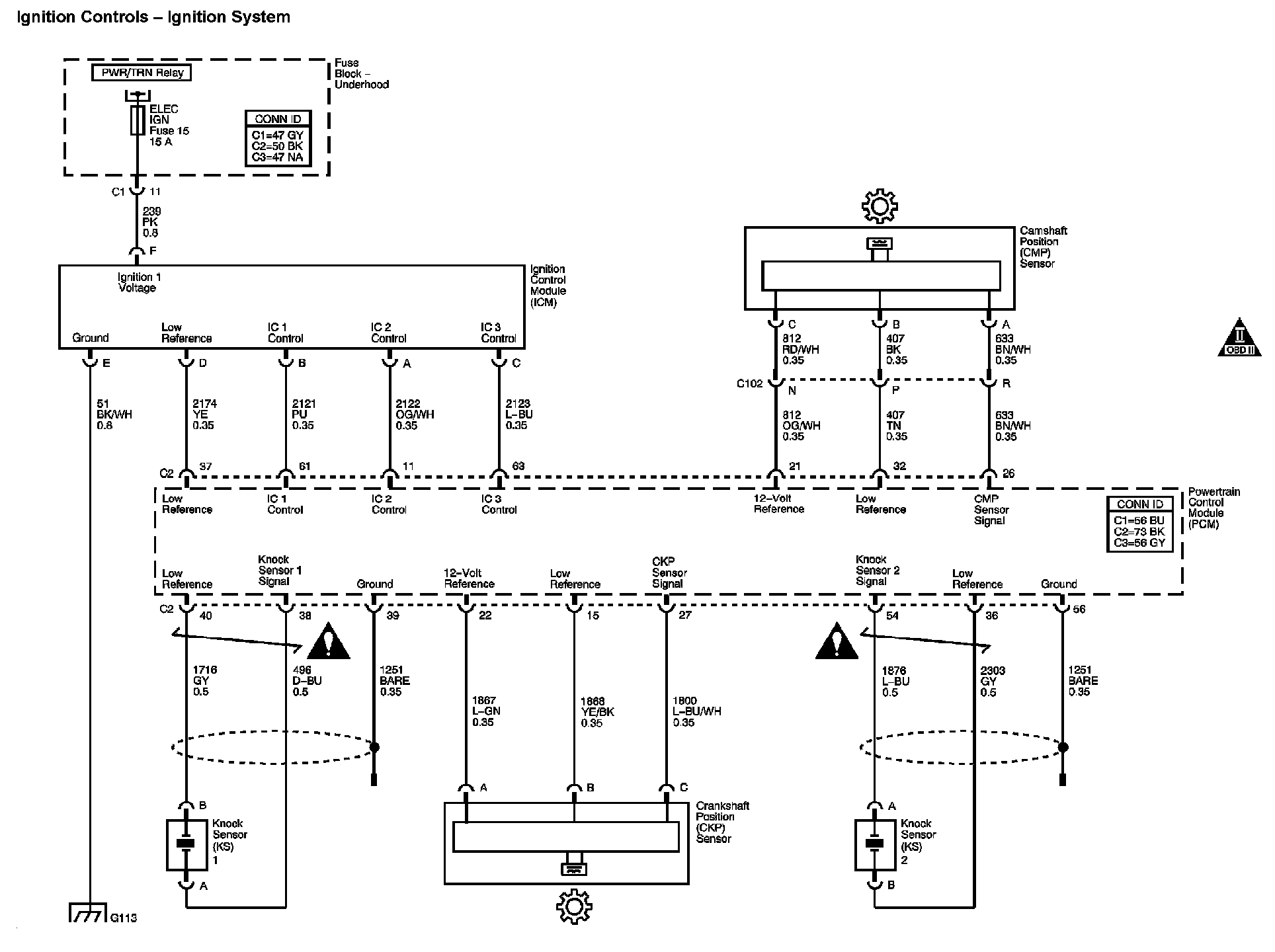
Ignition Controls - Ignition System







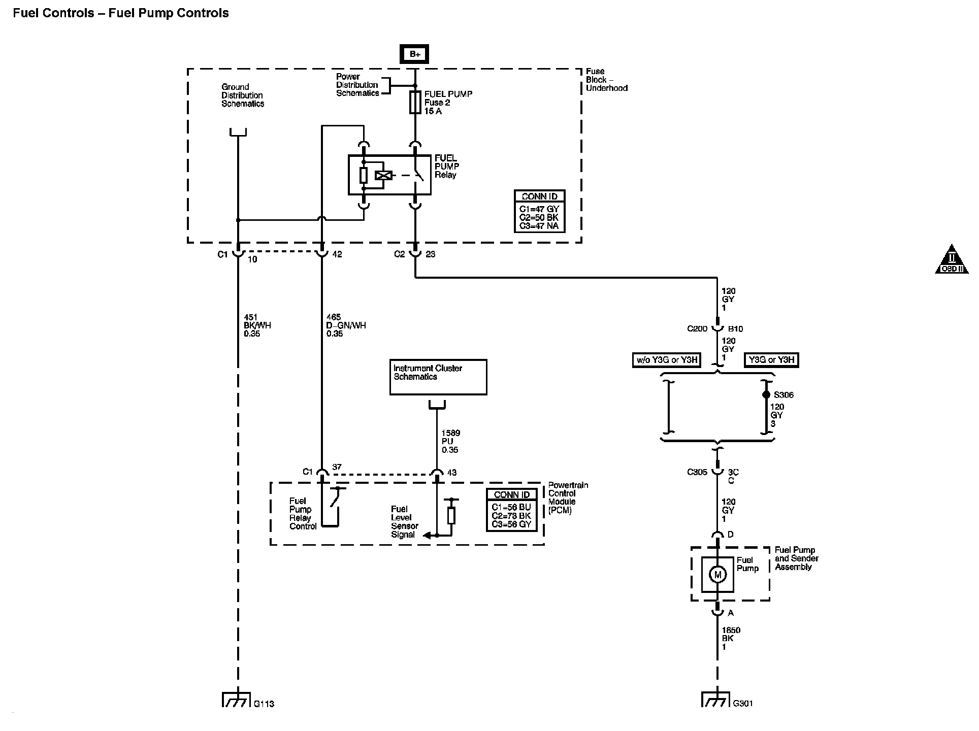
Fuel Controls - Fuel Pump Controls







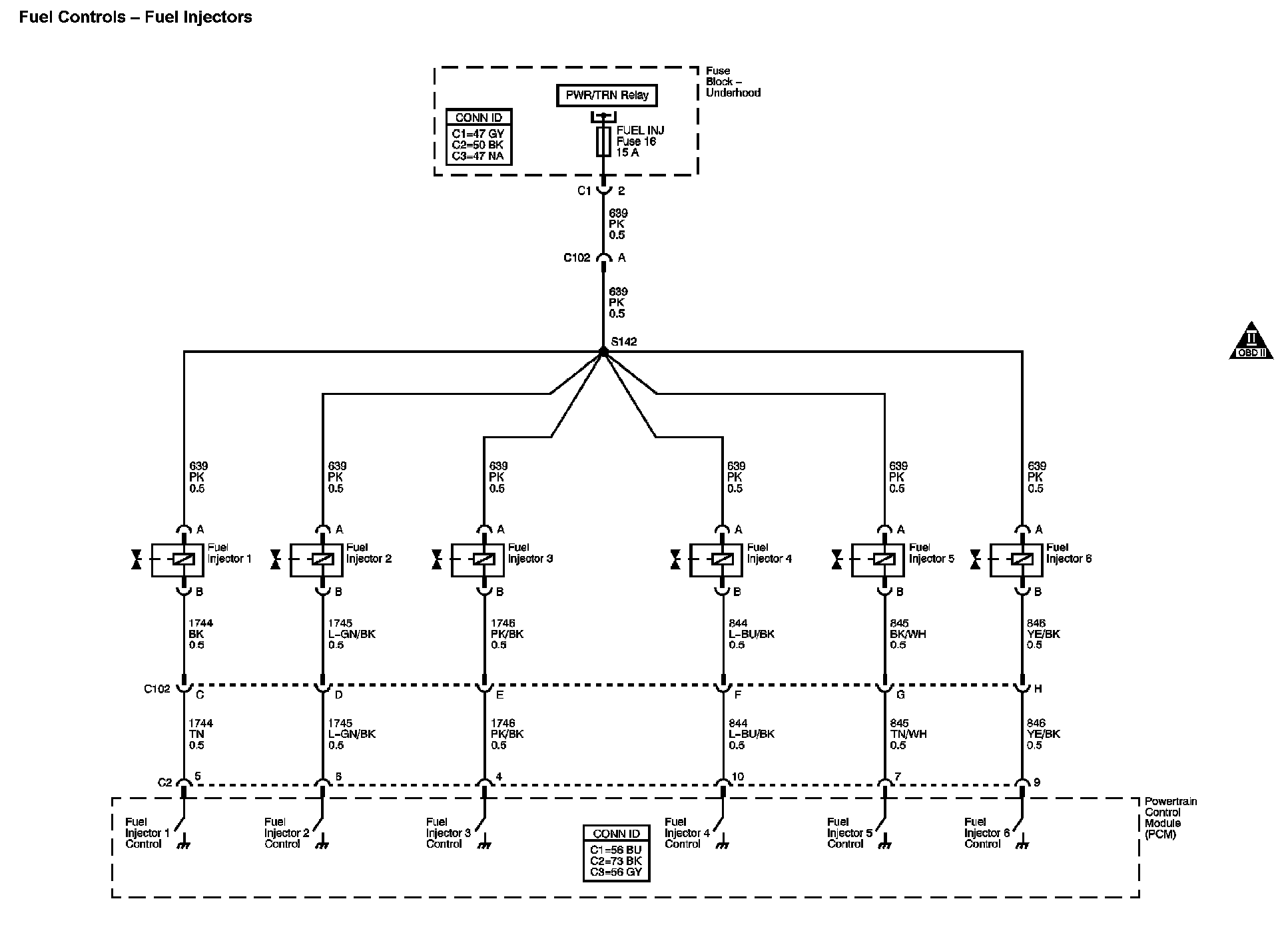
Fuel Controls - Fuel Injectors







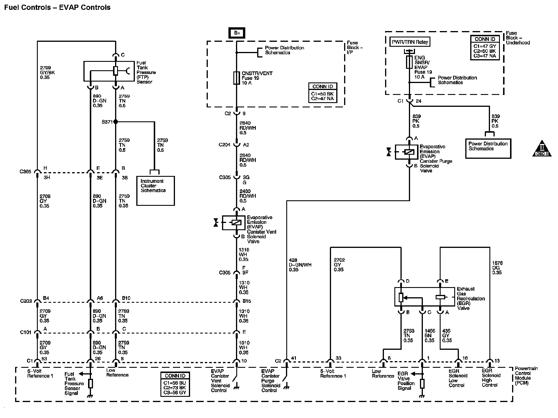
Fuel Controls - EVAP Controls







Controlled/Monitored Subsystem References







Transmission Controlled References







Locations: The locations for the Connectors, Grounds, Splices, and Grommets shown within these diagrams can be found via their numbers at Vehicle Locations. Locations