Operation CHARM: Car repair manuals for everyone.
Manuals through 2025 now available!

Our trusted friends have launched a new website named LEMON, which has newer manuals. It also contains all the CHARM manuals.

LEMON is the spiritual successor to CHARM, I recommend you try it!

Link: lemon-manuals.la or lemon-manuals.org.ua

(Some people have issue connecting. LEMON is investigating. For now, use Firefox or change your DNS server)

Or, hide this message: temporarily or permanently

Battery Negative Cable Replacement



BATTERY NEGATIVE CABLE REPLACEMENT

REMOVAL PROCEDURE

IMPORTANT: When replacing battery cables, be sure to use replacement cables that are the same type, gage, and length.




1. Disconnect the negative battery cable.
2. Disconnect the instrument panel (I/P) wiring harness electrical connector (2) from the battery current sensor (1).




3. Open the positive battery cable cover (5).
4. Loosen the positive battery cable nut (3).
5. Remove the positive battery cable from the battery.




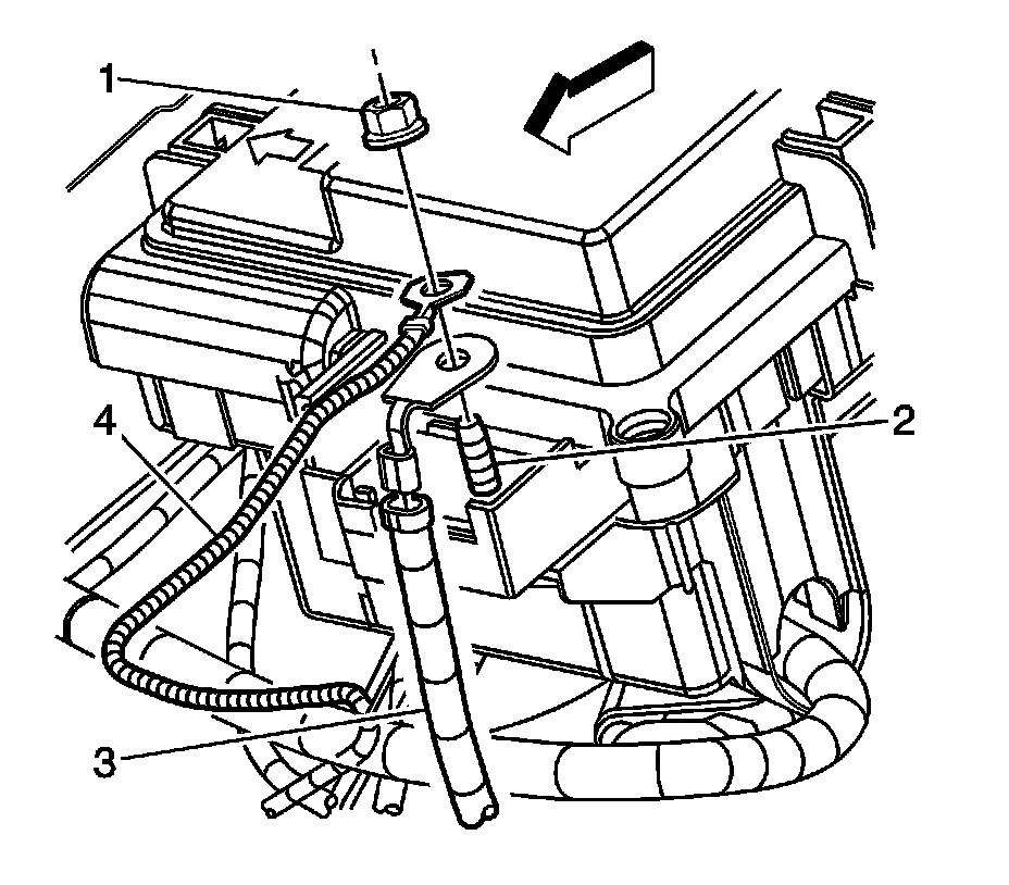
6. Remove the negative battery cable ground terminal nut (1) from the inner fender stud.
7. Remove the negative battery cable ground (2) from the stud.




8. Open the junction block cover (1).




9. Remove the positive battery cable to junction block nut (1).
10. Remove the I/P wiring harness (4) terminal and the positive battery cable (3) terminal from the junction block stud (2).




11. Remove the radiator air baffle.
12. Remove the starter motor "BAT" terminal nut (5).
13. Remove the positive battery cable from the starter motor "BAT" terminal.




14. Remove the engine harness ground nut (2).
15. Remove the engine harness ground terminal.
16. Remove the negative battery cable from the transaxle stud.




17. Remove the battery cable conduit retainers from the inner fender (1) and the lower tie bar (2).
18. Remove the negative and positive battery cables from the vehicle.
19. Separate the negative and positive battery cables.
20. Remove the battery current sensor.

INSTALLATION PROCEDURE




1. Install the battery current sensor.
2. Join the negative and battery positive cables.
3. Install the negative and positive battery cables to the vehicle.
4. Install the battery cable conduit retainers to the inner fender (1) and the lower tie bar (2).




5. Install the negative battery cable to the transaxle stud.
6. Install the engine harness ground terminal.
7. Install the engine harness ground nut (2).

NOTE: Refer to Fastener Notice.

Tighten the nut to 25 N.m (18 lb ft).




8. Install the positive battery cable to the starter motor "BAT" terminal.
9. Install the starter motor "BAT" terminal nut (5).

Tighten the nut to 17 N.m (13 lb ft).




10. Install the radiator air baffle.
11. Install the I/P wiring harness (4) terminal and the positive battery cable (3) terminal to the junction block stud (2).
12. Install the positive battery cable to junction block nut (1).

Tighten the nut to 10 N.m (89 lb in).




13. Close the junction block cover (1).




14. Install the negative battery cable ground (2) to the stud.
15. Install the negative battery cable ground terminal nut (1) to the inner fender stud.

Tighten the nut to 5 N.m (44 lb in).




16. Install the positive battery cable to the battery.
17. Tighten the positive battery cable nut (3).

Tighten the bolt to 16 N.m (12 lb ft).

18. Close the positive battery cable cover (5).




19. Connect the battery current sensor electrical connector (2).
20. Connect the negative battery cable.