Operation CHARM: Car repair manuals for everyone.
Manuals through 2025 now available!

Our trusted friends have launched a new website named LEMON, which has newer manuals. It also contains all the CHARM manuals.

LEMON is the spiritual successor to CHARM, I recommend you try it!

Link: lemon-manuals.la or lemon-manuals.org.ua

(Some people have issue connecting. LEMON is investigating. For now, use Firefox or change your DNS server)

Or, hide this message: temporarily or permanently

Part 1



Installation Procedure





1. Install an engine hoist to the engine.
2. Remove the engine from the engine stand.
3. Position the flywheel to the crankshaft.
4. Install the flywheel bolts finger tight.
5. Use the J 37096 in order to hold the flywheel.

6. Notice:
Refer to Fastener Notice.

Tighten the flywheel bolts.
Tighten the bolts to 70 Nm (52 ft. lbs.).





7. Install the engine to the transaxle and the frame.
8. Install the transaxle bolts and studs.
Tighten the bolts/studs to 75 Nm (55 ft. lbs.).
9. Remove the support from the transaxle.
10. Remove the engine hoist from the engine.
11. Install the power steering pressure and return lines to the power steering pump.
12. Connect the power steering line retainer at the generator bracket.





13. Place the engine wiring harness on top of the engine and position the harness branches.
14. Install the engine harness clip to the oil pan.





15. Connect the engine harness electrical connector to the oil level sensor.





16. Install the engine harness clips (1) to the transaxle studs.





17. Install the engine harness clamp bolt to the transaxle.
Tighten the 20 Nm(15 ft. lbs.).





18. Install the engine harness clip (1) to the stud on the transaxle.





19. Connect the engine harness electrical connector to the VSS.





20. Connect the engine harness electrical connector to the transaxle.





21. Connect the engine harness electrical connector (1) to the knock sensor.
22. Connect the engine harness electrical connector (2) to the oil pressure sensor.





23. Connect the engine harness electrical connector (1) to the CKP sensor.





24. Install the engine harness clip (1) to the strut bracket.





25. Connect the engine harness electrical connector (4) to the HO2S.
26. Connect the engine harness electrical connector (3) to the generator.
27. Install the engine harness lead (2) to the generator.
28. Install the generator terminal nut (1).
Tighten the nut to 30 Nm (22 ft. lbs.).





29. Connect the engine harness electrical connector (3) to the fuel injector harness electrical connector.
30. Install the CPA retainer (2).
31. Connect the engine harness electrical connector (1) to the intake manifold tuning valve.





32. Install the engine harness clip (1) to the bracket.





33. Install the engine harness bracket (2) to the stud.
34. Install the engine harness bracket nut (1).





35. Connect the engine harness electrical connector to the camshaft actuator magnet.
36. Install the engine harness bolt.
Tighten the bolt to 20 Nm (15 ft. lbs.).





37. Install the engine harness clip to the engine.





38. Install the engine harness clip (1) to the ignition coil bracket.





39. Install the engine harness clip (1) to the ignition coil bracket.





40. Connect the engine harness electrical connector (2) to the ignition coil.
41. Connect the engine harness electrical connector (1) to the MAP sensor.





42. Connect the engine harness electrical connector (2) to the throttle actuator.
43. Connect the engine harness electrical connector (1) to the EVAP purge solenoid.





44. Install the exhaust crossover pipe (2) and nuts (1).
Tighten the nuts to 25 Nm (18 ft. lbs.).





45. Install the exhaust crossover pipe shield (2) and bolts (1).
Tighten the bolts to 10 Nm (89 inch lbs.).





46. Install the transaxle brace and bolts.
Tighten the bolts to 43 Nm (32 ft. lbs.).





47. Install the engine harness clips (1) to the transaxle brace.





48. Install the engine harness clips (1) to the transaxle brace.





49. Install the engine mount to frame nuts.
Tighten the nuts to 47 Nm (35 ft. lbs.).





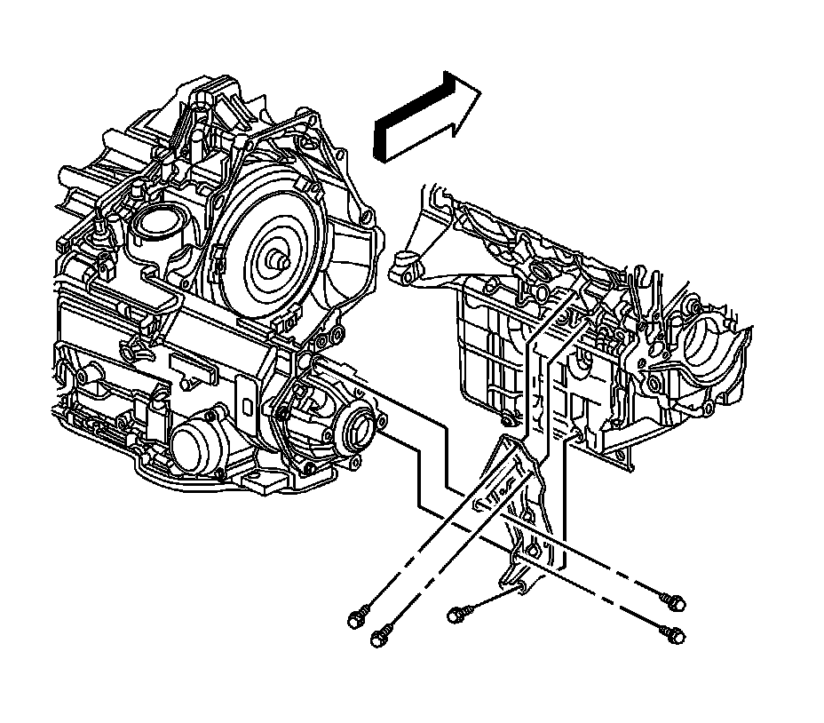
50. Install the torque converter bolts.
51. Use the J 37096 in order to hold the flywheel.
52. Tighten the torque converter bolts.
Tighten the bolts to 63 Nm (47 ft. lbs.).





53. Install the torque converter covers (2, 4).
54. Install the torque converter cover bolts (1, 3).
Tighten the bolts to 10 Nm (89 inch lbs.).





55. Install the starter motor and bolts.
Tighten the bolts to 40 Nm (30 ft. lbs.).





56. Install the transaxle brace and bolts.
Tighten the bolts to 43 Nm (32 ft. lbs.).





57. Install the negative battery cable to the transaxle stud.
58. Install the engine harness grounds to the studs.
59. Install the engine harness ground nuts (1, 2) to the transaxle studs.
Tighten the nuts to 25 Nm (18 ft. lbs.).





60. If necessary perform the following steps, connect the engine harness electrical connector (3) to the starter.
61. Install the engine battery positive wire terminal (2) to the stud.
62. Install the engine battery positive wire nut (1).
Tighten the nut to 20 Nm (15 ft. lbs.).





63. Lower the vehicle over the powertrain/frame assembly.
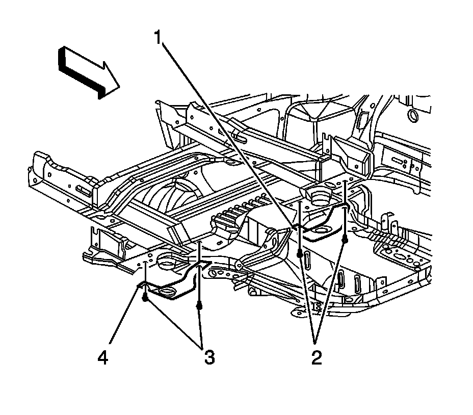
64. Position the frame rear straps (1, 4).
65. Install the frame rear strap bolts (2, 3).
Tighten the bolts to 50 Nm (37 ft. lbs.).





66. Install the front and rear frame bolts (1, 2).
^ Tighten the front bolts to 130 Nm (96 ft. lbs.).
^ Tighten the rear bolts to 240 Nm (177 ft. lbs.).





67. Raise the vehicle off of the J 39580.
68. Remove the J 39580 from under the frame.





69. Connect the intermediate steering shaft to the power steering gear.
70. Install the intermediate steering shaft pinch bolt.
Tighten the bolt to 48 Nm (35 ft. lbs.).
71. Position the intermediate steering shaft seal onto the steering gear.