Operation CHARM: Car repair manuals for everyone.
Manuals through 2025 now available!

Our trusted friends have launched a new website named LEMON, which has newer manuals. It also contains all the CHARM manuals.

LEMON is the spiritual successor to CHARM, I recommend you try it!

Link: lemon-manuals.la or lemon-manuals.org.ua

(Some people have issue connecting. LEMON is investigating. For now, use Firefox or change your DNS server)

Or, hide this message: temporarily or permanently

Part 2







72. Unsecure the wheel drive shafts from the steering knuckle/struts.
73. Install the wheel drive shafts to the transaxle.
74. Verify that the wheel drive shaft is properly engaged to the transaxle by grasping the inner tripot housing and pulling outward. Do not pull on the wheel drive shaft bar. The wheel drive shaft will remain firmly in place when properly engaged.





75. Important:
Align the ball joint cotter pin hole parallel to the knuckle in order to ease the cotter pin installation.

Install the ball joints to the knuckles.
76. Install the ball joint castle nuts.

77. Important:
DO NOT loosen the castle nut in order to align the nut to the cotter pin hole.

If necessary, tighten the castle nut in order to align the nut slot (1) to the cotter pin hole (2) as shown.





78. Tighten the lower ball joint castle nuts (1).
Tighten the nuts to 55 Nm (40 ft. lbs.).
79. Install NEW lower ball joint cotter pins (2) to the ball joints.





80. Important:
Ensure that the cotter pin ends do NOT contact the ABS wheel speed sensor, the ABS sensor connector, or the drive axle.

Bend the ends of the cotter pin as shown in either example.





81. Install the outer tie rod (2) to the steering knuckle (1).





82. Important:
This is a prevailing torque type fastener. You may reuse this fastener ONLY under the following conditions:
^ The fastener and its counterpart are clean and free from rust.
^ The fastener develops 2 Nm (18 inch lbs.) of torque/drag against its counterpart prior to fastener seating.

If the fastener does not meet these criteria, REPLACE the fastener.
Install the tie rod end nuts (1) at the steering knuckles. (FWD shown, AWD similar).
Tighten the nuts to 30 Nm (22 ft. lbs.) plus an additional 120 degrees using the J 45059.





83. If equipped with FWD, install the stabilizer shaft links (2) to the stabilizer shaft. (left side shown, right side similar).
84. Install the stabilizer shaft link lower nuts (3).
Tighten the nuts to 23 Nm (17 ft. lbs.).





85. Install the engine harness clips (1, 2) to the heat shield, if equipped with FWD.
86. Connect the battery cable retainers at the core support.





87. Install the engine harness clips (1, 2) to the catalytic converter heat shield, if equipped with AWD.
88. Install the engine splash shield.
89. Install the catalytic converter.





90. Position and install the A/C compressor onto the stud.
91. Install the A/C compressor front bolt and nut.
Tighten the bolt/nut to 50 Nm (37 ft. lbs.).





92. Install the A/C compressor rear bolt.
Tighten the bolt to 50 Nm (37 ft. lbs.).
93. Connect the engine harness electrical connectors to the A/C compressor.
94. Install the drive belt.





95. Connect the engine harness electrical connectors (1) to the left and right wheel speed sensors. (right side shown, left side similar).





96. Install rear propeller shaft, if equipped with AWD.
97. Install the front wheels and tires.
98. Install the engine mount struts.
99. Connect the fuel feed (1) and EVAP (2) line quick connect fittings.





100. Install the brake booster vacuum hose to the upper intake manifold fitting.





101. Connect the heater inlet (2) and outlet (1) hose quick connect fittings to the inlet and outlet pipes.





102. Install the radiator outlet hose to the thermostat housing.
103. Using the J 38185, release the radiator outlet hose clamp.





104. Install the radiator inlet hose to the coolant crossover.
105. Using the J 38185, release the radiator inlet hose clamp.





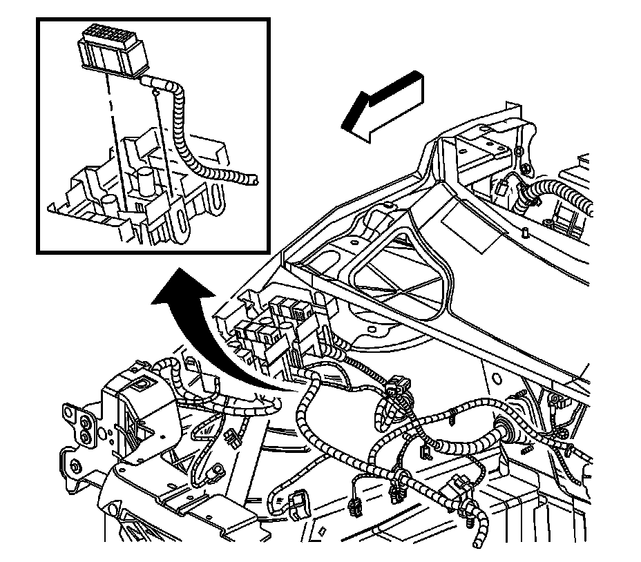
106. Remove the engine harness wiring branch from on top of the engine.
107. Install the air cleaner outlet duct to the throttle body and MAF/IAT sensor.
108. Tighten the air cleaner outlet duct clamps at the throttle body and the MAF/IAT sensor.
Tighten the clamps to 2 Nm (18 inch lbs.).
109. Connect the PCV fresh air tube quick connect fitting to the air cleaner outlet duct.
110. Connect the engine harness electrical connector to the MAF/IAT sensor.





111. Install the engine harness connector to the junction block retainer.
112. Install the underhood junction block.





113. Install the engine harness clip (1) to the A/C line.





114. Install the engine harness clip (1) to the A/C line.





115. Connect the engine harness electrical connector (6) to the ABS module.
116. Connect the engine harness electrical connector (5) to the I/P harness electrical connector (4).
117. Connect the engine harness electrical connector (3) to the I/P harness electrical connector (2).
118. Connect the engine harness electrical connector (1) to the TCM.





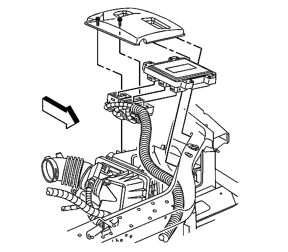
119. Install the ECM to the air cleaner cover.
120. Install the air cleaner cover.
121. Tighten the air cleaner cover bolts.
Tighten the bolts to 4 Nm (35 inch lbs.).





122. Install the junction block cover.
123. Install the left side diagonal brace.
124. Install the coolant reservoir.





125. Install the coolant recovery reservoir hose (2) to the crossover.
126. Position the coolant recovery reservoir hose clamp (1) at the coolant crossover.





127. Remove the J 42640 from the underside of the steering column.
128. Install the lower radiator air baffle.
129. Connect the negative battery cable.
130. Connect the positive battery cable.
131. Connect the positive battery cable at the junction box.
132. Connect the auxiliary ground cable on the inner fender.
133. Connect the electrical connector to the sensor on the negative battery cable.
134. Fill the cooling system. Refer to Draining and Filling Cooling System (Static Fill LX9) Draining and Filling Cooling System (Static Fill LZ9) Draining and Filling Cooling System (Vac-N-Fill).
135. Fill the engine with oil. Refer to Engine Oil and Oil Filter Replacement.
136. Perform the CKP system variation learn procedure. Service and Repair





137. Align the cover to the studs on the engine, push down on the cover above the stud in order to engage the cover to the studs.
138. Install the engine oil fill cap.
139. Start the engine listen for unusual noises.
140. Inspect the engine for leaks.