Operation CHARM: Car repair manuals for everyone.
Manuals through 2025 now available!

Our trusted friends have launched a new website named LEMON, which has newer manuals. It also contains all the CHARM manuals.

LEMON is the spiritual successor to CHARM, I recommend you try it!

Link: lemon-manuals.la or lemon-manuals.org.ua

(Some people have issue connecting. LEMON is investigating. For now, use Firefox or change your DNS server)

Or, hide this message: temporarily or permanently

Electrical Diagrams



ENGINE CONTROLS SCHEMATICS

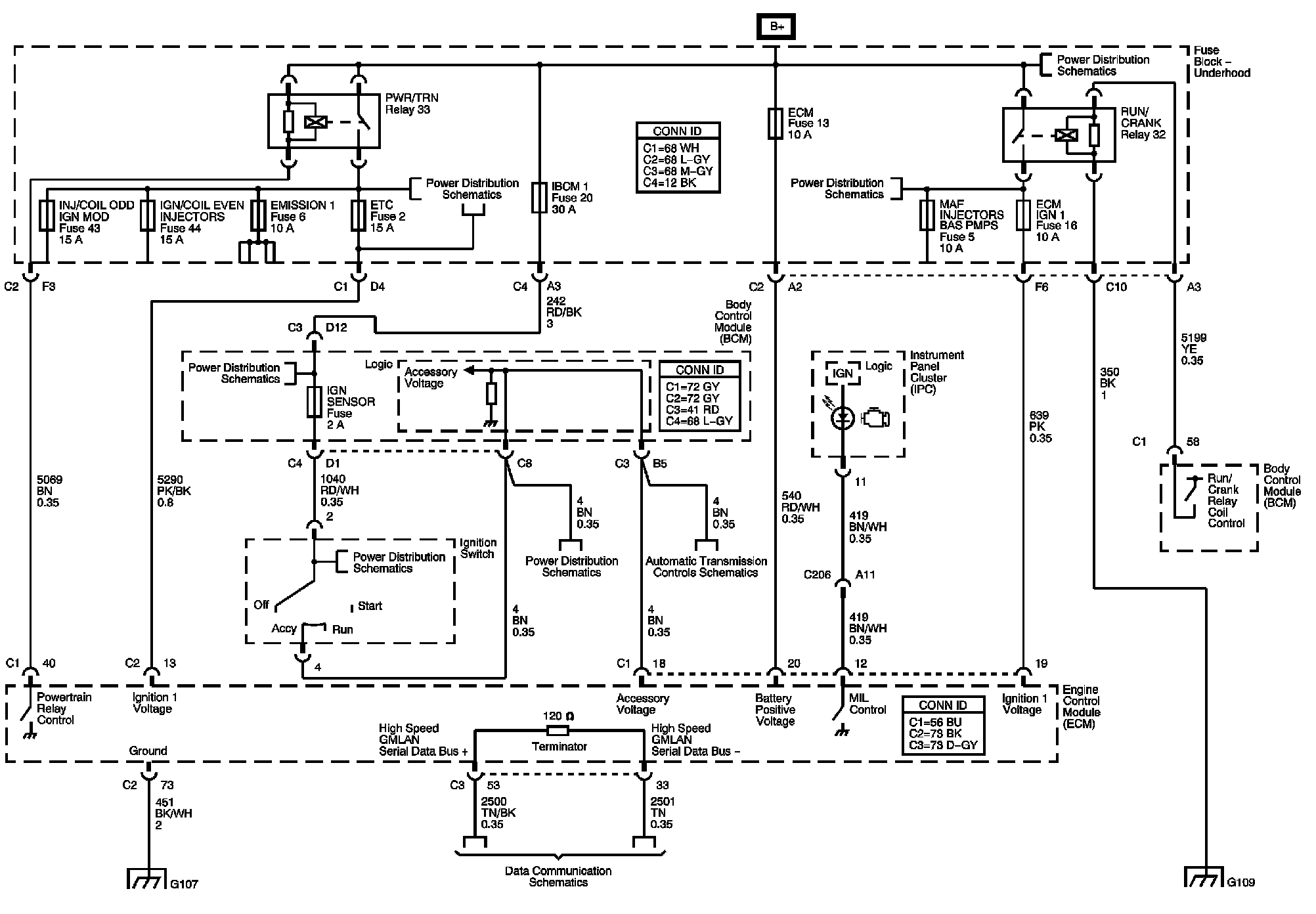
Power, Ground, Serial Data and MIL







5-Volt and Low References







ECT, MAF/IAT and MAP Sensors







Heated Oxygen Sensors







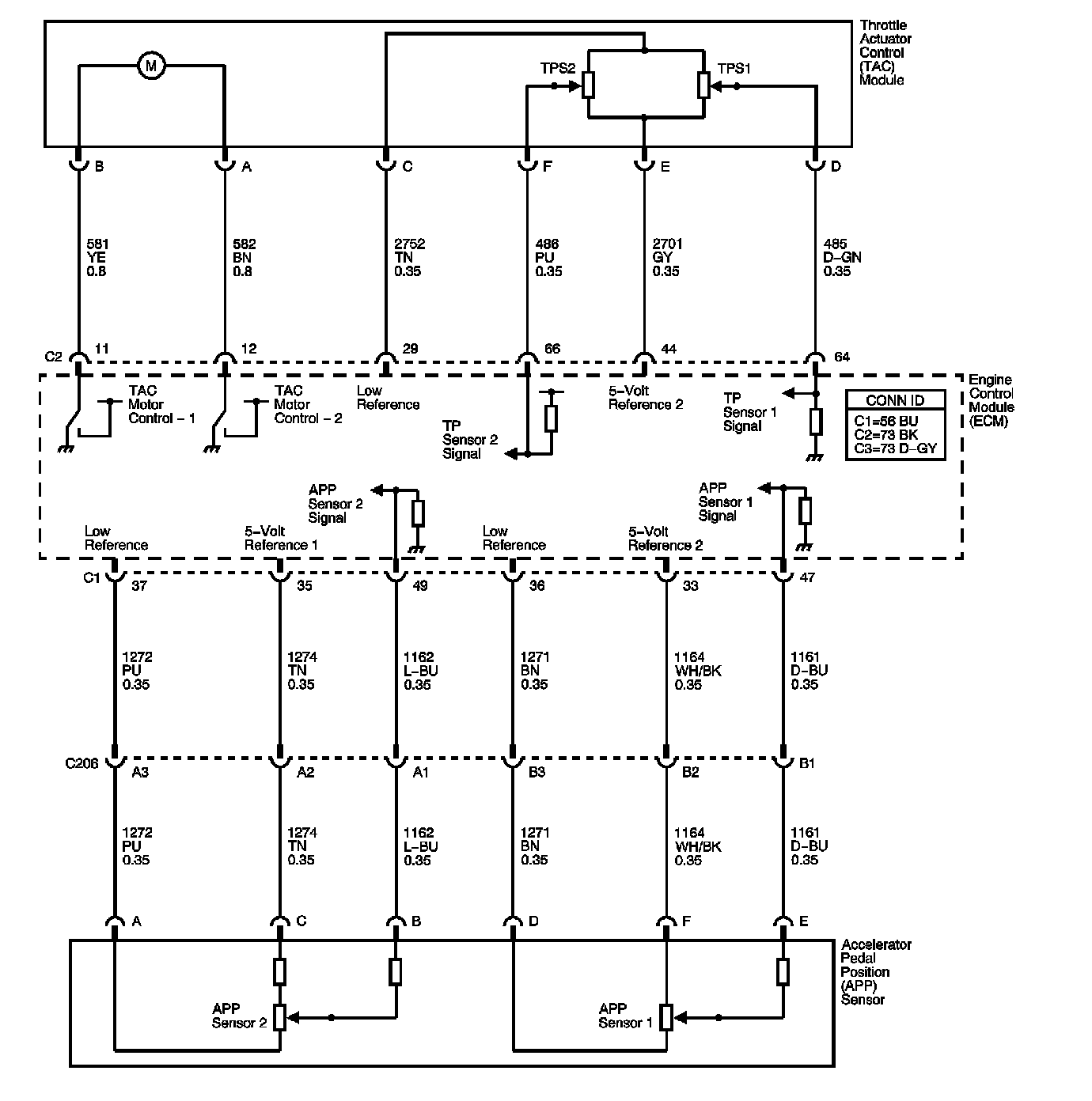
Electronic Throttle Controls







Ignition System







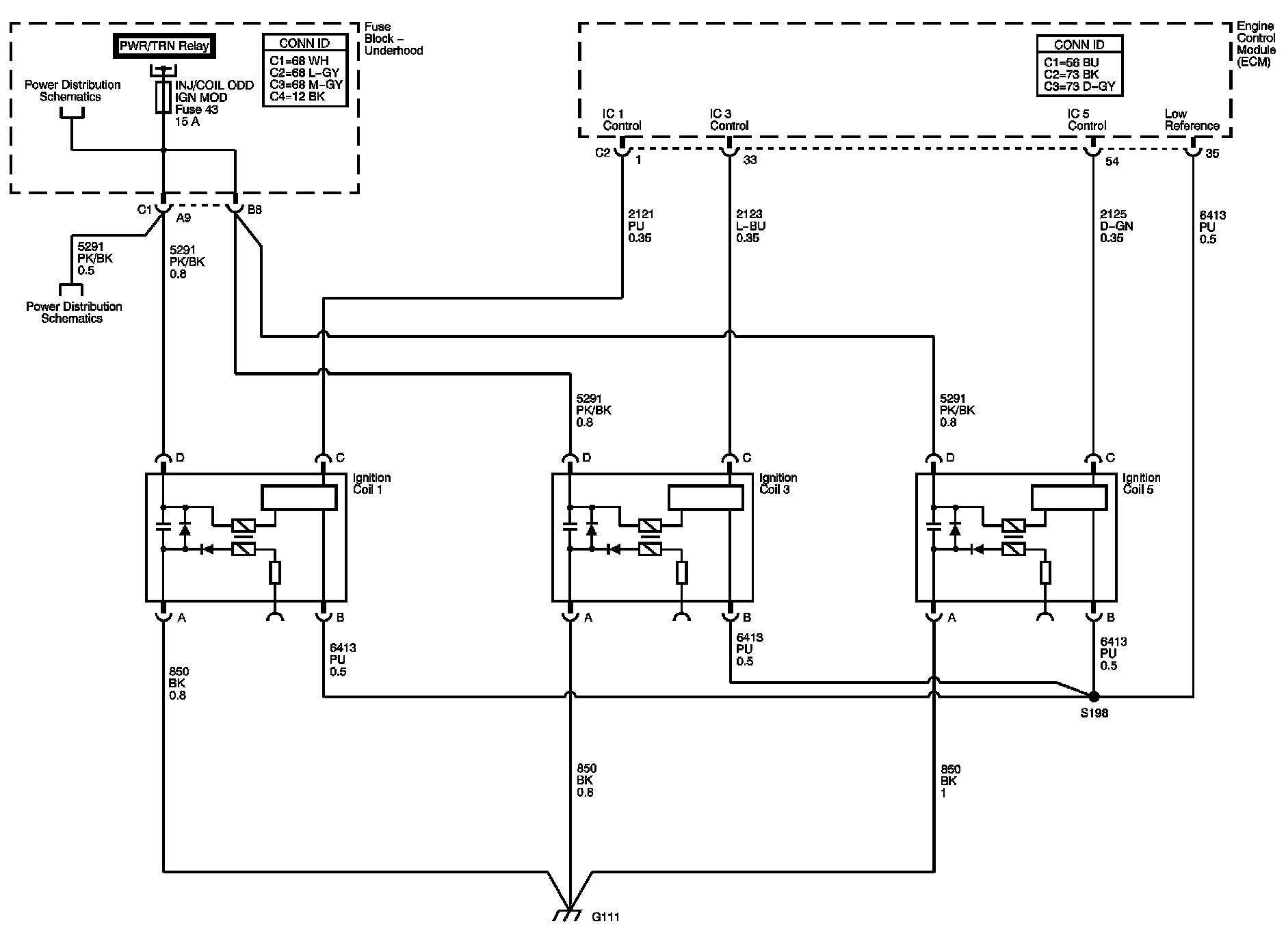
Bank 1 Ignition Coils







Bank 2 Ignition Coils







Camshaft Position (CMP) Sensors and Solenoids







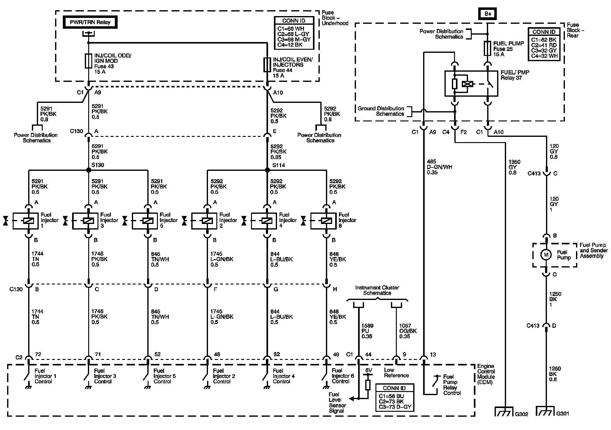
Fuel Pump Controls







EVAP Controls and FTP Sensor







Controlled/Monitored Subsystem References








Locations: The locations for the Connectors, Grounds, Splices, and Grommets shown within these diagrams can be found via their numbers at Vehicle Locations. Locations